| 查看: 1676 | 回复: 7 | ||
[求助]
给石墨烯拍电镜,总是不能拍到单层的片状形貌已有3人参与
|
|
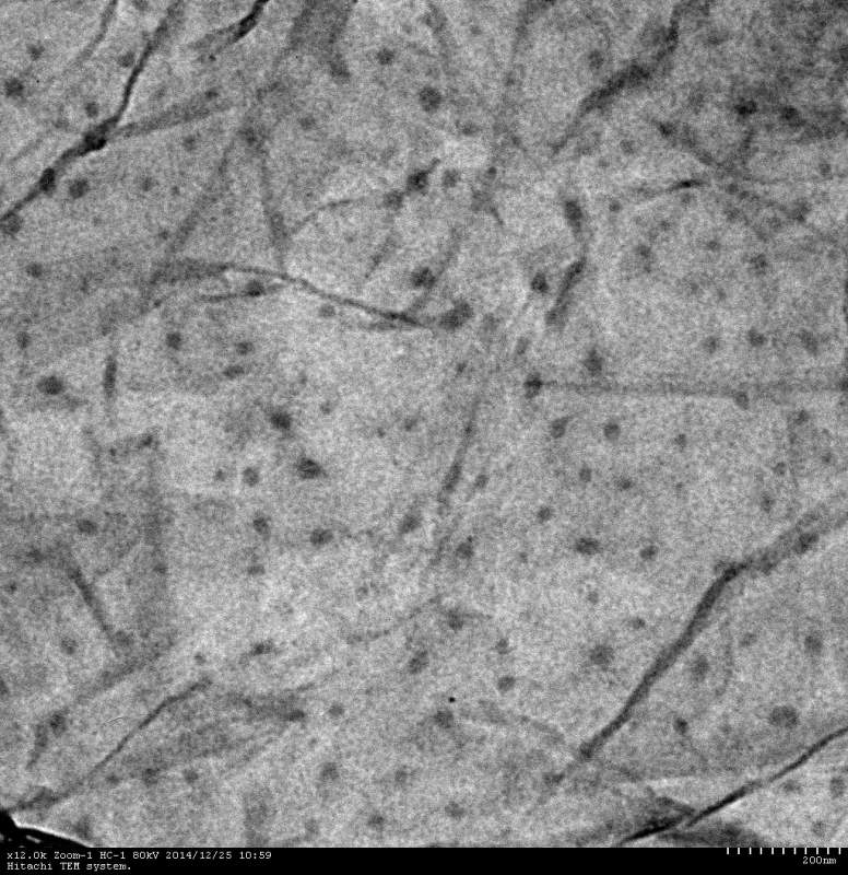
给石墨烯拍电镜,总是不能拍到单层的片状形貌,都是好几层堆叠在一起的,有啥好办法把它层层分开呢?制样的时候浓度应该一般多大?超声超多久?(我超过一天,感觉要把它超坏了)。而且我拍的石墨烯的TEM竟然有很多类似于碳点的东西,怎么回事啊,求大神解答。 1-1.jpg 1-4.jpg |
» 猜你喜欢
《岩石力学与工程学报》修改后增刊复审,申请正刊的几率大吗?
已经有11人回复
Sustainable Engineering Materials首届青年编委招募启事
已经有17人回复
建筑环境与结构工程论文润色/翻译怎么收费?
已经有229人回复
混凝土材料类SCI期刊求推荐
已经有7人回复
哈工大申请考核制招收博士生9月28日截止
已经有20人回复
哈工大26年度博士申请考核第二轮
已经有5人回复
advance in structural engineering 期刊Awaiting EIC Assignmeng阶段十天了
已经有3人回复
ansys有限元分析求助
已经有2人回复
» 本主题相关商家推荐: (我也要在这里推广)
» 本主题相关价值贴推荐,对您同样有帮助:
石墨烯在溶剂里分散性问题
已经有10人回复
石墨烯金属纳米材料做TEM透射电镜选用什么样的铜网?
已经有7人回复
氧化石墨烯做TEM(透射电镜)
已经有5人回复
求帮忙看一张石墨烯的透射电镜照片
已经有20人回复
求助氧化石墨烯和醋酸钴在一起总是会产生GO沉淀?
已经有26人回复
氧化石墨烯的透射电镜图上看到好多黑点?
已经有6人回复
氧化石墨烯SEM AFM TEM 制样,溶液浓度多大合适?
已经有11人回复
麻烦高手解答,石墨烯、氧化石墨烯的透射电镜表征有区别吗?
已经有9人回复
氧化铜与石墨烯复合物的电镜图是怎么样的
已经有25人回复
聚合物、纳米银复合材料
已经有5人回复
石墨烯扫描电镜图谱
已经有15人回复
石墨烯的层间距如何通过透射电镜得到的衍射斑点计算?
已经有5人回复
关于石墨烯电镜图的特点
已经有19人回复
Fe的氧化物SEM形貌?
已经有10人回复
AFM 测试碎片 出图问题
已经有18人回复
2楼2014-12-29 11:27:05
qichunxuan
至尊木虫 (职业作家)
- 应助: 8 (幼儿园)
- 金币: 23063.3
- 红花: 3
- 帖子: 3025
- 在线: 204.8小时
- 虫号: 2476106
- 注册: 2013-05-22
- 性别: GG
- 专业: 有机分子功能材料化学
3楼2014-12-29 11:54:25
lesun89757
木虫 (正式写手)
- 应助: 2 (幼儿园)
- 金币: 1659.2
- 散金: 250
- 红花: 2
- 帖子: 430
- 在线: 174.5小时
- 虫号: 924206
- 注册: 2009-12-09
- 性别: GG
- 专业: 碳素材料与超硬材料
4楼2014-12-29 12:25:11
5楼2014-12-29 14:32:09
6楼2014-12-29 14:32:54
Al-Fe
木虫 (小有名气)
- CM-EPI: 1
- 应助: 8 (幼儿园)
- 金币: 2506.1
- 红花: 2
- 帖子: 129
- 在线: 224.4小时
- 虫号: 1976648
- 注册: 2012-09-05
- 性别: GG
- 专业: 金属基复合材料
7楼2014-12-29 16:56:19
w592530928
木虫 (正式写手)
石墨烯-光催化
- 应助: 0 (幼儿园)
- 金币: 1771.5
- 散金: 20
- 红花: 8
- 帖子: 412
- 在线: 182.6小时
- 虫号: 1494370
- 注册: 2011-11-16
- 性别: GG
- 专业: 催化化学

8楼2015-01-08 16:22:44













回复此楼
