²é¿´: 2634  |  »Ø¸´: 6

meimei880727

гæ (³õÈëÎÄ̳)

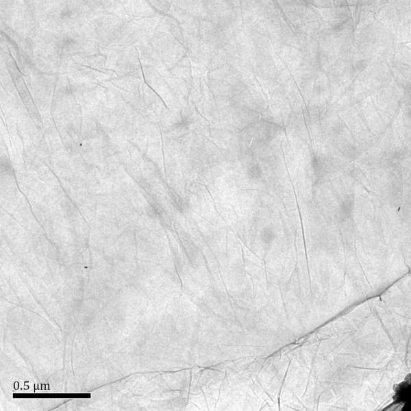
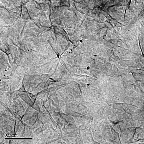
[ÇóÖú] Ñõ»¯Ê¯Ä«Ï©µÄ͸Éäµç¾µÍ¼ÉÏ¿´µ½ºÃ¶àºÚµã£¿

ÎÒ×Ô¼ºÍ¨¹ý¸Ä½øµÄHummers·¨ÖƱ¸µÄÑõ»¯Ê¯Ä«Ï©£¬µ«ÊÇ͸Éäµç¾µÕÕ³öÁ˺öàºÚµã£¬²»ÖªµÀÊDz»ÊÇMnµÄÑõ»¯ÎïûÓÐÏ´¸É¾»£¬¿ÉÊÇÄÇÊÇÇ¿ËáÐÔÌåϵ£¬Ã̵ÄÑõ»¯ÎïÓ¦¸Ã¶¼»á±»Èܽâµô²Å¶Ô°¡£¬ÓÐûÓиßÊÖ¸øµãÒâ¼û¡£ÓÐûÓÐÓöµ½¸úÎÒÒ»ÑùµÄÎÊÌâµÄ£¬×îºóÊÇÔõô½â¾öµÄ¡£
Ñõ»¯Ê¯Ä«Ï©µÄ͸Éäµç¾µÍ¼ÉÏ¿´µ½ºÃ¶àºÚµã£¿
GO2.jpg


Ñõ»¯Ê¯Ä«Ï©µÄ͸Éäµç¾µÍ¼ÉÏ¿´µ½ºÃ¶àºÚµã£¿-1
GO1.jpg
»Ø¸´´ËÂ¥

» ²ÂÄãϲ»¶

» ±¾Ö÷ÌâÏà¹ØÉ̼ÒÍÆ¼ö: (ÎÒÒ²ÒªÔÚÕâÀïÍÆ¹ã)

» ±¾Ö÷ÌâÏà¹Ø¼ÛÖµÌùÍÆ¼ö£¬¶ÔÄúͬÑùÓаïÖú:

ÒÑÔÄ   »Ø¸´´ËÂ¥   ¹Ø×¢TA ¸øTA·¢ÏûÏ¢ ËÍTAºì»¨ TAµÄ»ØÌû

gxytju2008

ר¼Ò¹ËÎÊ (ÎÄ̳¾«Ó¢)

¡¾´ð°¸¡¿Ó¦Öú»ØÌû

¡ï ¡ï
¸Ðл²ÎÓ룬ӦÖúÖ¸Êý +1
meimei880727: ½ð±Ò+2, ¡ïÓаïÖú, ×îºó»¹ÊDz»ÖªµÀÊǸöɶ 2013-11-25 15:51:37
´ò¸öEDSmapping¾ÍÖªµÀÊÇɶÁ˰¡£¬ÕâÑùºÜÄѲµÄàÅ
2Â¥2013-11-09 20:18:54
ÒÑÔÄ   »Ø¸´´ËÂ¥   ¹Ø×¢TA ¸øTA·¢ÏûÏ¢ ËÍTAºì»¨ TAµÄ»ØÌû

lee988325

гæ (СÓÐÃûÆø)

¡¾´ð°¸¡¿Ó¦Öú»ØÌû

¡ï
¸Ðл²ÎÓ룬ӦÖúÖ¸Êý +1
meimei880727: ½ð±Ò+1 2013-11-25 15:51:51
¼ÈÈ»¶¼×÷TEMÁË
®”ˆö»¨‚€10·ÖçŠ×÷EDS´_ÕJÔªËØ?K²»À§ëy°É?
3Â¥2013-11-10 12:13:50
ÒÑÔÄ   »Ø¸´´ËÂ¥   ¹Ø×¢TA ¸øTA·¢ÏûÏ¢ ËÍTAºì»¨ TAµÄ»ØÌû

meimei880727

гæ (³õÈëÎÄ̳)

ÒýÓûØÌû:
3Â¥: Originally posted by lee988325 at 2013-11-10 12:13:50
¼ÈÈ»¶¼×÷TEMÁË
®”ˆö»¨‚€10·ÖçŠ×÷EDS´_ÕJÔªËØ?K²»À§ëy°É?

֮ǰÄÇ̨µç¾µÖ»ÄÜÅÄ͸Éä²»ÄÜ´òÄÜÆ×
4Â¥2013-11-23 22:26:06
ÒÑÔÄ   »Ø¸´´ËÂ¥   ¹Ø×¢TA ¸øTA·¢ÏûÏ¢ ËÍTAºì»¨ TAµÄ»ØÌû

meimei880727

гæ (³õÈëÎÄ̳)

ÒýÓûØÌû:
2Â¥: Originally posted by gxytju2008 at 2013-11-09 20:18:54
´ò¸öEDSmapping¾ÍÖªµÀÊÇɶÁ˰¡£¬ÕâÑùºÜÄѲµÄàÅ

ÎÒ´òÁËÄܯף¬ÔªËغ¬Á¿ÈçÏ£¬Ã»ÓнðÊô£¬ÄÇЩµãÓÖ»áÊÇÊ²Ã´ÄØ
ÔªËØ        ÖØÁ¿        Ô­×Ó
           °Ù·Ö±È        °Ù·Ö±È
C K        50.77        58.52
O K        46.64        40.36
S K        2.58                1.12
5Â¥2013-11-23 22:28:22
ÒÑÔÄ   »Ø¸´´ËÂ¥   ¹Ø×¢TA ¸øTA·¢ÏûÏ¢ ËÍTAºì»¨ TAµÄ»ØÌû

gxytju2008

ר¼Ò¹ËÎÊ (ÎÄ̳¾«Ó¢)

ÒýÓûØÌû:
5Â¥: Originally posted by meimei880727 at 2013-11-23 22:28:22
ÎÒ´òÁËÄܯף¬ÔªËغ¬Á¿ÈçÏ£¬Ã»ÓнðÊô£¬ÄÇЩµãÓÖ»áÊÇÊ²Ã´ÄØ
ÔªËØ        ÖØÁ¿        Ô­×Ó
           °Ù·Ö±È        °Ù·Ö±È
C K        50.77        58.52
O K        46.64        40.36
S K        2.58                1.12...

E...ÄãÊÇÔÚÄÇЩµãÉÏ´òµÄô£¬ÒªÊǵĻ°Ò²Ã»É¶°ì·¨ÁË£¬²»Ã÷°×ÊÇɶ
6Â¥2013-11-23 22:40:54
ÒÑÔÄ   »Ø¸´´ËÂ¥   ¹Ø×¢TA ¸øTA·¢ÏûÏ¢ ËÍTAºì»¨ TAµÄ»ØÌû

С´¨816

гæ (³õÈëÎÄ̳)

¡¾´ð°¸¡¿Ó¦Öú»ØÌû

Ó¦¸ÃÊÇûÓÐÑõ»¯ºÃµÄʯÄãµÄÔ­²ÄÁÏʯīÁ£¾¶¶à´ó£¿£¿Ï´µÄʱºòµ×ϲ¿·ÖÑõ»¯Ê¯Ä«Ï©È¥µô£¬¿´¿´»¹ÓÐûÓкڵ㡭¡­
Ò»Èë²ÄÁÏÉîËÆº£
7Â¥2013-11-27 16:30:20
ÒÑÔÄ   »Ø¸´´ËÂ¥   ¹Ø×¢TA ¸øTA·¢ÏûÏ¢ ËÍTAºì»¨ TAµÄ»ØÌû
Ïà¹Ø°æ¿éÌø×ª ÎÒÒª¶©ÔÄÂ¥Ö÷ meimei880727 µÄÖ÷Ìâ¸üÐÂ
×î¾ßÈËÆøÈÈÌûÍÆ¼ö [²é¿´È«²¿] ×÷Õß »Ø/¿´ ×îºó·¢±í
[¿¼ÑÐ] 298-Ò»Ö¾Ô¸Öйúũҵ´óѧ-Çóµ÷¼Á +7 ÊÖ»úÓû§ 2026-03-17 7/350 2026-03-18 14:34 by vgtyfty
[¿¼ÑÐ] 297Çóµ÷¼Á +8 Ï·¾«µ¤µ¤µ¤ 2026-03-17 8/400 2026-03-18 14:30 by laoshidan
[¿¼ÑÐ] ²ÄÁÏר˶306Ó¢Ò»Êý¶þ +10 z1z2z3879 2026-03-16 13/650 2026-03-18 14:20 by 007_lilei
[¿¼ÑÐ] ÄÜÔ´²ÄÁÏ»¯Ñ§¿ÎÌâ×éÕÐÊÕ˶ʿÑо¿Éú8-10Ãû +4 ÍÑÓ±¶ø³ö 2026-03-16 9/450 2026-03-18 14:13 by ÍÑÓ±¶ø³ö
[¿¼ÑÐ] 312Çóµ÷¼Á +8 İå·Ï£ 2026-03-16 9/450 2026-03-18 12:39 by Linda Hu
[¿¼ÑÐ] ÉúÎïѧ071000 329·ÖÇóµ÷¼Á +3 ÎÒ°®ÉúÎïÉúÎﰮΠ2026-03-17 3/150 2026-03-18 10:12 by macy2011
[¿¼ÑÐ] ¿¼ÑÐÇóµ÷¼Á +3 éÙËÌ. 2026-03-17 4/200 2026-03-17 21:43 by ÓÐÖ»ÀêÅ«
[¿¼ÑÐ] 085601Çóµ÷¼Á +4 Du.11 2026-03-16 4/200 2026-03-17 17:08 by ruiyingmiao
[¿¼ÑÐ] 085600²ÄÁÏÓ뻯¹¤ +4 °²È«Éϰ¶£¡ 2026-03-16 4/200 2026-03-17 14:02 by Ó¸ÒÌ«¼àÍõ¹«¹«
[¿¼ÑÐ] »¯Ñ§µ÷¼Á0703 +8 °¡ÎÒÎÒµÄ 2026-03-11 8/400 2026-03-16 17:23 by ÎҵĴ¬Îҵĺ£
[¿¼ÑÐ] 321Çóµ÷¼Á +5 ´óÃ×·¹£¡ 2026-03-15 5/250 2026-03-16 16:33 by houyaoxu
[¿¼ÑÐ] 0703Ò»Ö¾Ô¸211 285·ÖÇóµ÷¼Á +5 ly3471z 2026-03-13 5/250 2026-03-16 16:16 by ŶŶ123
[¿¼ÑÐ] 328Çóµ÷¼Á +3 5201314Lsy£¡ 2026-03-13 6/300 2026-03-14 15:31 by hyswxzs
[¿¼ÑÐ] 315Çóµ÷¼Á +9 СÑòСÑò_ 2026-03-11 10/500 2026-03-13 21:13 by SXNUÀîÀÏʦ
[¿¼ÑÐ] 329Çóµ÷¼Á +3 miaodesi 2026-03-12 4/200 2026-03-13 20:53 by 18595523086
[¿¼ÑÐ] Çóµ÷¼Á +7 18880831720 2026-03-11 7/350 2026-03-13 16:10 by JourneyLucky
[¿¼ÑÐ] ¿¼Ñе÷¼Á +4 ·Ò´ï46 2026-03-12 4/200 2026-03-13 16:04 by ruiyingmiao
[¿¼ÑÐ] ²ÄÁÏר˶350 Çóµ÷¼Á +4 Íõ½ð¿Æ 2026-03-12 4/200 2026-03-13 16:02 by ruiyingmiao
[¿¼ÑÐ] 328»¯¹¤×¨Ë¶Çóµ÷¼Á +4 ¡££¬¡££¬¡££¬¡£i 2026-03-12 4/200 2026-03-13 14:44 by JourneyLucky
[¿¼ÑÐ] 283Çóµ÷¼Á£¬²ÄÁÏ¡¢»¯¹¤½Ô¿É +8 ËÕ´òË®7777 2026-03-11 10/500 2026-03-13 09:06 by Linda Hu
ÐÅÏ¢Ìáʾ
ÇëÌî´¦ÀíÒâ¼û