| 查看: 910 | 回复: 1 | |
[求助]
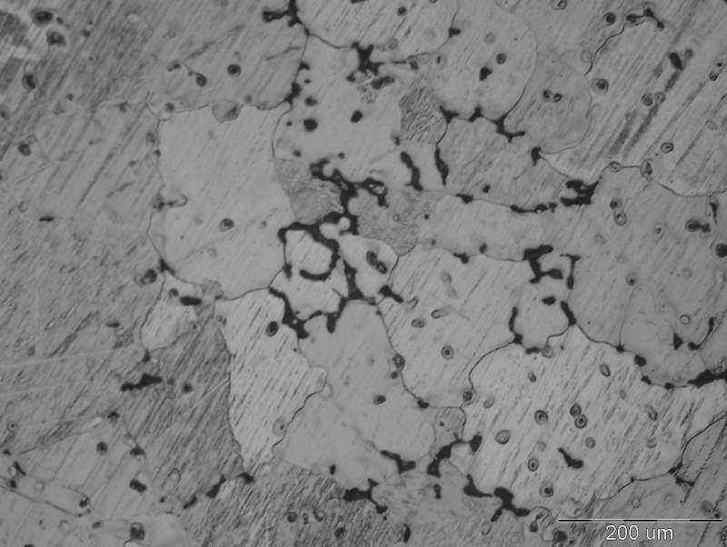
跪求:请问有没有人抛光腐蚀过铸态AZ31镁合金的,请教一些问题 已有1人参与
|
|
|
|
|
|
2楼2014-12-27 10:57:28
|
|














回复此楼