| 查看: 985 | 回复: 11 | |
| 当前只显示满足指定条件的回帖,点击这里查看本话题的所有回帖 | |
DRMF89新虫 (著名写手)
|
[求助]
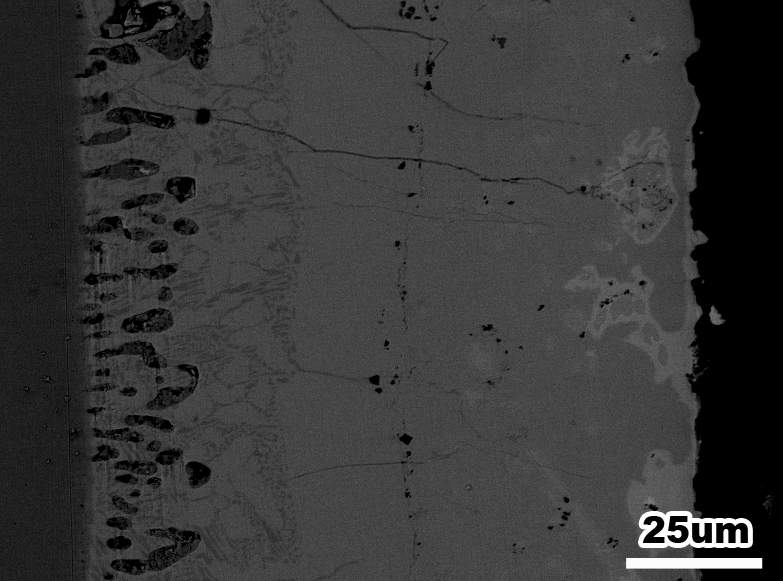
钎焊接头出现孔洞 已有1人参与
|
|
|
|
DRMF89新虫 (著名写手)
|
|
|
10楼2015-01-20 15:56:52
|
|
| 查看全部 12 个回答 | |
jchchen木虫 (著名写手)
|
|
|
2楼2015-01-19 16:25:39
|
|
jchchen木虫 (著名写手)
|
|
|
3楼2015-01-19 16:30:10
|
|
jchchen木虫 (著名写手)
|
|
|
4楼2015-01-20 08:03:33
|
|













回复此楼