| 查看: 310 | 回复: 2 | |
[求助]
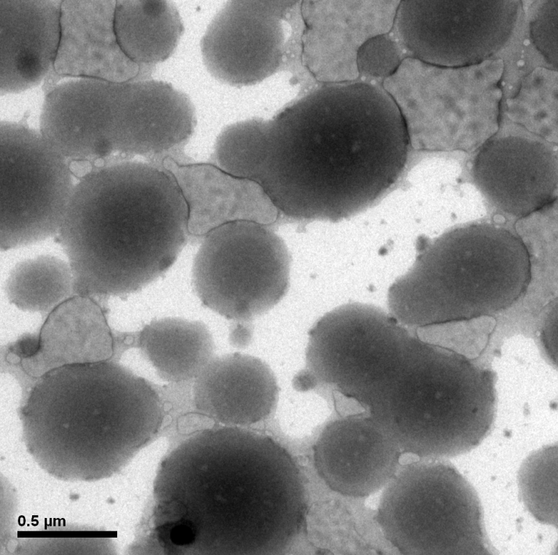
TEM扫描结果图,求大神帮忙鉴定微乳?胶束?复乳?
|
|
|
|
|
![]() |
|
|
2楼2014-09-25 06:55:35
|
|
|
3楼2014-09-25 13:34:53
|
|













回复此楼
