| 查看: 301 | 回复: 0 | ||
scshuang66木虫 (正式写手)
|
[求助]
流体力学题求助
|
|
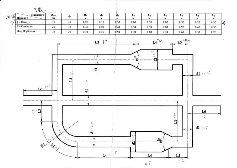
课程任务:复杂的管道水力计算 任务:建立管道系统的水力特性(复线)和该计划的组成部分的水力特性 作为初始的数据集:在管道一个“复杂”的入口流率、液压轨道、所使用的管的粗糙度、以及被泵送的介质的热,所有元素的几何尺寸。 流体:水(t=20摄氏度) 管道粗糙度:=5*(10的-5次方)米 下面的工作方案提出 [ 发自手机版 http://muchong.com/3g ] IMG_0001.jpg 注:图片中三组数据只用第一组的。 |
» 猜你喜欢
一志愿河北工业大学0817化工278分求调剂
已经有15人回复
085601材料工程找调剂
已经有15人回复
材料与化工272求调剂
已经有15人回复
085600 286分 材料求调剂
已经有10人回复
南京大学化学调剂
已经有14人回复
一志愿北京工业大学,324分求调剂
已经有6人回复
求调剂
已经有5人回复
281求调剂
已经有6人回复
26申博自荐
已经有6人回复
一志愿哈尔滨工业大学材料与化工方向336分
已经有10人回复
找到一些相关的精华帖子,希望有用哦~
一个有关真空状态下的流体力学问题
已经有6人回复
求助高等流体力学题目
已经有2人回复
流体力学体积?
已经有4人回复
流体力学的两个问题?
已经有8人回复
有木有懂流体力学的大虾,有个小问题请教……
已经有10人回复
计算流体力学概论英文原版
已经有47人回复
【流体力学经典】普朗特流体力学基础
已经有270人回复
流体力学公式中存在的问题
已经有5人回复
哪个是实验流体力学领域的顶级期刊
已经有4人回复
计算流体力学??
已经有5人回复
怎么学流体力学?
已经有16人回复
求助:给没有流体力学基础的人扫盲吧!!
已经有4人回复
流体力学中的悖论有哪些个?
已经有8人回复
【讨论】请教有关流体力学的一个问题
已经有5人回复
【求助】计算流体力学
已经有6人回复
【求助】请教一个关于流体力学相似准则的问题。
已经有7人回复
【求助】流体力学简单的入门的东西
已经有7人回复
科研从小木虫开始,人人为我,我为人人














回复此楼
点击这里搜索更多相关资源