| 查看: 327 | 回复: 0 | ||
linhao90金虫 (小有名气)
|
[求助]
为什么AZ81母材和AZ61焊缝腐蚀不出来
|
|
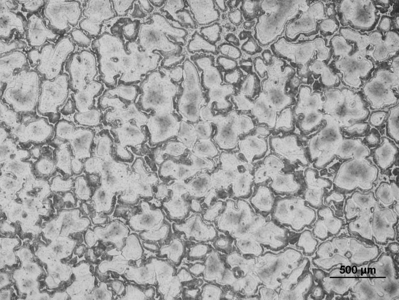
我的母材是铸造镁合金AZ81,焊缝是AZ61,为什么腐蚀不出来呢,时间挺久的了,用过草酸,硝酸酒精。金相上面好多黑色的东西,是脏的?最上面的是母材的,第二个是焊缝和母材的,第三个是焊缝的。 6-50-1.jpg d-2.2-100-2jpg.jpg |
» 猜你喜欢
什么是人一生最重要的?
已经有7人回复
版面费该交吗
已经有17人回复
体制内长辈说体制内绝大部分一辈子在底层,如同你们一样大部分普通教师忙且收入低
已经有19人回复
【博士招生】太原理工大学2026化工博士
已经有8人回复
280求调剂
已经有4人回复
面上可以超过30页吧?
已经有12人回复
为什么中国大学工科教授们水了那么多所谓的顶会顶刊,但还是做不出宇树机器人?
已经有11人回复
网上报道青年教师午睡中猝死、熬夜猝死的越来越多,主要哪些原因引起的?
已经有9人回复

找到一些相关的精华帖子,希望有用哦~
焊接试样腐蚀之后观察焊缝区与母材区,晶粒大小不同,颜色差别不大,求原因
已经有7人回复
要看316L焊缝的金相组织,最好用什么腐蚀剂
已经有3人回复
求助:天然气管道焊缝处腐蚀成因?谢谢!!
已经有17人回复
TC4焊缝熔池金相
已经有8人回复
科研从小木虫开始,人人为我,我为人人













回复此楼
点击这里搜索更多相关资源