| 查看: 1608 | 回复: 7 | ||
[交流]
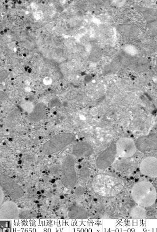
透射电镜观察动物细胞
|
» 本主题相关价值贴推荐,对您同样有帮助:
透射电镜观察细胞形态
已经有4人回复
透射电镜图片分析
已经有8人回复
透射电镜一个样品要多少时间
已经有16人回复
透射电镜观察细胞样品
已经有16人回复
【求助】扫描电镜和透射电镜的区别
已经有26人回复
【交流】透射电镜(TEM)和扫描电镜(SEM)应用的区别?
已经有9人回复
【求助】透射电镜与扫描电镜的区别
已经有7人回复


2楼2014-06-01 12:24:47
younghe
铁虫 (小有名气)
- 应助: 13 (小学生)
- 金币: 428.9
- 帖子: 118
- 在线: 52.2小时
- 虫号: 186587
- 注册: 2006-02-16
- 性别: GG
- 专业: 生物大分子结构与功能
3楼2014-06-01 21:21:50

4楼2014-06-09 12:32:09
5楼2014-06-13 14:07:04
caibetheone
铜虫 (初入文坛)
- 应助: 0 (幼儿园)
- 金币: 961.5
- 红花: 1
- 帖子: 13
- 在线: 15.9小时
- 虫号: 1658405
- 注册: 2012-03-02
- 性别: GG
- 专业: 动物系统及分类学

6楼2014-06-21 08:11:52
caibetheone
铜虫 (初入文坛)
- 应助: 0 (幼儿园)
- 金币: 961.5
- 红花: 1
- 帖子: 13
- 在线: 15.9小时
- 虫号: 1658405
- 注册: 2012-03-02
- 性别: GG
- 专业: 动物系统及分类学

7楼2014-06-21 08:18:48
hoyeung
捐助贵宾 (小有名气)
- 应助: 12 (小学生)
- 金币: 1208.1
- 散金: 200
- 红花: 6
- 帖子: 283
- 在线: 43.2小时
- 虫号: 3973720
- 注册: 2015-07-16
- 性别: GG
- 专业: 动物病理学
★
小木虫: 金币+0.5, 给个红包,谢谢回帖
小木虫: 金币+0.5, 给个红包,谢谢回帖
|
我觉得这并不是染料,而是某种组织样本中的金属离子,因为如果是杂质的话分布不会是这样的,你仔细看线粒体和脂滴中都没有这种黑色颗粒,说明是细胞质中的成分!也有可能是糖原颗粒,肝脏中本来就很多糖原,只是有些颗粒比较大,看起来没那么规则! 发自小木虫IOS客户端 |
8楼2015-12-22 23:13:59













回复此楼