| ²é¿´: 1966 | »Ø¸´: 3 | |
rainwind68гæ (³õÈëÎÄ̳)
|
[ÇóÖú]
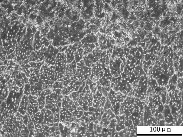
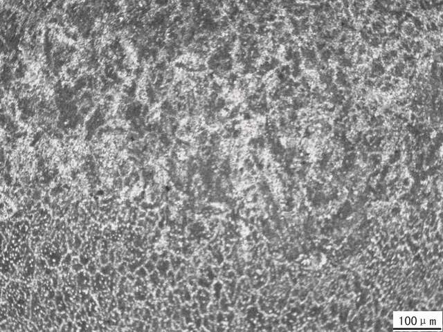
ÎÒÊÇÐÂÊÖ£¬Çó½ÌÔõô¿´¾§Á£³ß´ç¡£
|
|
|
|
fancykongгæ (³õÈëÎÄ̳)
|
|
|
2Â¥2014-05-09 00:20:44
|
|
fancykongгæ (³õÈëÎÄ̳)
|
|
|
3Â¥2014-05-09 00:23:40
|
|
cikeľ³æ (ÖøÃûдÊÖ)
|
|
|
4Â¥2014-05-10 13:51:15
|
|














»Ø¸´´ËÂ¥