| 查看: 4884 | 回复: 9 | |||
a1032818891铜虫 (初入文坛)
|
[求助]
麻烦各位看下6061铝合金是否过烧,急求。 已有4人参与
|
|
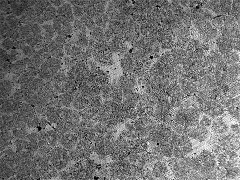
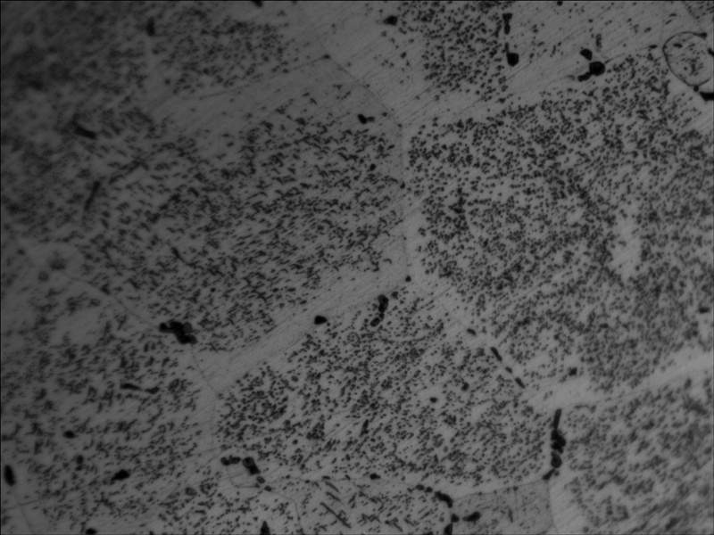
麻烦看下6061铝合金是否过烧,急求。6061,进行T6处理后的,柯乐试剂腐蚀5秒就这样了。均匀化550度,T6也是530度+170度,晶界变宽了,而且腐蚀不出来,晶内析出相很明显啊,麻烦懂得看看。 1.5-T6态-100-1.jpg 1.5-T6态-200-1.jpg 1.5-T6态-500-1.jpg |
» 猜你喜欢
» 本主题相关商家推荐: (我也要在这里推广)
» 本主题相关价值贴推荐,对您同样有帮助:
6061铝合金表面处理
已经有8人回复
这个固溶处理后的镁合金组织是过烧后晶粒长大了吗?
已经有5人回复
问下大家关于6061铝合金的熔炼设备选型问题!
已经有7人回复
请问这个照片有过烧吗?材料为7055铝合金
已经有10人回复
请问这铝合金金相上面的小黑点是什么
已经有19人回复
6061铝合金的T6热处理方案
已经有12人回复
铝合金金相常用腐蚀剂
已经有345人回复
求助6061—T6铝合金材料的S—N疲劳曲线,及相关资料出处
已经有5人回复
有哪位大侠能做铝基镀铁镍合金
已经有6人回复
6061铝合金研磨抛光
已经有13人回复
观察铝合金的强化相需要对样品浸蚀吗?
已经有4人回复
关于6061铝合金T4与T6状态转换的求助
已经有4人回复
铝合金磨金相,表面发暗不光亮
已经有29人回复
谁来帮帮忙!6061铝合金腐蚀不出来!
已经有20人回复
关于6061铝合金的热处理的问题
已经有8人回复
6061铝合金金相
已经有37人回复
6061铝合金和铜丝怎么焊接?
已经有17人回复
【讨论】关于6系列与3系列铝合金的金相腐蚀问题?
已经有4人回复
【求助】铝合金6061 60℃-150℃的抗拉强度和屈服强度(越详细越好)
已经有4人回复
zbhwel
专家顾问 (知名作家)
-

专家经验: +782 - MM-EPI: 7
- 应助: 1730 (讲师)
- 贵宾: 0.259
- 金币: 23020.1
- 散金: 1738
- 红花: 272
- 沙发: 22
- 帖子: 5201
- 在线: 1050.9小时
- 虫号: 2249580
- 注册: 2013-01-19
- 性别: GG
- 专业: 金属结构材料
- 管辖: 材料工程

2楼2014-04-01 20:43:33
a1032818891
铜虫 (初入文坛)
- 应助: 1 (幼儿园)
- 金币: 70.3
- 红花: 1
- 帖子: 19
- 在线: 45.6小时
- 虫号: 2074956
- 注册: 2012-10-20
- 专业: 金属功能材料
3楼2014-04-01 21:39:37
jxlwj073
木虫 (正式写手)
- 应助: 198 (高中生)
- 金币: 3563.6
- 散金: 3
- 红花: 13
- 帖子: 584
- 在线: 116.5小时
- 虫号: 1106040
- 注册: 2010-09-23
- 性别: GG
- 专业: 金属结构材料
4楼2014-04-01 22:14:44
zbhwel
专家顾问 (知名作家)
-

专家经验: +782 - MM-EPI: 7
- 应助: 1730 (讲师)
- 贵宾: 0.259
- 金币: 23020.1
- 散金: 1738
- 红花: 272
- 沙发: 22
- 帖子: 5201
- 在线: 1050.9小时
- 虫号: 2249580
- 注册: 2013-01-19
- 性别: GG
- 专业: 金属结构材料
- 管辖: 材料工程

5楼2014-04-01 23:07:34
wucy3657623
木虫 (正式写手)
芒果毛毛虫
- 应助: 131 (高中生)
- 金币: 4168.9
- 红花: 37
- 帖子: 818
- 在线: 379.8小时
- 虫号: 574042
- 注册: 2008-06-15
- 性别: GG
- 专业: 金属材料的微观结构

6楼2014-05-28 19:05:06
7楼2015-05-09 13:45:53
ojzh0428
新虫 (初入文坛)
- 应助: 0 (幼儿园)
- 金币: 43.5
- 帖子: 2
- 在线: 5.1小时
- 虫号: 3793597
- 注册: 2015-04-07
- 性别: GG
- 专业: 金属材料的微观结构
8楼2015-06-24 10:13:37

9楼2015-06-27 17:45:27
10楼2018-05-12 13:46:11














回复此楼