| ²é¿´: 1136 | »Ø¸´: 3 | ||
lcs20072995гæ (³õÈëÎÄ̳)
|
[ÇóÖú]
ɨÃèµç¾µµÃµ½µÄÏã½¶¹ûƤͼƬ ÒÑÓÐ2È˲ÎÓë
|
|
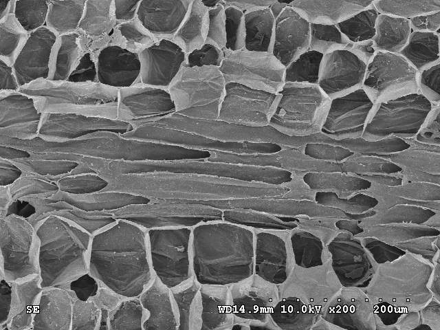
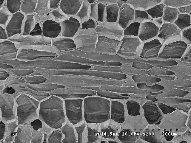
¸÷λ³æÓѰï°ï棬 ÕâЩ·äÎÑ×´µÄ½á¹¹ºÍ¹ÜµÀ×´½á¹¹·Ö±ðÊÇʲô £¿Æðʲô×÷Óã¿ »¹ÓÐ 500¡¢200¡¢100¡¢5umµç¾µÏ·ֱðÄܹ۲쵽ʲô£¿ Ïã½¶¹ûƤ 3 --001.jpg |
» ²ÂÄãϲ»¶
¸Ð¾õÆÕͨÈËÒѾû°ì·¨ÍæÁË£¬ÌÉÆ½ÊÇΨһµÄ³ö·¡£
ÒѾÓÐ26È˻ظ´
½ËÕÊ¡ÓÅÇàÃż÷
ÒѾÓÐ20È˻ظ´
Ö²ÎïѧÂÛÎÄÈóÉ«/·ÒëÔõôÊÕ·Ñ?
ÒѾÓÐ130È˻ظ´
ÐĺÃÀÛ¡£½ñÄêÎÒÃDz¿ÃÅÌá½»ÁË18¸öÏîÄ¿¡£ÖÐÁË11ÁË£¬¿ÉϧÎÒµÄÓÖ¹ÒÁË
ÒѾÓÐ10È˻ظ´
ÃæÉÏÏîÄ¿¼Æ»®Êé
ÒѾÓÐ7È˻ظ´
ÃæÉÏÏîÄ¿¼Æ»®Ê鸽¼þ
ÒѾÓÐ9È˻ظ´
ÃæÉÏÏîÄ¿¼Æ»®Êéϵͳ״̬
ÒѾÓÐ18È˻ظ´
NSFC-UNEP£¨ÓëÁªºÏ¹ú»·¾³¹æ»®Ê𣩺Ï×÷ÏîÄ¿
ÒѾÓÐ33È˻ظ´
ºÍÒÁÀÊÈ˺Ï×÷
ÒѾÓÐ32È˻ظ´
½ËÕÊ¡×ÔÈ»»ù½ð
ÒѾÓÐ7È˻ظ´
ÉúÃü¿ÆÑ§ÐÂÓ¢ÎÄÆÕ¿¯¡¶INVESTIGATION OF LIFE SCIENCE¡·
ÒѾÓÐ2È˻ظ´
» ±¾Ö÷ÌâÏà¹Ø¼ÛÖµÌùÍÆ¼ö£¬¶ÔÄúͬÑùÓаïÖú:
¹âѧÏÔ΢¾µÏ¸öɨÃèµç¾µÏ¹۲ìÒ¶±íÆ¤ÌØÕ÷ÓÐʲô²»Í¬£¿
ÒѾÓÐ5È˻ظ´
Lau_Kimura
Ìú³æ (ÕýʽдÊÖ)
- Ó¦Öú: 41 (СѧÉú)
- ½ð±Ò: 20.5
- É¢½ð: 189
- ºì»¨: 19
- Ìû×Ó: 320
- ÔÚÏß: 119.1Сʱ
- ³æºÅ: 2468570
- ×¢²á: 2013-05-17
- ÐÔ±ð: GG
- רҵ: ×÷Îï·Ö×ÓÓýÖÖ
2Â¥2014-02-03 20:53:37
bioplant
ľ³æ (ÕýʽдÊÖ)
- APEPI: 1
- Ó¦Öú: 12 (СѧÉú)
- ½ð±Ò: 11276.5
- ºì»¨: 3
- Ìû×Ó: 454
- ÔÚÏß: 114Сʱ
- ³æºÅ: 115908
- ×¢²á: 2005-11-24
- ÐÔ±ð: MM
- רҵ: Ö²ÎïÉúÀíÓëÉú»¯
3Â¥2014-02-05 10:59:09
×î˧µÄ³¬³¬
гæ (СÓÐÃûÆø)
- Ó¦Öú: 0 (Ó×¶ùÔ°)
- ½ð±Ò: 44.1
- Ìû×Ó: 67
- ÔÚÏß: 28.8Сʱ
- ³æºÅ: 15966703
- ×¢²á: 2019-08-16
- רҵ: ʳƷ¿ÆÑ§»ù´¡
4Â¥2020-08-28 13:23:34













»Ø¸´´ËÂ¥