±±¾©Ê¯ÓÍ»¯¹¤Ñ§Ôº2026ÄêÑо¿ÉúÕÐÉú½ÓÊÕµ÷¼Á¹«¸æ
²é¿´: 123  |  »Ø¸´: 0

981691043

½ð³æ (ÕýʽдÊÖ)

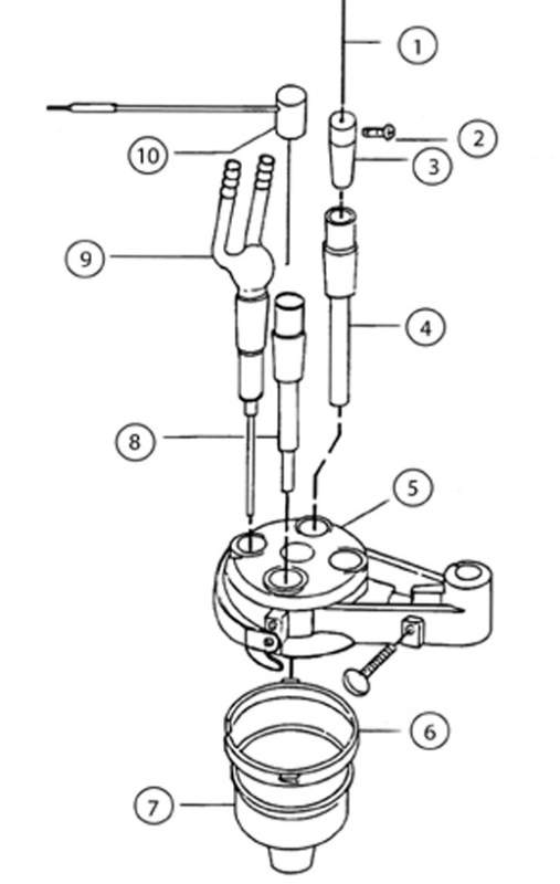
[ÇóÖú] Ë­ÓùýAnalytical Cell Kit Model RDE0018µç½â³Ø£¿

ÏÖÔÚÓÐÒ»¸ö²»ÖªµÀÔõôÓã¬Çó½ÌÁË¡£
Ë­ÓùýAnalytical Cell Kit Model RDE0018µç½â³Ø£¿
0ce007f2-6bf1-4f7e-9a2b-69fd8ae77d6b.jpg


Ë­ÓùýAnalytical Cell Kit Model RDE0018µç½â³Ø£¿-1
db0dd8db-d7ad-4e1a-b243-f4134b6ed926.jpg
»Ø¸´´ËÂ¥
ORR¼×´¼Ñõ»¯
ÒÑÔÄ   »Ø¸´´ËÂ¥   ¹Ø×¢TA ¸øTA·¢ÏûÏ¢ ËÍTAºì»¨ TAµÄ»ØÌû
Ïà¹Ø°æ¿éÌø×ª ÎÒÒª¶©ÔÄÂ¥Ö÷ 981691043 µÄÖ÷Ìâ¸üÐÂ
×î¾ßÈËÆøÈÈÌûÍÆ¼ö [²é¿´È«²¿] ×÷Õß »Ø/¿´ ×îºó·¢±í
[¿¼ÑÐ] 081200-11408-276ѧ˶Çóµ÷¼Á +4 ´Þwj 2026-03-26 4/200 2026-03-27 08:04 by chemisry
[¿¼ÑÐ] һ־Ը̫ԭÀí¹¤°²È«¹¤³Ì300·Ö£¬Çóµ÷¼Á +3 0857Çóµ÷¼Á. 2026-03-24 3/150 2026-03-27 01:18 by ÇóÖªÈô¿Êlz
[¿¼ÑÐ] µ÷¼ÁÇóÊÕÁô +7 ¹ûÈ»ÓÐÎÒ 2026-03-26 7/350 2026-03-27 00:26 by wxiongid
[¿¼ÑÐ] »¯Ñ§308·ÖÇóµ÷¼Á +5 ÄãºÃÃ÷ÌìÄãºÃ 2026-03-23 5/250 2026-03-26 23:43 by ´ß»¯´ó°×
[¿¼ÑÐ] Çóµ÷¼Á +6 °×QF 2026-03-21 6/300 2026-03-26 20:37 by fmesaito
[¿¼ÑÐ] Ò»Ö¾Ô¸ÏÃÃÅ´óѧ»¯Ñ§Ñ§Ë¶307Çóµ÷¼Á +8 y7czhao 2026-03-26 8/400 2026-03-26 19:51 by ²»³Ôô~µÄ؈
[¿¼ÑÐ] Ò»Ö¾Ô¸±±¾©»¯¹¤´óѧ²ÄÁÏÓ뻯¹¤£¨085600£©296Çóµ÷¼Á +9 µ¾ÆÞС±à 2026-03-26 9/450 2026-03-26 16:16 by ²»³Ôô~µÄ؈
[¿¼ÑÐ] »¯Ñ§µ÷¼ÁÒ»Ö¾Ô¸ÉϺ£½»Í¨´óѧ336·Ö-±¾¿ÆÉϺ£211 +4 СÓã°®Óлú 2026-03-25 4/200 2026-03-26 10:19 by aa331100
[¿¼ÑÐ] 07»¯Ñ§303Çóµ÷¼Á +5 î£08 2026-03-25 5/250 2026-03-25 22:46 by 418490947
[¿¼ÑÐ] 299Çóµ÷¼Á +7 ijijijijλ 2026-03-21 8/400 2026-03-25 20:34 by ÈÈÇéɳĮ
[¿¼ÑÐ] ÇóbÇøÔºÐ£µ÷¼Á +4 ÖÜ56 2026-03-24 5/250 2026-03-25 17:12 by yishunmin
[¿¼ÑÐ] 299Çóµ÷¼Á +7 shxchem 2026-03-20 9/450 2026-03-25 10:41 by lbsjt
[¿¼ÑÐ] BÇø¿¼Ñе÷¼Á +4 yqdszhdap£­ 2026-03-22 5/250 2026-03-25 08:51 by baoball
[¿¼ÑÐ] 340Çóµ÷¼Á +5 »°Ã·ÌÇ111 2026-03-24 5/250 2026-03-25 06:53 by ilovexiaobin
[¿¼ÑÐ] Ò»Ö¾Ô¸ÎäÀí085500»úеרҵ×Ü·Ö300Çóµ÷¼Á +3 an10101 2026-03-24 7/350 2026-03-25 00:00 by ɽ¹í0-
[¿¼ÑÐ] 292Çóµ÷¼Á +4 ¶ì¶ì¶ì¶î¶î¶î¶î¶ 2026-03-24 4/200 2026-03-24 16:41 by peike
[¿¼ÑÐ] Ò»Ö¾Ô¸»ª¶«Àí¹¤´óѧ081700£¬³õÊÔ·ÖÊý271 +5 kotoko_ik 2026-03-23 6/300 2026-03-24 10:29 by ѧÊõ°áשer
[¿¼ÑÐ] Ò»Ö¾Ô¸070300Õã´ó»¯Ñ§358·Ö£¬Çóµ÷¼Á£¡ +4 ËÖËÖÓã.. 2026-03-21 4/200 2026-03-23 08:12 by Iveryant
[¿¼ÑÐ] 266Çóµ÷¼Á +3 ÍÛºôºßºôºß 2026-03-20 3/150 2026-03-21 16:46 by barlinike
[¿¼ÑÐ] Ò»Ö¾Ô¸ÖØÇì´óѧ085700×ÊÔ´Óë»·¾³×Ü·Ö308Çóµ÷¼Á +7 īīĮ 2026-03-20 7/350 2026-03-21 16:36 by barlinike
ÐÅÏ¢Ìáʾ
ÇëÌî´¦ÀíÒâ¼û