| ²é¿´: 2828 | »Ø¸´: 6 | ||
showxjnÒø³æ (³õÈëÎÄ̳)
|
[ÇóÖú]
¶¯Á¦Ñ§ÏµÍ³·ÂÕæ ÒÑÓÐ4È˲ÎÓë
|
|
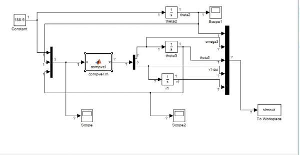
×î½üÔÚ×öÒ»¸ö¶¯Á¦Ñ§·ÂÕæµÄʵÑ飬simulinkͼÈçÏÂËùʾ£¬Í¼ÐΣ¬³ÌÐòºÍ´íÎóÌáʾÈçÏ£¬Î񼆮æ¹ÖµÄÊÇÎÒÄǸöÊäÈëÃ÷Ã÷Ó¦¸ÃÊÇ3άµÄ£¬µ«Ìáʾȷʵ1άµÄ£¬Çë¸ßÊÖ°ïÎÒ¿´¿´µ½µ×ʲôÇé¿ö |
» ²ÂÄãϲ»¶
085600²ÄÁÏÓ뻯¹¤301·ÖÇóµ÷¼ÁԺУ
ÒѾÓÐ4È˻ظ´
²ÄÁÏÓ뻯¹¤371Çóµ÷¼Á
ÒѾÓÐ14È˻ظ´
336²ÄÁÏÓ뻯¹¤085600Çóµ÷¼Á
ÒѾÓÐ7È˻ظ´
²ÄÁÏ334Çóµ÷¼Á
ÒѾÓÐ18È˻ظ´
331Çóµ÷¼Á
ÒѾÓÐ8È˻ظ´
332Çóµ÷¼Á
ÒѾÓÐ17È˻ظ´
Ò»Ö¾Ô¸ÄϾ©º½¿Õº½Ìì´óѧ ²ÄÁÏÓ뻯¹¤329·ÖÇóµ÷¼Á
ÒѾÓÐ4È˻ظ´
²ÄÁÏר˶322
ÒѾÓÐ7È˻ظ´
Çóµ÷¼Á
ÒѾÓÐ20È˻ظ´
Ò»Ö¾Ô¸Ö£ÖÝ´óѧ085600Çóµ÷¼Á
ÒѾÓÐ20È˻ظ´
» ±¾Ö÷ÌâÏà¹Ø¼ÛÖµÌùÍÆ¼ö£¬¶ÔÄúͬÑùÓаïÖú:
¶à¿×½éÖÊÁ÷Ì嶯Á¦Ñ§
ÒѾÓÐ40È˻ظ´
ÇëÎÊ£¬·Ö×Ó¶¯Á¦Ñ§Ä£ÄâºÍ·Ö×ÓÁ¦Ñ§Ä£ÄâµÄÇø±ðÊÇÊ²Ã´ÄØ£¿
ÒѾÓÐ7È˻ظ´
»ùÓÚMATLAB SimulinkµÄϵͳ·ÂÕæ¼¼ÊõÓëÓ¦ÓÃ--Ѧ¶¨Óî--PDF
ÒѾÓÐ149È˻ظ´
»úÆ÷È˶¯Á¦Ñ§ºÍ¿ØÖƵĹØÏµ
ÒѾÓÐ26È˻ظ´
»úе¶àÌåϵͳ¶¯Á¦Ñ§µÄ×÷Òµ£¬²»»á×ö°¡£¡×ż±µÄºÜ£¡ÄÄλ´óÏÀÀ´°ï¸ö棿£¡
ÒѾÓÐ16È˻ظ´
ÇóMatlab·ÂտģÄâÒ»¼¶¡¢¶þ¼¶µ¹Á¢°ÚÄ£ÐÍ·½³Ì¼°matlab·ÂտģÄâ³ÌÐò
ÒѾÓÐ6È˻ظ´
·Ö×Ó¶¯Á¦Ñ§Ä£ÄâÍê±ÏÖ®ºóÒªÔõô·ÖÎö½á¹û°¢
ÒѾÓÐ7È˻ظ´
ÔÚansysÖнṹ¶¯Á¦Ñ§ÎÊÌâµÄµ¯»É¡¢×èÄáµÈµÄѡȡ
ÒѾÓÐ50È˻ظ´
³µÁ¾¶¯Á¦Ñ§Ä£Ð͵Ľⷨ
ÒѾÓÐ14È˻ظ´
¼¯×ܶ¯Á¦Ñ§Ä£ÐͼÆËã
ÒѾÓÐ8È˻ظ´
yezhiheng10
½û³æ (ÕýʽдÊÖ)
¸Ðл²ÎÓ룬ӦÖúÖ¸Êý +1
|
±¾ÌûÄÚÈݱ»ÆÁ±Î |
2Â¥2013-12-28 11:44:09
sunshine819
½ð³æ (СÓÐÃûÆø)
- Ó¦Öú: 32 (СѧÉú)
- ½ð±Ò: 1170.9
- É¢½ð: 7
- ºì»¨: 2
- Ìû×Ó: 137
- ÔÚÏß: 42.6Сʱ
- ³æºÅ: 2254567
- ×¢²á: 2013-01-22
- ÐÔ±ð: GG
- רҵ: ¿ØÖÆÀíÂÛÓë·½·¨

3Â¥2013-12-29 13:29:30
ncszhenry
½ð³æ (³õÈëÎÄ̳)
- Ó¦Öú: 3 (Ó×¶ùÔ°)
- ½ð±Ò: 683.2
- ºì»¨: 1
- Ìû×Ó: 48
- ÔÚÏß: 31.2Сʱ
- ³æºÅ: 1194539
- ×¢²á: 2011-01-22
- ÐÔ±ð: GG
- רҵ: µ¼º½¡¢ÖƵ¼Óë´«¸Ð¼¼Êõ
4Â¥2013-12-29 16:51:39
summerboy7618
ͳæ (СÓÐÃûÆø)
- Ó¦Öú: 0 (Ó×¶ùÔ°)
- ½ð±Ò: 171.6
- Ìû×Ó: 144
- ÔÚÏß: 7.4Сʱ
- ³æºÅ: 566017
- ×¢²á: 2008-05-30
- ÐÔ±ð: GG
- רҵ: ÈÈÄܹ¤³Ì
5Â¥2015-04-02 13:00:27
hnczf
Ìú³æ (СÓÐÃûÆø)
- Ó¦Öú: 4 (Ó×¶ùÔ°)
- ½ð±Ò: 43.9
- ºì»¨: 1
- Ìû×Ó: 65
- ÔÚÏß: 67.8Сʱ
- ³æºÅ: 2897902
- ×¢²á: 2013-12-27
- רҵ: »úе¶¯Á¦Ñ§
6Â¥2015-04-30 17:08:47
ÐűËÄÏɽ
ľ³æ (ÖøÃûдÊÖ)
- Ó¦Öú: 33 (СѧÉú)
- ½ð±Ò: 4142.9
- É¢½ð: 1221
- ºì»¨: 16
- Ìû×Ó: 1178
- ÔÚÏß: 233.5Сʱ
- ³æºÅ: 1133529
- ×¢²á: 2010-10-27
- רҵ: µ¼º½¡¢ÖƵ¼Óë´«¸Ð¼¼Êõ
7Â¥2015-04-30 20:10:08














»Ø¸´´ËÂ¥