| 查看: 2886 | 回复: 11 | |||
[交流]
SW480细胞是这个样子吗 已有6人参与
|
|
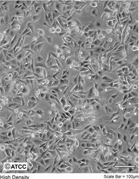
各位高手,从实验室拿到的SW480是这个样子,和ATCC上的照片不一样,问题是实验室这种状态细胞迁移能力很强,但是ATCC上那种状态细胞迁移力较差,不能做我的实验了,我该怎么办呢?该鉴定一下这个SW480吗?怎么鉴定呢?急求帮助谢谢 实验室SW480.jpg 实验室SW480-2.jpg ATCC上SW480.jpg |
» 猜你喜欢
售SCI一区文章,我:8 O5 51O 54,科目齐全
已经有4人回复
售SCI一区文章,我:8 O5 51O 54,科目齐全
已经有4人回复
售SCI一区文章,我:8 O5 51O 54,科目齐全
已经有5人回复
售SCI一区文章,我:8 O5 51O 54,科目齐全
已经有5人回复
有院领导为了换新车,用横向课题经费买了俩车
已经有7人回复
售SCI一区文章,我:8 O5 51O 54,科目齐全
已经有5人回复
售SCI一区文章,我:8 O5 51O 54,科目齐全
已经有6人回复
售SCI一区文章,我:8 O5 51O 54,科目齐全
已经有6人回复
售SCI一区文章,我:8 O5 51O 54,科目齐全
已经有6人回复
售SCI一区文章,我:8 O5 51O 54,科目齐全
已经有6人回复
» 本主题相关价值贴推荐,对您同样有帮助:
求大神告诉我我的A549细胞怎么长这个样子?
已经有11人回复
MCF-7细胞怎么是这个样子呢?
已经有8人回复
2楼2013-11-14 20:07:32
3楼2013-11-14 23:20:52
shaozhenjun
木虫 (小有名气)
- 应助: 12 (小学生)
- 金币: 1648.7
- 红花: 3
- 帖子: 250
- 在线: 88.3小时
- 虫号: 1877115
- 注册: 2012-07-03
- 性别: GG
- 专业: 抗肿瘤药物药理
4楼2013-11-15 09:47:35
酸三色
铁杆木虫 (初入文坛)
- 应助: 1 (幼儿园)
- 金币: 7761.1
- 红花: 1
- 帖子: 48
- 在线: 600.7小时
- 虫号: 1036723
- 注册: 2010-06-06
- 性别: GG
- 专业: 有机合成
5楼2013-11-15 10:18:08
6楼2013-11-15 14:58:04
7楼2013-11-15 14:58:56
8楼2013-11-15 14:59:22
9楼2013-11-15 14:59:33
10楼2013-11-17 01:02:30













回复此楼
10