| 查看: 600 | 回复: 4 | ||
ihdx0205木虫 (正式写手)
|
[求助]
请问有谁知道可以做这种穿孔样的高温拉伸的地方吗?
|
|
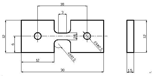
想做超塑性拉伸,拉伸温度大概800度左右。由于实验室的设备做不到这么高温度,还找到一处是只能拉螺纹的棒型样。由于制样问题,只成弄成板型的试样。希望有做过相关的实验或有相关信息的朋友帮助下,告知哪里可以拉这种样的高温拉伸,谢谢大家! 另外,再请教大家的一点就是关于高温拉伸的试样,还可以再小一点的吗,能烧出来的样也就φ30左右了。 ![]() yasu.jpg |
» 猜你喜欢
情人节自我反思:在爱情中有过遗憾吗?
已经有4人回复
球磨粉体时遇到了大的问题,请指教!
已经有12人回复
江汉大学解明教授课题组招博士研究生/博士后
已经有3人回复
» 本主题相关价值贴推荐,对您同样有帮助:
求助 哈尔滨哪里可以做高温拉伸,高温冲击和热磨损试验
已经有9人回复
片状试样拉伸测试问题
已经有24人回复
ihdx0205
木虫 (正式写手)
- 应助: 20 (小学生)
- 金币: 1722.5
- 散金: 39
- 红花: 3
- 帖子: 828
- 在线: 418.3小时
- 虫号: 1105379
- 注册: 2010-09-22
- 专业: 金属材料
2楼2013-11-14 22:01:02
3楼2013-11-14 23:40:39
caowei0716
金虫 (初入文坛)
- 应助: 0 (幼儿园)
- 金币: 1265
- 散金: 20
- 帖子: 44
- 在线: 106.1小时
- 虫号: 2259696
- 注册: 2013-01-25
- 性别: GG
- 专业: 固体力学

4楼2013-11-21 11:09:28
5楼2013-11-21 11:47:14














回复此楼

