| 查看: 503 | 回复: 1 | ||
[求助]
小鼠淋巴瘤细胞L5178Y tk+/-污染菌 已有1人参与
|
|
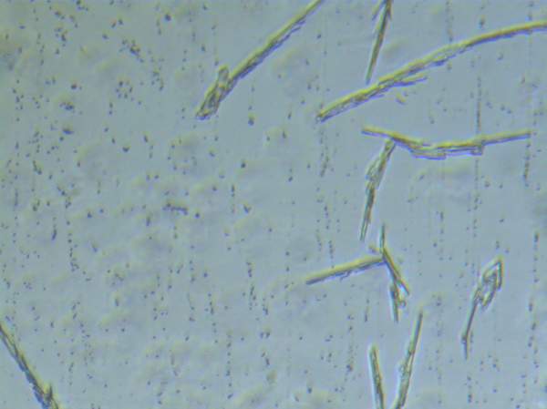
本人最近在进行小鼠淋巴瘤tk基因突变试验时,培养的细胞中出现了这种不明的微生物污染,求各位帮忙认认是什么来着,有没有什么方法可以去除,对细胞本身会有什么影响。 1.jpg 10x 9.26-contaminant microorganism_副本.jpg |
» 猜你喜欢
290求调剂
已经有3人回复
求调剂
已经有3人回复
327求调剂
已经有3人回复
085600 286分 材料求调剂
已经有11人回复
一志愿河北工业大学0817化工278分求调剂
已经有15人回复
085601材料工程找调剂
已经有15人回复
材料与化工272求调剂
已经有15人回复
南京大学化学调剂
已经有14人回复
一志愿北京工业大学,324分求调剂
已经有6人回复
求调剂
已经有5人回复

2楼2014-10-09 16:26:40














回复此楼