| 查看: 1887 | 回复: 13 | ||
| 当前只显示满足指定条件的回帖,点击这里查看本话题的所有回帖 | ||
青青de羊铁杆木虫 (著名写手)
|
[求助]
请教下Al-Si过共晶初生相的问题
|
|
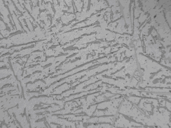
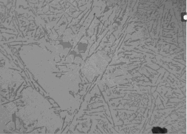
自己在实验室按20%Si的比例炼制过共晶铝合金,方法如下:将硅块与铝块放在氧化铝坩埚内在氩气保护气氛下升温至1500℃,等成液态了,搅拌多次,保温2小时,然后关掉高温炉的电源,金属随炉冷却至300℃,取出用水冷却。观察金相组织,发现初相硅为长条状或树枝状,而不是文献里面的块状,这是怎么回事呢?是硅含量低还是冷却方式不一样呢?请各位大牛帮忙解释下。怎么才能炼制出其初晶硅为块状的Al-20%Si过共晶合金呢?谢谢!![]() ![]() ![]() 100倍-2.gif 200倍-1.gif 500倍-1.gif 500倍-2.gif [ 来自小组 材料家族 ] |
» 猜你喜欢
一志愿华中科技大学071000,求调剂
已经有4人回复
生物学一志愿985,分数349求调剂
已经有4人回复
生物学调剂
已经有4人回复
求调剂院校信息
已经有4人回复
085600材料与化工306
已经有4人回复
286求调剂
已经有10人回复
328求调剂,英语六级551,有科研经历
已经有9人回复
一志愿北京化工大学070300 学硕336求调剂
已经有4人回复
286分人工智能专业请求调剂愿意跨考!
已经有8人回复
资源与环境 调剂申请(333分)
已经有5人回复
» 本主题相关商家推荐: (我也要在这里推广)
» 本主题相关价值贴推荐,对您同样有帮助:
求助铝硅合金金相问题
已经有6人回复
请问用SiO2和Al反应制得的Al2O3//Al-Si复合材料选哪一种金相腐蚀液
已经有7人回复
请教关于相纯度的问题
已经有5人回复
AL-Si-Cu合金的金相腐蚀剂选择
已经有10人回复
请教师兄师姐一个问题:银铜合金一般的有哪些相,化学式是多少???
已经有6人回复
SiC的Si面和C面,蓝宝石的Al面和O面问题
已经有10人回复
请教一下析出相与析出物的区别!~~
已经有5人回复
能请教一下金相图像与SEM图像的差别
已经有13人回复
气相色谱检测方法问题,请教大家!!
已经有3人回复
【求助】请问Mg离子,Al离子,Si离子半径?
已经有3人回复
【求助】请教Fluent多相流流模型中的一个问题——相之间互相贯穿
已经有12人回复
请教气相色谱标准气问题?
已经有2人回复
【求助】请教钢铁金相腐蚀问题!
已经有22人回复
【讨论】请教一个气-液-固三相流模拟可能性的问题
已经有6人回复
【请教】在立方相的Cu2O中,Cu的配位数是几呢?
已经有3人回复
青青de羊
铁杆木虫 (著名写手)
- 应助: 3 (幼儿园)
- 金币: 7509.5
- 散金: 143
- 红花: 3
- 帖子: 1245
- 在线: 415.7小时
- 虫号: 1648632
- 注册: 2012-02-27
- 性别: GG
- 专业: 特殊冶金、外场冶金与冶金
10楼2013-10-22 13:31:03
2楼2013-09-26 13:52:21
3楼2013-09-28 15:30:50
青青de羊
铁杆木虫 (著名写手)
- 应助: 3 (幼儿园)
- 金币: 7509.5
- 散金: 143
- 红花: 3
- 帖子: 1245
- 在线: 415.7小时
- 虫号: 1648632
- 注册: 2012-02-27
- 性别: GG
- 专业: 特殊冶金、外场冶金与冶金
4楼2013-09-29 09:09:38














回复此楼