版块导航
正在加载中...
客户端APP下载
论文辅导
调剂小程序
登录
注册
帖子
帖子
用户
本版
应《网络安全法》要求,自2017年10月1日起,未进行实名认证将不得使用互联网跟帖服务。为保障您的帐号能够正常使用,请尽快对帐号进行手机号验证,感谢您的理解与支持!
24小时热门版块排行榜
>
论坛更新日志
(2303)
>
虫友互识
(163)
>
文献求助
(71)
>
导师招生
(52)
>
考博
(52)
>
硕博家园
(36)
>
基金申请
(32)
>
教师之家
(31)
>
考研
(29)
>
公派出国
(25)
>
论文投稿
(25)
>
招聘信息布告栏
(24)
>
找工作
(20)
>
博后之家
(18)
>
海外博后
(16)
>
论文道贺祈福
(16)
小木虫论坛-学术科研互动平台
»
化学化工区
»
分析
»
化学分析
»
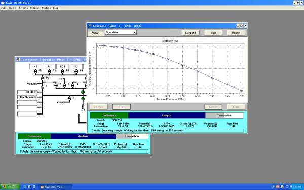
我在做BET的时候出现了以下等温线,请问一下这个等温线什么回事?
3
1/1
返回列表
查看: 438 | 回复: 2
只看楼主
@他人
存档
新回复提醒
(忽略)
收藏
在APP中查看
卢永春
金虫
(初入文坛)
应助: 0
(幼儿园)
金币: 1076
散金: 44
帖子: 19
在线: 174.9小时
虫号: 1182878
注册: 2011-01-04
[
求助
]
我在做BET的时候出现了以下等温线,请问一下这个等温线什么回事?
我在做BET的时候出现了以下等温线,感觉不正常,请问一下这个等温线什么回事?有人知道是什么原因吗?谢谢!
未命名.JPG
回复此楼
» 猜你喜欢
同年申请2项不同项目,第1个项目里不写第2个项目的信息,可以吗
已经有6人回复
依托企业入选了国家启明计划青年人才。有无高校可以引进的。
已经有6人回复
依托企业入选了国家启明计划青年人才。有无高校可以引进的。
已经有10人回复
天津大学招2026.09的博士生,欢迎大家推荐交流(博导是本人)
已经有9人回复
有院领导为了换新车,用横向课题经费买了俩车
已经有10人回复
遇见不省心的家人很难过
已经有24人回复
AI 太可怕了,写基金时,提出想法,直接生成的文字比自己想得深远,还有科学性
已经有6人回复
酰胺脱乙酰基
已经有13人回复
有时候真觉得大城市人没有县城人甚至个体户幸福
已经有10人回复
» 本主题相关价值贴推荐,对您同样有帮助:
这样测得的二氧化碳吸附等温线可靠吗(附图)
已经有9人回复
请帮忙分析,这个氮气吸脱附等温线,交叉了是怎么回事
已经有5人回复
关于吸附试验的问题
已经有32人回复
关于吸附等温线的问题
已经有26人回复
吸附等温线和吸附动力学问题 求教!!
已经有11人回复
天然沸石的氮吸附等温线分析
已经有7人回复
BET等温线不闭合,什么意思?
已经有18人回复
BET等温线类型判断
已经有7人回复
关于活性炭吸附等温线的问题
已经有11人回复
【求助】能否用MS模拟BET测定的N2吸附等温线
已经有3人回复
【求助】动态吸附等温线是什么意思?
已经有5人回复
【求助】求告BET吸附等温线中的BJH方法是一种什么方法?谢谢
已经有3人回复
【求助】物质在活性炭上的吸附等温线为线性说明什么?
已经有20人回复
【求助】请教关于氮气吸附等温线的问题?
已经有13人回复
【求助】吸附等温线是曲线是怎么回事啊?
已经有21人回复
【讨论】怎么计算脱附等温线?
已经有19人回复
1楼
2013-07-30 16:17:51
已阅
回复此楼
关注TA
给TA发消息
送TA红花
TA的回帖
ming142007
铁杆木虫
(职业作家)
化学百科
应助: 84
(初中生)
贵宾: 0.424
金币: 6799.9
散金: 3005
红花: 22
沙发: 2
帖子: 3020
在线: 1385小时
虫号: 1005492
注册: 2010-04-25
专业: 材料物理化学
【答案】应助回帖
做的是氮气吸附吗,扣除自由空间了吗
赞
一下
回复此楼
2楼
2013-09-24 19:57:31
已阅
回复此楼
关注TA
给TA发消息
送TA红花
TA的回帖
卢永春
金虫
(初入文坛)
应助: 0
(幼儿园)
金币: 1076
散金: 44
帖子: 19
在线: 174.9小时
虫号: 1182878
注册: 2011-01-04
嗯,是氮气的,加上自由空间好一点,不过也还是向下的趋势
[ 发自手机版 http://muchong.com/3g ]
赞
一下
回复此楼
3楼
2013-09-25 13:49:04
已阅
回复此楼
关注TA
给TA发消息
送TA红花
TA的回帖
相关版块跳转
有机交流
有机资源
高分子
无机/物化
分析
催化
工艺技术
化工设备
石油化工
精细化工
电化学
环境
SciFinder/Reaxys
我要订阅楼主
卢永春
的主题更新
3
1/1
返回列表
如果回帖内容含有宣传信息,请如实选中。否则帐号将被全论坛禁言
普通表情
龙
兔
虎
猫
百度网盘
|
360云盘
|
千易网盘
|
华为网盘
在新窗口页面中打开自己喜欢的网盘网站,将文件上传后,然后将下载链接复制到帖子内容中就可以了。
信息提示
关闭
请填处理意见
关闭
确定