| 查看: 358 | 回复: 2 | |
[求助]
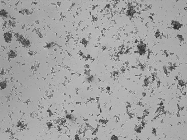
细胞中有晶状体,会导致细胞死亡,求各路大侠指导
|
|
|
|
|
mada1986木虫 (小有名气)
|
|
|
2楼2013-07-17 16:31:22
|
|
|
3楼2013-07-19 09:31:42
|
|













回复此楼