| 查看: 506 | 回复: 5 | |||
[交流]
求帮助组织鉴定 已有3人参与
|
|
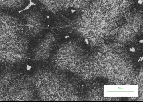
都为退火处理,第一张图片是880+760度等温退火,第二张是900度炉冷退火,第三张是1090正火后在760度等温退火。组织差别较大。求高手解答。 $L6H)TI)7SZZS]W`]6~TN8S.jpg JF1%O8RJP)L{O~51(BL6]]G.jpg 1HV{`0NXKX@{%O)X$D762U2.jpg |
» 猜你喜欢
求环氧树脂研发1名
已经有10人回复
280求调剂
已经有5人回复
什么是人一生最重要的?
已经有10人回复
面上可以超过30页吧?
已经有13人回复
网上报道青年教师午睡中猝死、熬夜猝死的越来越多,主要哪些原因引起的?
已经有10人回复
为什么中国大学工科教授们水了那么多所谓的顶会顶刊,但还是做不出宇树机器人?
已经有13人回复
版面费该交吗
已经有17人回复
【博士招生】太原理工大学2026化工博士
已经有8人回复
» 本主题相关价值贴推荐,对您同样有帮助:
奥氏体1Cr18Ni9Ti金相组织鉴别
已经有18人回复
求鉴定“International Materials Science Society ”这个组织的真伪
已经有11人回复
酰胺水解不反应求帮助。
已经有38人回复
低合金钢的金相组织图片鉴定及分析
已经有24人回复
怎么样运用组织切片技术来鉴定坏死的细胞呢??
已经有9人回复
2楼2013-04-18 13:49:43
3楼2013-04-18 14:03:45
4楼2013-04-18 14:04:57
5楼2013-04-18 15:32:13
6楼2013-04-19 14:13:02













回复此楼