版块导航
正在加载中...
客户端APP下载
论文辅导
调剂小程序
登录
注册
帖子
帖子
用户
本版
应《网络安全法》要求,自2017年10月1日起,未进行实名认证将不得使用互联网跟帖服务。为保障您的帐号能够正常使用,请尽快对帐号进行手机号验证,感谢您的理解与支持!
24小时热门版块排行榜
>
论坛更新日志
(4223)
>
虫友互识
(600)
>
导师招生
(560)
>
文献求助
(493)
>
休闲灌水
(253)
>
考研
(189)
>
考博
(173)
>
硕博家园
(165)
>
论文投稿
(102)
>
招聘信息布告栏
(92)
>
博后之家
(81)
>
基金申请
(79)
>
公派出国
(79)
>
教师之家
(76)
>
绿色求助(高悬赏)
(41)
>
SciFinder/Reaxys
(36)
小木虫论坛-学术科研互动平台
»
材料区
»
金属
»
交流互助
»
铸态纯铝晶界图片
2
1/1
返回列表
查看: 1035 | 回复: 1
只看楼主
@他人
存档
新回复提醒
(忽略)
收藏
在APP中查看
DoneSelf
新虫
(初入文坛)
应助: 0
(幼儿园)
金币: 18.4
帖子: 10
在线: 6小时
虫号: 1483707
[交流]
铸态纯铝晶界图片
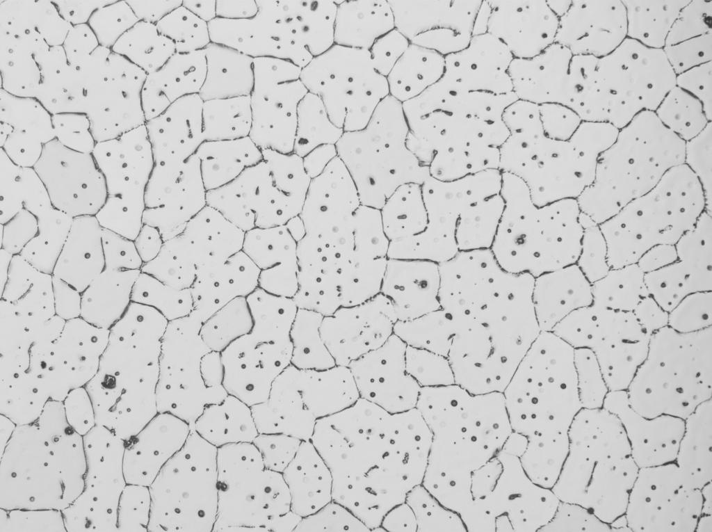
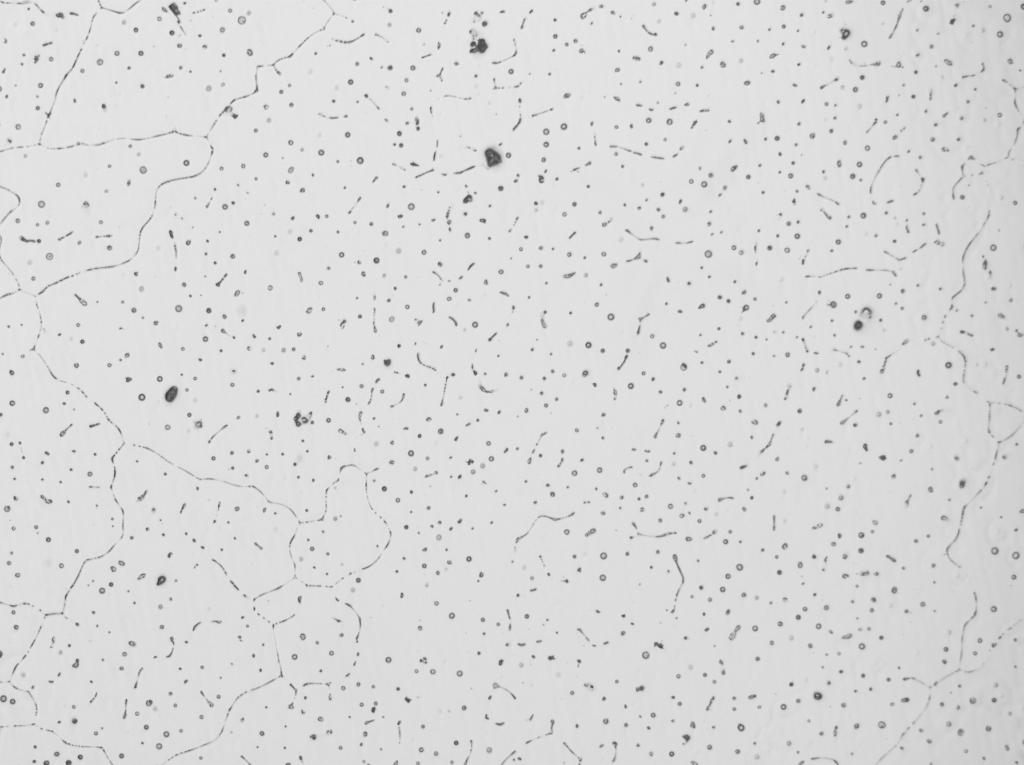
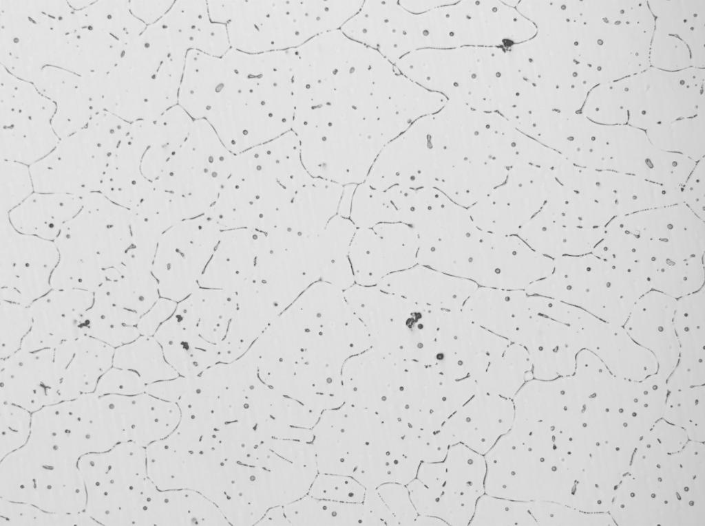
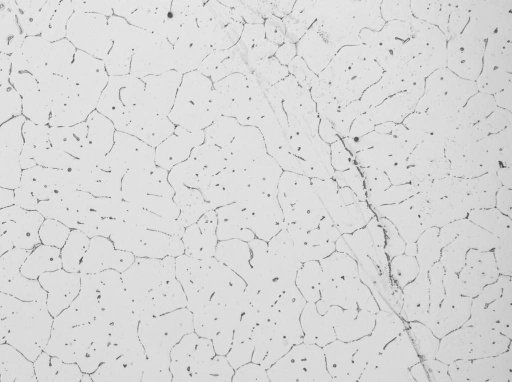
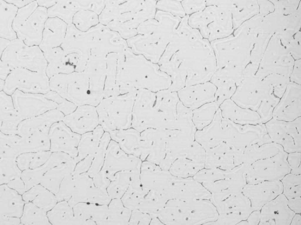
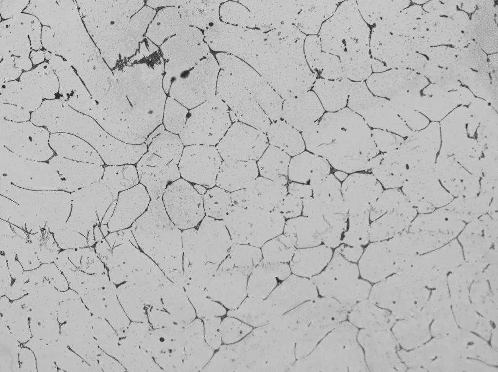
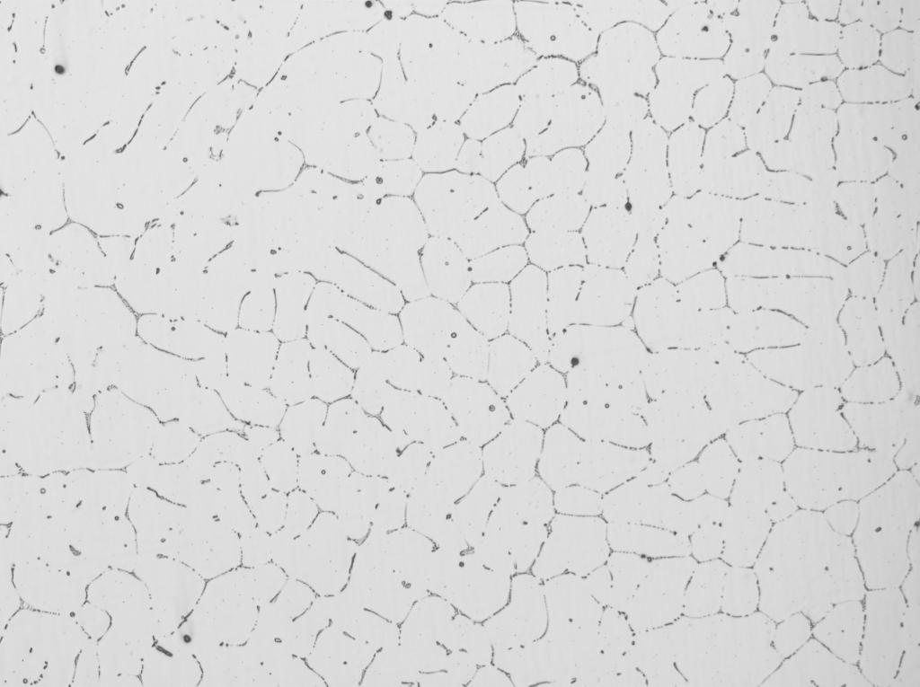
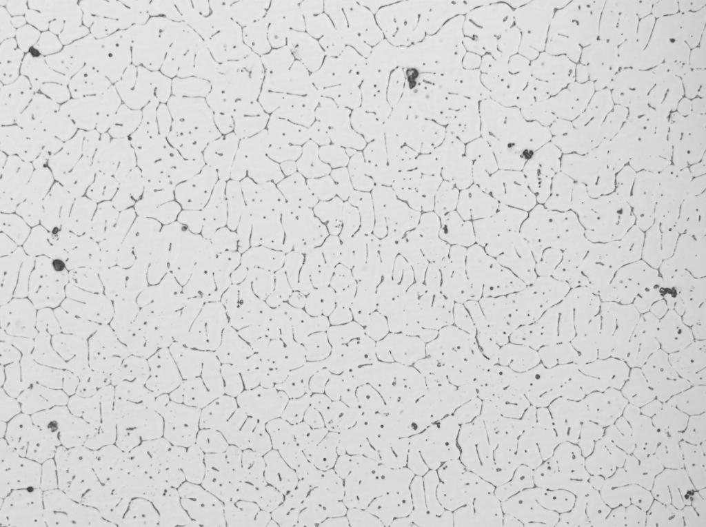
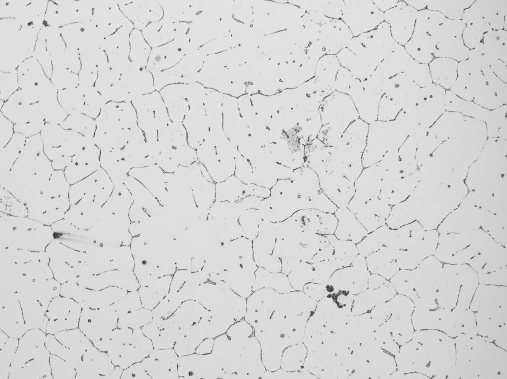
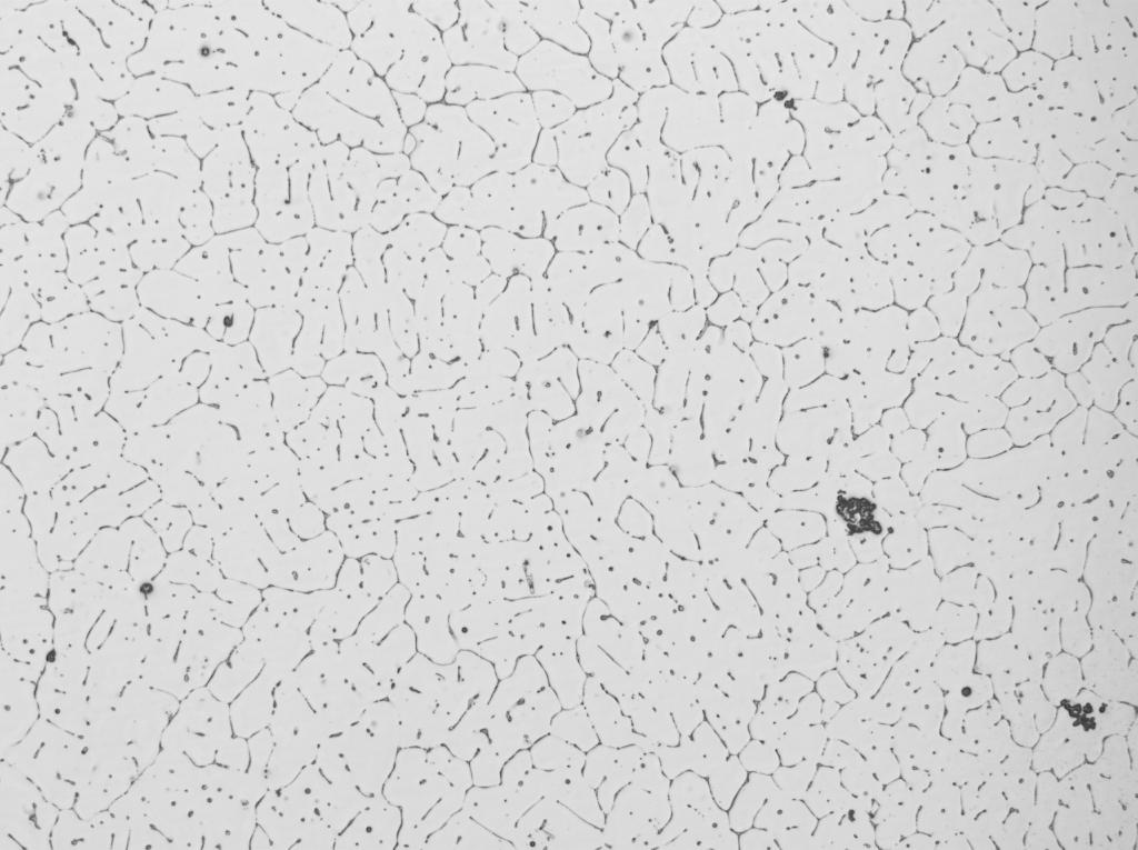
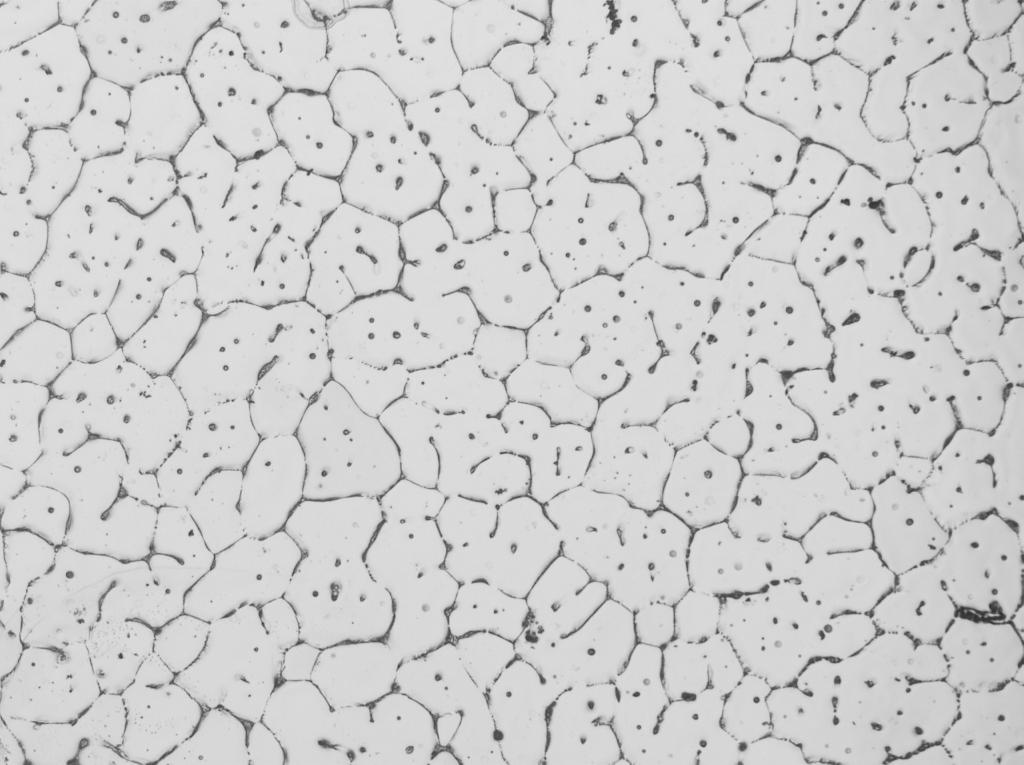
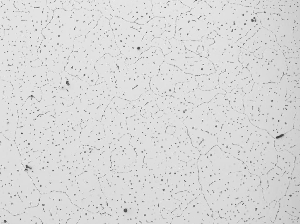
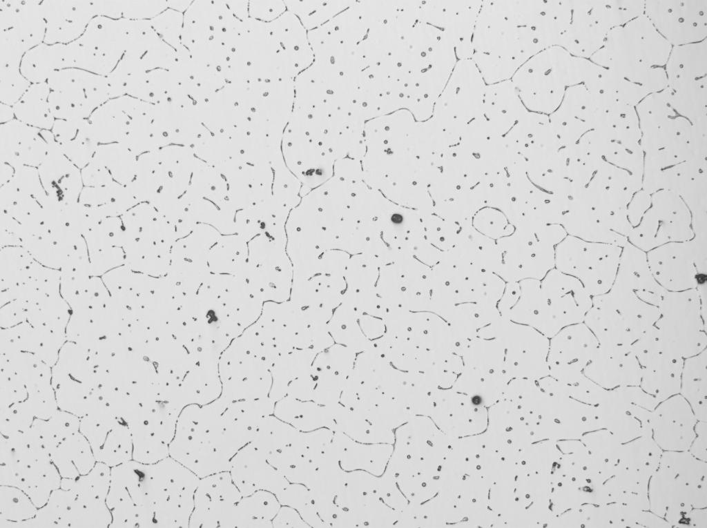
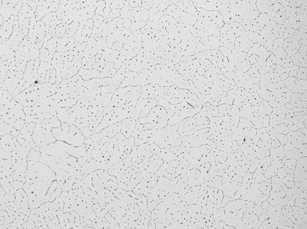
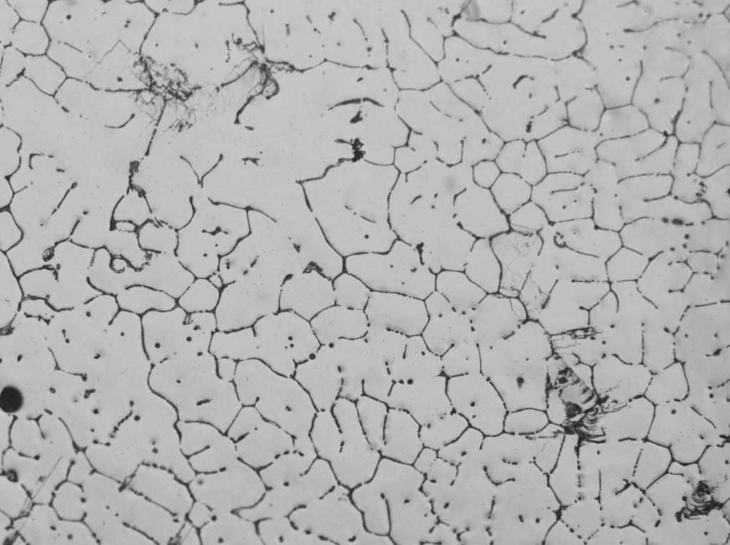
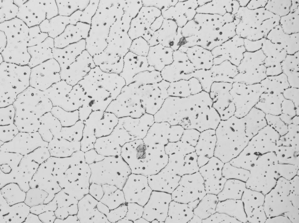
各位大侠,这是我最近做的纯铝(铝钛硼细化试验后)的图片,是按国标高氯酸酒精1:9的点解抛光液,40v,4A,15S电解后的图像,电解后样品表面基本光亮,但是有很小的亮点或黑点,显微镜下是黑色的点点,是不是点蚀?该怎么避免呢?还有发现腹膜(国标:硫磷混酸)后和电解后的没什么区别,另外,电解后的样品显微镜下很多都是长条状的晶体,这是电解太轻的原因吗?求各位赐教!前五张是覆膜后的,其它的只是电解抛光。
1-1.JPG
1-2.JPG
1-3.JPG
3-1.JPG
3-2.JPG
2-1.JPG
2-2.JPG
2-3.JPG
3-1.JPG
3-2.JPG
3-3.JPG
3-4.JPG
4-1.JPG
4-2.JPG
4-3.JPG
纯-1.JPG
纯-2.JPG
纯-3.JPG
回复此楼
» 猜你喜欢
面上可以超过30页吧?
已经有13人回复
网上报道青年教师午睡中猝死、熬夜猝死的越来越多,主要哪些原因引起的?
已经有10人回复
为什么中国大学工科教授们水了那么多所谓的顶会顶刊,但还是做不出宇树机器人?
已经有13人回复
什么是人一生最重要的?
已经有8人回复
版面费该交吗
已经有17人回复
体制内长辈说体制内绝大部分一辈子在底层,如同你们一样大部分普通教师忙且收入低
已经有19人回复
【博士招生】太原理工大学2026化工博士
已经有8人回复
280求调剂
已经有4人回复
高级回复
» 本主题相关价值贴推荐,对您同样有帮助:
铸态的AZ31镁合金均匀化热处理后出现孪晶!怎么解释,欢迎进来交流一下。。。
已经有27人回复
分析纯铝板退火晶界腐蚀图
已经有43人回复
» 抢金币啦!回帖就可以得到:
查看全部散金贴
单曲循环久了很多都会变
+
1
/399
87 年东北人定居苏州,诚寻携手余生的你
+
1
/162
寻找那个能让“稳定生活”变得“更有趣”的你
+
1
/162
长春工业大学化学工程学院招收26年硕士调剂生
+
1
/80
上海交通大学叶天南课题组招聘2026级博士研究生
+
1
/79
山东理工大学材料学院泰山学者青年专家招收2026年调剂硕士研究生
+
1
/78
26国自然面上,大家是否还写研究方案?
+
1
/71
吉林师范大学宽禁带半导体材料生长与器件实验室招收2026年入学申请考核制博士生4名
+
2
/62
博洛尼亚大学能源材料课题组2个博后位置招聘(PNRR & MSCA)
+
1
/60
澳门理工大学人工智能智慧康养方向26 年9月入学博士招生 奖学金
+
1
/30
中国科大-合肥国家实验室冷原子量子中继团队招聘启事
+
2
/30
211大学【2026学博】补招
+
1
/28
南京林业大学化工院勇强/赖晨欢教授团队招收申请考核制博士1名
+
1
/27
西安交通大学补亚忠课题组招聘统考硕士生
+
2
/16
坐标南京,高校老师,诚征女友
+
1
/12
【科研助理招聘-北京理工大学-集成电路与电子学院-国家杰青团队】
+
1
/10
【科研助理招聘-北京理工大学-集成电路与电子学院-国家杰青团队】
+
1
/7
广东工业大学-木质纤维素高值化利用团队招博士研究生
+
1
/5
青岛科技大学高分子学院--让我们一起做有趣的研究
+
1
/2
新加坡南洋理工大学- 光电/ 智能传感/ 脑机接口方向 博士后
+
1
/1
1楼
2013-03-15 19:49:56
已阅
回复此楼
关注TA
给TA发消息
送TA红花
TA的回帖
ysr665891
铁杆木虫
(正式写手)
应助: 64
(初中生)
金币: 7943.9
帖子: 464
在线: 98.2小时
虫号: 1404240
★
小木虫: 金币+0.5, 给个红包,谢谢回帖
金相基本正常属于,想进一步看黑色颗粒,倍率太小了
赞
一下
回复此楼
2楼
2013-07-11 10:28:17
已阅
回复此楼
关注TA
给TA发消息
送TA红花
TA的回帖
相关版块跳转
材料综合
材料工程
微米和纳米
晶体
金属
无机非金属
生物材料
功能材料
复合材料
我要订阅楼主
DoneSelf
的主题更新
2
1/1
返回列表
如果回帖内容含有宣传信息,请如实选中。否则帐号将被全论坛禁言
普通表情
龙
兔
虎
猫
高级回复
(可上传附件)
百度网盘
|
360云盘
|
千易网盘
|
华为网盘
在新窗口页面中打开自己喜欢的网盘网站,将文件上传后,然后将下载链接复制到帖子内容中就可以了。
信息提示
关闭
请填处理意见
关闭
确定