±±¾©Ê¯ÓÍ»¯¹¤Ñ§Ôº2026ÄêÑо¿ÉúÕÐÉú½ÓÊÕµ÷¼Á¹«¸æ
²é¿´: 467  |  »Ø¸´: 2

35848560

Í­³æ (СÓÐÃûÆø)

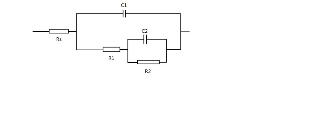
[ÇóÖú] Ä£Äâµç·µçÔª¼þ·ÖÎö

´ó¼Ò°ïÎÒ¿´¿´ Õâ¸öÄ£Äâµç·¸÷¸öÔª¼þ´ú±íʲô°¡£¿

µç·ͼ.png
»Ø¸´´ËÂ¥

» ²ÂÄãϲ»¶

» ±¾Ö÷ÌâÏà¹Ø¼ÛÖµÌùÍÆ¼ö£¬¶ÔÄúͬÑùÓаïÖú:

ÒÑÔÄ   »Ø¸´´ËÂ¥   ¹Ø×¢TA ¸øTA·¢ÏûÏ¢ ËÍTAºì»¨ TAµÄ»ØÌû

´×ÈË

ÖÁ×ðľ³æ (Ö°Òµ×÷¼Ò)

¡¾´ð°¸¡¿Ó¦Öú»ØÌû

¸Ðл²ÎÓ룬ӦÖúÖ¸Êý +1
»ù±¾µç·£¬²Ü³þÄÏ£¬µç»¯Ñ§×迹Æ×µ¼ÂÛ
¾«×¨Òµ¡¢Ç¿ÒâÖ¾¡¢×³ÉíÌå
2Â¥2013-03-06 21:53:32
ÒÑÔÄ   »Ø¸´´ËÂ¥   ¹Ø×¢TA ¸øTA·¢ÏûÏ¢ ËÍTAºì»¨ TAµÄ»ØÌû

bleachfog

Ìú³æ (³õÈëÎÄ̳)

¡¾´ð°¸¡¿Ó¦Öú»ØÌû

²»ÊǺÜÃ÷°×ʲôÒâ˼£¿ÄãÊÇÖ¸Õâ¸öµç·Æðµ½Ê²Ã´×÷Ó㬻¹ÊÇÕ⼸¸öµ¥¶ÀµÄÔª¼þÊÇʲô£¿C1C2ÊǵçÈÝ£¬R1R2RsÊǵç×è
3Â¥2013-03-29 17:46:33
ÒÑÔÄ   »Ø¸´´ËÂ¥   ¹Ø×¢TA ¸øTA·¢ÏûÏ¢ ËÍTAºì»¨ TAµÄ»ØÌû
Ïà¹Ø°æ¿éÌø×ª ÎÒÒª¶©ÔÄÂ¥Ö÷ 35848560 µÄÖ÷Ìâ¸üÐÂ
×î¾ßÈËÆøÈÈÌûÍÆ¼ö [²é¿´È«²¿] ×÷Õß »Ø/¿´ ×îºó·¢±í
[¿¼ÑÐ] ѧ˶»¯Ñ§¹¤³ÌÓë¼¼Êõ£¬Ò»Ö¾Ô¸Öйúº£Ñó´óѧ320+Çóµ÷¼Á +7 ÅûÐÇºÓ 2026-04-02 7/350 2026-04-02 13:48 by ÐÇ¿ÕÐÇÔÂ
[¿¼ÑÐ] 310Çóµ÷¼Á +12 ÕùÈ¡¾Åµã˯ 2026-03-30 12/600 2026-04-02 13:07 by –¹Æ?
[¿¼ÑÐ] 262Çóµ÷¼Á +5 ÀøÖ¾Ò»¶¨·¢ÎÄÕ 2026-04-02 6/300 2026-04-02 12:51 by yulian1987
[¿¼ÑÐ] ²ÄÁÏ¿¼Ñе÷¼Á +9 Gs´óÍõ 2026-04-02 9/450 2026-04-02 10:24 by olim
[¿¼ÑÐ] 337Çóµ÷¼Á +11 ¡¶Ê÷¡· 2026-03-29 11/550 2026-04-02 10:20 by ²»³Ôô~µÄ؈
[¿¼ÑÐ] 282Çóµ÷¼Á +17 ycy1201 2026-04-01 19/950 2026-04-01 22:54 by peike
[¿¼ÑÐ] 349Çóµ÷¼Á +6 ³ÔµÄ²»ÉÙ 2026-04-01 6/300 2026-04-01 17:55 by JYD2011
[¿¼ÑÐ] 324Çóµ÷¼Á +10 hanamiko 2026-03-26 12/600 2026-04-01 16:59 by oooqiao
[¿¼ÑÐ] Ò»Ö¾Ô¸ ÄϾ©º½¿Õº½Ìì´óѧ £¬080500²ÄÁÏ¿ÆÑ§Ó빤³Ìѧ˶ +7 @taotao 2026-03-30 7/350 2026-04-01 14:30 by chenqifeng666
[¿¼ÑÐ] Ò»Ö¾Ô¸ÖÐÅ©0710ÉúÎïѧ£¬Î¢ÉúÎï·½Ïò×Ü·Ö338Çóµ÷¼Á +3 Æâxxxx. 2026-03-26 3/150 2026-04-01 12:30 by ±ùÎÚÁú
[¿¼ÑÐ] ²ÄÁϹ¤³Ì085601Êý¶þÓ¢Ò»335Çóµ÷¼Á +5 Ë«ÂíβƦÀϰå2 2026-03-31 5/250 2026-03-31 19:07 by Wang200018
[¿¼ÑÐ] ºÏ·ÊÇøÓòÐÔÖØµãÒ»±¾ÕÐÊÕµ÷¼Á +4 6266jl 2026-03-30 8/400 2026-03-31 18:43 by 6266jl
[¿¼ÑÐ] 299Çóµ÷¼Á +8 àÅàÅàÅàÅ2 2026-03-27 8/400 2026-03-31 18:23 by lizhi8172
[¿¼ÑÐ] 085404 22408 315·Ö +5 zhuangyan123 2026-03-31 6/300 2026-03-31 13:48 by limeifeng
[¿¼ÑÐ] 0703»¯Ñ§ +20 ÄÝÄÝninicgb 2026-03-27 20/1000 2026-03-31 13:33 by Î޼ʵIJÝÔ­
[¿¼ÑÐ] 287Çóµ÷¼Á +17 land xuxu 2026-03-26 17/850 2026-03-31 11:16 by Zzxxxs
[¿¼ÑÐ] 269Çóµ÷¼Á +4 ÎÒÏë¶ÁÑÐ11 2026-03-31 4/200 2026-03-31 10:04 by cal0306
[¿¼ÑÐ] ±¾¿Æ211×Ü·Ö289£¬08¹¤Ñ§ÕæÐÄÇóµ÷¼Á +3 utopiaE 2026-03-30 3/150 2026-03-30 23:42 by ms629
[¿¼ÑÐ] 297 µØÀíѧ070500 ¸´ÊÔÇóµ÷¼Á +3 СԲȦȦooo 2026-03-30 3/150 2026-03-30 21:05 by ÓàÕðyz
[¿¼ÑÐ] Ò»Ö¾Ô¸»ªÖÐʦ·¶»¯Ñ§332·ÖÇóµ÷¼Á +3 Lyy930824@ 2026-03-29 3/150 2026-03-30 20:15 by DHUSHUAI
ÐÅÏ¢Ìáʾ
ÇëÌî´¦ÀíÒâ¼û