| ²é¿´: 1763 | »Ø¸´: 14 | ||
ƮƮСȻгæ (³õÈëÎÄ̳)
|
[ÇóÖú]
7050ÂÁºÏ½ð½ðÏàµÄÖÆ±¸ ÒÑÓÐ2È˲ÎÓë
|
|
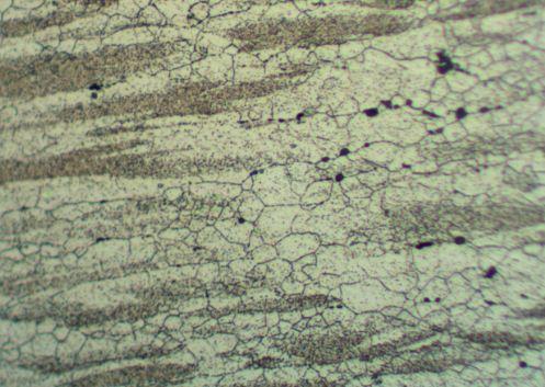
ÎÒʹÓÃ10%µÄÇâÑõ»¯ÄÆÈÜÒºÇÖÊ´3·ÖÖÓ×óÓÒ£¬È»ºóÓÃÏ¡ÏõËáÇåÏ´ µÃµ½ÁËÏÂͼ ËäÈ»¾§½ç³öÀ´ÁË£¬µ«ÊÇÒ²³öÏÖÃÜÃÜÂéÂéµÄºÚµã£¬ÕâÊÇÔõô»ØÊ ÄÜÇåÏ´µôÂ𣿣¿ »ñ.JPG |
» ²ÂÄãϲ»¶
296Çóµ÷¼Á
ÒѾÓÐ7È˻ظ´
302Çóµ÷¼Á
ÒѾÓÐ4È˻ظ´
086000ÉúÎïÓëÒ½Ò©292Çóµ÷¼Á
ÒѾÓÐ5È˻ظ´
±±¿Æ281ѧ˶²ÄÁÏÇóµ÷¼Á
ÒѾÓÐ14È˻ظ´
²ÄÁÏÓ뻯¹¤ 322Çóµ÷¼Á
ÒѾÓÐ5È˻ظ´
333Çóµ÷¼Á
ÒѾÓÐ11È˻ظ´
²ÄÁÏר˶ 335 ·ÖÇóµ÷¼Á
ÒѾÓÐ3È˻ظ´
07»¯Ñ§303Çóµ÷¼Á
ÒѾÓÐ3È˻ظ´
289Çóµ÷¼Á
ÒѾÓÐ11È˻ظ´
ÍøÂç¿Õ¼ä°²È«0839Õе÷¼Á
ÒѾÓÐ5È˻ظ´
qdcd
ͳæ (СÓÐÃûÆø)
- Ó¦Öú: 5 (Ó×¶ùÔ°)
- ½ð±Ò: 249.4
- ºì»¨: 1
- Ìû×Ó: 225
- ÔÚÏß: 69.1Сʱ
- ³æºÅ: 763222
- ×¢²á: 2009-05-05
- רҵ: ½ðÊô½á¹¹²ÄÁÏ
2Â¥2013-01-10 23:12:16
wolfghost
°æÖ÷ (ÖªÃû×÷¼Ò)
- Ó¦Öú: 101 (¸ßÖÐÉú)
- ¹ó±ö: 7.987
- ½ð±Ò: 36647.2
- É¢½ð: 11283
- ºì»¨: 198
- ɳ·¢: 8
- Ìû×Ó: 7791
- ÔÚÏß: 1298Сʱ
- ³æºÅ: 573180
- ×¢²á: 2008-06-13
- ÐÔ±ð: GG
- רҵ: µç»¯Ñ§
- ¹ÜϽ: Óн±ÎÊ´ð

3Â¥2013-01-11 00:15:55
Ä£ºýµÄСʱºò
ľ³æ (ÖøÃûдÊÖ)
ûÓÐÆ×µÄÊÂ
- Ó¦Öú: 28 (СѧÉú)
- ½ð±Ò: 2761.9
- ºì»¨: 1
- Ìû×Ó: 1008
- ÔÚÏß: 90.7Сʱ
- ³æºÅ: 515977
- ×¢²á: 2008-03-02
- ÐÔ±ð: GG
- רҵ: ½ðÊô²ÄÁϱíÃæ¿ÆÑ§Ó빤³Ì
4Â¥2013-01-11 08:20:46
ƮƮСȻ
гæ (³õÈëÎÄ̳)
- Ó¦Öú: 0 (Ó×¶ùÔ°)
- ½ð±Ò: 61
- Ìû×Ó: 24
- ÔÚÏß: 12.4Сʱ
- ³æºÅ: 2056281
- ×¢²á: 2012-10-12
- רҵ: ģʽʶ±ð
5Â¥2013-01-11 09:52:05
ƮƮСȻ
гæ (³õÈëÎÄ̳)
- Ó¦Öú: 0 (Ó×¶ùÔ°)
- ½ð±Ò: 61
- Ìû×Ó: 24
- ÔÚÏß: 12.4Сʱ
- ³æºÅ: 2056281
- ×¢²á: 2012-10-12
- רҵ: ģʽʶ±ð
6Â¥2013-01-11 09:53:06
yzyz0116
½ð³æ (ÕýʽдÊÖ)
- Ó¦Öú: 21 (СѧÉú)
- ½ð±Ò: 1609.9
- ºì»¨: 1
- Ìû×Ó: 379
- ÔÚÏß: 136.2Сʱ
- ³æºÅ: 2225045
- ×¢²á: 2013-01-06
- ÐÔ±ð: GG
- רҵ: ½ðÊô²ÄÁϵÄÖÆ±¸¿ÆÑ§Óë¿çѧ

7Â¥2013-01-11 12:58:59
ƮƮСȻ
гæ (³õÈëÎÄ̳)
- Ó¦Öú: 0 (Ó×¶ùÔ°)
- ½ð±Ò: 61
- Ìû×Ó: 24
- ÔÚÏß: 12.4Сʱ
- ³æºÅ: 2056281
- ×¢²á: 2012-10-12
- רҵ: ģʽʶ±ð
8Â¥2013-01-11 14:03:12
ƮƮСȻ
гæ (³õÈëÎÄ̳)
- Ó¦Öú: 0 (Ó×¶ùÔ°)
- ½ð±Ò: 61
- Ìû×Ó: 24
- ÔÚÏß: 12.4Сʱ
- ³æºÅ: 2056281
- ×¢²á: 2012-10-12
- רҵ: ģʽʶ±ð
9Â¥2013-01-14 10:33:36
ƮƮСȻ
гæ (³õÈëÎÄ̳)
- Ó¦Öú: 0 (Ó×¶ùÔ°)
- ½ð±Ò: 61
- Ìû×Ó: 24
- ÔÚÏß: 12.4Сʱ
- ³æºÅ: 2056281
- ×¢²á: 2012-10-12
- רҵ: ģʽʶ±ð
10Â¥2013-03-21 14:12:30













»Ø¸´´ËÂ¥