| 查看: 415 | 回复: 2 | ||
zhaopinfxm银虫 (初入文坛)
|
[求助]
表面晶体的观察
|
|
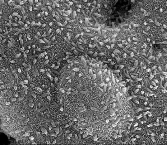
求助,一下是我在钛片表面应用微弧氧化水热后处理形成的表面结构的 SEM观察,在小孔的周围散在分布有针状或棒状的HA晶体,但大小不一样。因为我不是这个专业的,材料也是找人帮加工的,所以想求助一下:怎样描述表面的HA晶体比较专业全面,比较大的成编制状的结构是什么,谢谢各位。 捕获3.JPG 捕获.2JPG.JPG 捕获.JPG |
» 猜你喜欢
中南大学易小艺课题组诚招2026申请-考核制博士生
已经有0人回复
海南师范大学招收化学博士(光电功能材料课题组招收博士研究生)
已经有11人回复
无机化学论文润色/翻译怎么收费?
已经有50人回复
求助几个团簇的cif
已经有0人回复
急求该反应的详细机理
已经有5人回复
【Ei | Scopus 双检索】2026年智能交通与未来出行国际会议(CSTFM 2026)
已经有0人回复
【EI|Scopus 双检索】2026年第六届机器人与人工智能国际会议(JCRAI 2026)
已经有0人回复
zotero的advanced material模板没有更新,有人有新版的cls文件吗
已经有2人回复
【高校联合举办】2026年第五届服务机器人国际会议(ICoSR 2026)
已经有0人回复
» 本主题相关商家推荐: (我也要在这里推广)

2楼2012-12-21 22:52:01
hedonistful
至尊木虫 (著名写手)
- 应助: 21 (小学生)
- 金币: 10307.3
- 散金: 29
- 红花: 3
- 帖子: 1212
- 在线: 662.2小时
- 虫号: 389738
- 注册: 2007-06-01
- 专业: 无机非金属类光电信息与功

3楼2012-12-22 09:20:30













回复此楼