| 查看: 520 | 回复: 2 | |
[求助]
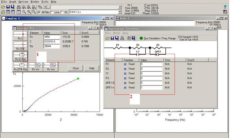
新手求助Zplot 阻抗拟合
|
|
|
|
|
|
2楼2012-08-24 20:42:35
|
|
|
3楼2012-08-25 09:13:35
|
|













回复此楼