| 查看: 663 | 回复: 1 | ||
凡尘清泉铁杆木虫 (著名写手)
|
[求助]
求助各位步进电机驱动器与单片机的接线问题
|
|
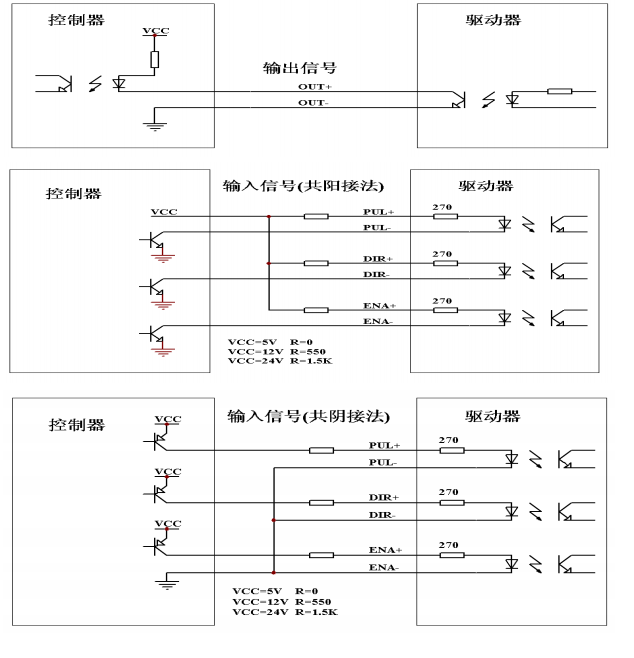
各位同学好,想请教一下单片机和步进电机驱动器的接线问题,我买了个步进电机和步进电机驱动器,想用pic16f877a单片机进行控制,但不知道应该怎么设计电路板和怎么接线,请教各位啊 附图是步进电机驱动器说明书上的图片,请问各位,比如说我使用共阳接法,图中控制器框里的三个三极管是不是需要设计在电路板上?然后单片机的I/O接到三极管的基极?还有图中最上方的那个接线是什么意思?谢谢各位啦 |
» 猜你喜欢
2026锡箔片推荐企业/供应商/哪家做得好/哪个品牌好?
已经有0人回复
【2026】氧化铜颗粒推荐供应商/哪家强/代理商,氧化铜颗粒供货商有哪些?哪家好?
已经有0人回复
金属材料论文润色/翻译怎么收费?
已经有255人回复
2026年锡箔片推荐企业/供应商/哪家做得好/哪个品牌好
已经有1人回复
杭州精浩超声波搅拌机 —— 纳米材料搅拌 “神器”,20 分钟搞定之前 1 小时的活!
已经有2人回复
南方科技大学机械与能源工程系-邓辉研究员招收2026级博士生
已经有0人回复
2026锡制固体/锡制液体推荐企业/供应商/推荐品牌
已经有0人回复
金属求博导
已经有6人回复
提高合金高温性能
已经有0人回复
南方科技大学机械与能源工程系-邓辉研究员招收2026级博士生
已经有0人回复
» 本主题相关价值贴推荐,对您同样有帮助:
【求助】催化剂压片成型的问题
已经有23人回复
【求助】求助合成哑铃状的Au-Fe3O4的方法,
已经有11人回复
日本步进电机驱动器怎么供电?
已经有4人回复
【求助】气体小分子在聚合物中的扩散问题
已经有35人回复
【求助】牛人们,帮帮我,回答几道小问题!!!请快点!!
已经有5人回复
【求助】急问怎么抽走反应瓶中甲苯溶剂中的少量氧气而甲苯不抽走?
已经有17人回复
【求助】关于镍复合镀层的问题
已经有5人回复

2楼2013-06-04 11:00:13













回复此楼