±±¾©Ê¯ÓÍ»¯¹¤Ñ§Ôº2026ÄêÑо¿ÉúÕÐÉú½ÓÊÕµ÷¼Á¹«¸æ
²é¿´: 2421  |  »Ø¸´: 26

576307116

Ìú³æ (³õÈëÎÄ̳)


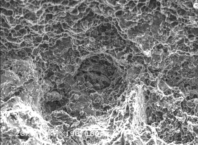
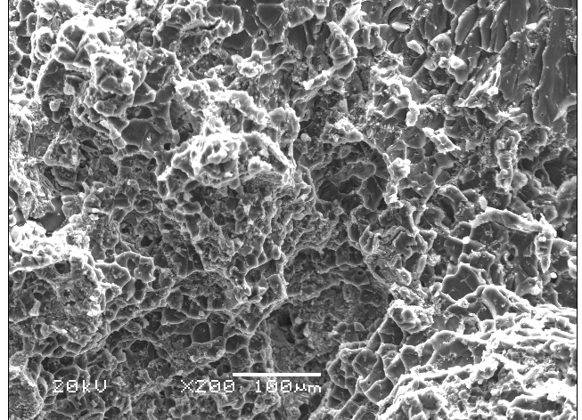
[½»Á÷] Mg-LiºÏ½ðµÄɨÃèͼÏñ·ÖÎö

¸Õ×öÍêɨÃèµç¾µ£¬¸½ÓÐͼƬ£¬Æø¿×¼ÐÔÓÌ«¶à£¬ÈçºÎ¸Ä½ø ¼°¾ßÌ幤ÒÕ£¬Çó¸ßÊÖÖ¸µã


















»Ø¸´´ËÂ¥

» ²ÂÄãϲ»¶

» ±¾Ö÷ÌâÏà¹Ø¼ÛÖµÌùÍÆ¼ö£¬¶ÔÄúͬÑùÓаïÖú:

» ÇÀ½ð±ÒÀ²£¡»ØÌû¾Í¿ÉÒԵõ½:

²é¿´È«²¿É¢½ðÌù

ÒÑÔÄ   »Ø¸´´ËÂ¥   ¹Ø×¢TA ¸øTA·¢ÏûÏ¢ ËÍTAºì»¨ TAµÄ»ØÌû

xx5260

Í­³æ (СÓÐÃûÆø)


¡ï ¡ï
Сľ³æ: ½ð±Ò+0.5, ¸ø¸öºì°ü£¬Ð»Ð»»ØÌû
576307116: ½ð±Ò+1 2012-07-19 20:54:44
youmengren: ¸Ðл½»Á÷ 2012-07-19 20:59:59
ÄÚÈÝÒÑɾ³ý
3Â¥2012-07-19 20:52:14
ÒÑÔÄ   »Ø¸´´ËÂ¥   ¹Ø×¢TA ¸øTA·¢ÏûÏ¢ ËÍTAºì»¨ TAµÄ»ØÌû

576307116

Ìú³æ (³õÈëÎÄ̳)


ÒýÓûØÌû:
3Â¥: Originally posted by xx5260 at 2012-07-19 20:52:14
Â¥Ö÷µÄͼƬÔõôÄÇôÏñ¶Ë¿ÚÐÎò°¡¡£¡££¬ÁíÍâ£¬Æø¿×ÔÓÖ¾¶àµÄ»°±ûͪϴһÏ»᲻»áºÃµã¡£

¾ÍÊǶϿÚɨÃè°¡£¡
Õû¸ö³É·Ö¶¼ÊÇ£¬ÎÒÊÇ˵ ÔÙ´ÎÈÛÁ¶µÄ»°ÐèҪʲô¸Ä½ø
4Â¥2012-07-19 20:54:36
ÒÑÔÄ   »Ø¸´´ËÂ¥   ¹Ø×¢TA ¸øTA·¢ÏûÏ¢ ËÍTAºì»¨ TAµÄ»ØÌû

½×¼¶¶þ´ú

½ð³æ (ÕýʽдÊÖ)


¡ï ¡ï
Сľ³æ: ½ð±Ò+0.5, ¸ø¸öºì°ü£¬Ð»Ð»»ØÌû
576307116: ½ð±Ò+1 2012-07-20 13:45:27
youmengren: ¸Ðл½»Á÷ 2012-07-21 09:42:27
¾ßÌåµÄÈÛÁ¶·½·¨ÊÇÔõÑùµÄ Òª²»Ôõô¸Ä½ø ²»»áÊÇÕæ¿ÕÈÛÁ¶°É Mg-LiµÄÓ¦¸ÃºÜÈÝÒ×ȼÉÕ°É Òª²»¾ÍÊÇÓÃÖмäºÏ½ð
5Â¥2012-07-19 21:33:58
ÒÑÔÄ   »Ø¸´´ËÂ¥   ¹Ø×¢TA ¸øTA·¢ÏûÏ¢ ËÍTAºì»¨ TAµÄ»ØÌû

hrbxiaoliu

ľ³æ (ÕýʽдÊÖ)


¡ï ¡ï
Сľ³æ: ½ð±Ò+0.5, ¸ø¸öºì°ü£¬Ð»Ð»»ØÌû
576307116: ½ð±Ò+1 2012-07-20 13:45:21
youmengren: ¸Ðл½»Á÷ 2012-07-21 09:42:33
ºÏ½ðµÄ¼Ó¹¤×´Ì¬ËµÒ»Ï£¬ÁíÍ⣬Çë½ÌÒ»ÏÂÔõôÅÐ¶ÏÆø¿×µÄ£¿
6Â¥2012-07-20 06:26:55
ÒÑÔÄ   »Ø¸´´ËÂ¥   ¹Ø×¢TA ¸øTA·¢ÏûÏ¢ ËÍTAºì»¨ TAµÄ»ØÌû

mlanqiang

ľ³æÖ®Íõ (ÎÄѧ̩¶·)


¡ï ¡ï
Сľ³æ: ½ð±Ò+0.5, ¸ø¸öºì°ü£¬Ð»Ð»»ØÌû
576307116: ½ð±Ò+1 2012-07-20 13:45:18
Ê×ÏÈÐèÒªÅÐ¶ÏÆø¿×ÔõôÒýÆðµÄ£¿£¿
7Â¥2012-07-20 06:56:20
ÒÑÔÄ   »Ø¸´´ËÂ¥   ¹Ø×¢TA ¸øTA·¢ÏûÏ¢ ËÍTAºì»¨ TAµÄ»ØÌû

ngwang

ľ³æ (ÖøÃûдÊÖ)


¡ï ¡ï
Сľ³æ: ½ð±Ò+0.5, ¸ø¸öºì°ü£¬Ð»Ð»»ØÌû
576307116: ½ð±Ò+1 2012-07-20 13:45:14
ÈÛÁ¶µÄʱºòÍ¨ë²Æø£¬³ýÆø¡£
8Â¥2012-07-20 07:48:07
ÒÑÔÄ   »Ø¸´´ËÂ¥   ¹Ø×¢TA ¸øTA·¢ÏûÏ¢ ËÍTAºì»¨ TAµÄ»ØÌû

xx5260

Í­³æ (СÓÐÃûÆø)


¡ï ¡ï
Сľ³æ: ½ð±Ò+0.5, ¸ø¸öºì°ü£¬Ð»Ð»»ØÌû
576307116: ½ð±Ò+1 2012-07-20 13:45:11
ÒýÓûØÌû:
8Â¥: Originally posted by ngwang at 2012-07-20 07:48:07
ÈÛÁ¶µÄʱºòÍ¨ë²Æø£¬³ýÆø¡£

±íÃæ¼Ó¸²¸Ç¼Á£¨¶ÔÈÛÁ¶³É·ÖµÄÓ°Ï쾡Á¿Ð¡£©£¬ÔÙͨAR
9Â¥2012-07-20 11:17:30
ÒÑÔÄ   »Ø¸´´ËÂ¥   ¹Ø×¢TA ¸øTA·¢ÏûÏ¢ ËÍTAºì»¨ TAµÄ»ØÌû

576307116

Ìú³æ (³õÈëÎÄ̳)


ÒýÓûØÌû:
5Â¥: Originally posted by ½×¼¶¶þ´ú at 2012-07-19 21:33:58
¾ßÌåµÄÈÛÁ¶·½·¨ÊÇÔõÑùµÄ Òª²»Ôõô¸Ä½ø ²»»áÊÇÕæ¿ÕÈÛÁ¶°É Mg-LiµÄÓ¦¸ÃºÜÈÝÒ×ȼÉÕ°É Òª²»¾ÍÊÇÓÃÖмäºÏ½ð

¿Ï¶¨ÊÇÕæ¿ÕÈÛÁ¶£¬¾ÍÊÇÕæ¿Õ¶ÈÓеãµÍ£¬¹À¼ÆÑõº¬Á¿¸ßÁË
10Â¥2012-07-20 13:42:44
ÒÑÔÄ   »Ø¸´´ËÂ¥   ¹Ø×¢TA ¸øTA·¢ÏûÏ¢ ËÍTAºì»¨ TAµÄ»ØÌû

576307116

Ìú³æ (³õÈëÎÄ̳)


ÒýÓûØÌû:
6Â¥: Originally posted by hrbxiaoliu at 2012-07-20 06:26:55
ºÏ½ðµÄ¼Ó¹¤×´Ì¬ËµÒ»Ï£¬ÁíÍ⣬Çë½ÌÒ»ÏÂÔõôÅÐ¶ÏÆø¿×µÄ£¿

ÕâÊÇÖý̬ºÍÍË»ð̬µÄ
11Â¥2012-07-20 13:43:12
ÒÑÔÄ   »Ø¸´´ËÂ¥   ¹Ø×¢TA ¸øTA·¢ÏûÏ¢ ËÍTAºì»¨ TAµÄ»ØÌû

576307116

Ìú³æ (³õÈëÎÄ̳)


youmengren: ¸Ðл½»Á÷ 2012-07-21 09:42:55
ÒýÓûØÌû:
8Â¥: Originally posted by ngwang at 2012-07-20 07:48:07
ÈÛÁ¶µÄʱºòÍ¨ë²Æø£¬³ýÆø¡£

Õæ¿ÕÈÛÁ¶ ͨµÄÊÇë²Æø£¬Õæ¿Õ¿Ï¶¨ÓеÄ
12Â¥2012-07-20 13:43:53
ÒÑÔÄ   »Ø¸´´ËÂ¥   ¹Ø×¢TA ¸øTA·¢ÏûÏ¢ ËÍTAºì»¨ TAµÄ»ØÌû

576307116

Ìú³æ (³õÈëÎÄ̳)


ÒýÓûØÌû:
7Â¥: Originally posted by mlanqiang at 2012-07-20 06:56:20
Ê×ÏÈÐèÒªÅÐ¶ÏÆø¿×ÔõôÒýÆðµÄ£¿£¿

½½Öþʱ ÓÃÁËÒ»²ã¸ÖË¿Íø µ±ÂËÍø£¬²»ÖªÓ°Ïì´ó²»
13Â¥2012-07-20 13:44:38
ÒÑÔÄ   »Ø¸´´ËÂ¥   ¹Ø×¢TA ¸øTA·¢ÏûÏ¢ ËÍTAºì»¨ TAµÄ»ØÌû

576307116

Ìú³æ (³õÈëÎÄ̳)


ÒýÓûØÌû:
9Â¥: Originally posted by xx5260 at 2012-07-20 11:17:30
±íÃæ¼Ó¸²¸Ç¼Á£¨¶ÔÈÛÁ¶³É·ÖµÄÓ°Ï쾡Á¿Ð¡£©£¬ÔÙͨAR...

Õâ¸öûÓÐÓà ¾ÍÊdzéÕæ¿Õ
14Â¥2012-07-20 13:45:08
ÒÑÔÄ   »Ø¸´´ËÂ¥   ¹Ø×¢TA ¸øTA·¢ÏûÏ¢ ËÍTAºì»¨ TAµÄ»ØÌû

hljhrb_ccl

½ð³æ (ÖøÃûдÊÖ)


¡ï
Сľ³æ: ½ð±Ò+0.5, ¸ø¸öºì°ü£¬Ð»Ð»»ØÌû
½½×¢¹¤ÒÕºÜÖØÒª£¬ÇëÎÊÄãʹÓõÄÄ£¾ßÊÇʲôÑùµÄ£¿ÁíÍ⣬Î񼆼̮æµÄÊÇ£¬Õâ¸öɨÃèÕÕÆ¬ºÍÎÒÃÇѧУµÄºÜÏñ¡£ÄãÊÇÄĸöѧУµÄ£¿
15Â¥2012-07-20 14:12:10
ÒÑÔÄ   »Ø¸´´ËÂ¥   ¹Ø×¢TA ¸øTA·¢ÏûÏ¢ ËÍTAºì»¨ TAµÄ»ØÌû

yanzongwei

½û³æ (ÖøÃûдÊÖ)

±¾ÌûÄÚÈݱ»ÆÁ±Î

16Â¥2012-07-20 14:14:13
ÒÑÔÄ   »Ø¸´´ËÂ¥   ¹Ø×¢TA ¸øTA·¢ÏûÏ¢ ËÍTAºì»¨ TAµÄ»ØÌû

576307116

Ìú³æ (³õÈëÎÄ̳)


ÒýÓûØÌû:
15Â¥: Originally posted by hljhrb_ccl at 2012-07-20 14:12:10
½½×¢¹¤ÒÕºÜÖØÒª£¬ÇëÎÊÄãʹÓõÄÄ£¾ßÊÇʲôÑùµÄ£¿ÁíÍ⣬Î񼆼̮æµÄÊÇ£¬Õâ¸öɨÃèÕÕÆ¬ºÍÎÒÃÇѧУµÄºÜÏñ¡£ÄãÊÇÄĸöѧУµÄ£¿

ʹÓõÄÊǸÖÄ££¬ÊÔÑùÊÇÔ²°ô×´µÄ£¬ÄĸöɨÃèµç¾µÍ¼Æ¬²»Ò»Ñù£¿£¿
17Â¥2012-07-20 17:40:38
ÒÑÔÄ   »Ø¸´´ËÂ¥   ¹Ø×¢TA ¸øTA·¢ÏûÏ¢ ËÍTAºì»¨ TAµÄ»ØÌû

hljhrb_ccl

½ð³æ (ÖøÃûдÊÖ)


¡ï
Сľ³æ: ½ð±Ò+0.5, ¸ø¸öºì°ü£¬Ð»Ð»»ØÌû
ÕÕÆ¬µÄ±ê³ßºÍÎÒÃǵÄÒ»Ñù£¡
18Â¥2012-07-21 09:47:23
ÒÑÔÄ   »Ø¸´´ËÂ¥   ¹Ø×¢TA ¸øTA·¢ÏûÏ¢ ËÍTAºì»¨ TAµÄ»ØÌû

abbott1515

½û³æ (СÓÐÃûÆø)

¡ï
Сľ³æ: ½ð±Ò+0.5, ¸ø¸öºì°ü£¬Ð»Ð»»ØÌû
±¾ÌûÄÚÈݱ»ÆÁ±Î

19Â¥2012-07-21 16:33:28
ÒÑÔÄ   »Ø¸´´ËÂ¥   ¹Ø×¢TA ¸øTA·¢ÏûÏ¢ ËÍTAºì»¨ TAµÄ»ØÌû

576307116

Ìú³æ (³õÈëÎÄ̳)


ÒýÓûØÌû:
19Â¥: Originally posted by abbott1515 at 2012-07-21 16:33:28
Ôõô¸Ð¾õûÓÐÄ¥Ò»Ñù°¡

¶Ï¿Ú»¹Ä¥Ê²Ã´£¿£¿
20Â¥2012-07-21 19:54:50
ÒÑÔÄ   »Ø¸´´ËÂ¥   ¹Ø×¢TA ¸øTA·¢ÏûÏ¢ ËÍTAºì»¨ TAµÄ»ØÌû

¹ú²ú¿Æ±È

ľ³æ (ÖøÃûдÊÖ)


¡ï
Сľ³æ: ½ð±Ò+0.5, ¸ø¸öºì°ü£¬Ð»Ð»»ØÌû
Â¥Ö÷ûÓÃÕæ¿ÕÈÛÁ¶£¿ ÄǾÍÊÇÈÛÁ¶¹ý³ÌÖдóÁ¿µÄþÑõ»¯ÁË
21Â¥2012-07-21 21:17:50
ÒÑÔÄ   »Ø¸´´ËÂ¥   ¹Ø×¢TA ¸øTA·¢ÏûÏ¢ ËÍTAºì»¨ TAµÄ»ØÌû

576307116

Ìú³æ (³õÈëÎÄ̳)


ÒýÓûØÌû:
21Â¥: Originally posted by ¹ú²ú¿Æ±È at 2012-07-21 21:17:50
Â¥Ö÷ûÓÃÕæ¿ÕÈÛÁ¶£¿ ÄǾÍÊÇÈÛÁ¶¹ý³ÌÖдóÁ¿µÄþÑõ»¯ÁË

ÊÇÕæ¿ÕÈÛÁ¶£¬¾ÍÊǹÀ¼ÆÕæ¿Õ¶ÈÓеã¶ùµÍ£¬ÊµÑéÉ豸²»¸øÁ¦°¡
22Â¥2012-07-22 08:19:49
ÒÑÔÄ   »Ø¸´´ËÂ¥   ¹Ø×¢TA ¸øTA·¢ÏûÏ¢ ËÍTAºì»¨ TAµÄ»ØÌû

gooloo_xs

Ìú¸Ëľ³æ (ÖøÃûдÊÖ)


¡ï ¡ï
Сľ³æ: ½ð±Ò+0.5, ¸ø¸öºì°ü£¬Ð»Ð»»ØÌû
576307116: ½ð±Ò+1 2012-07-22 15:03:17
¼Óµã0.0003£¥îë½øÈ¥ÊÔÊÔ£¬ÄãÏÖÔںϽðþÑõ»¯µÄºÜÀ÷º¦¡£

[ ·¢×ÔÊÖ»ú°æ http://muchong.com/3g ]
23Â¥2012-07-22 08:26:54
ÒÑÔÄ   »Ø¸´´ËÂ¥   ¹Ø×¢TA ¸øTA·¢ÏûÏ¢ ËÍTAºì»¨ TAµÄ»ØÌû

abbott1515

½û³æ (СÓÐÃûÆø)

¡ï
Сľ³æ: ½ð±Ò+0.5, ¸ø¸öºì°ü£¬Ð»Ð»»ØÌû
±¾ÌûÄÚÈݱ»ÆÁ±Î

24Â¥2012-07-22 08:51:08
ÒÑÔÄ   »Ø¸´´ËÂ¥   ¹Ø×¢TA ¸øTA·¢ÏûÏ¢ ËÍTAºì»¨ TAµÄ»ØÌû

576307116

Ìú³æ (³õÈëÎÄ̳)


ÒýÓûØÌû:
23Â¥: Originally posted by gooloo_xs at 2012-07-22 08:26:54
¼Óµã0.0003£¥îë½øÈ¥ÊÔÊÔ£¬ÄãÏÖÔںϽðþÑõ»¯µÄºÜÀ÷º¦¡£

Êǰ¡£¬Ñõ»¯µÄȷʵÀ÷º¦£¬¹À¼ÆÊǼӴ¿Li´ø½øÈ¥µÄ
25Â¥2012-07-22 15:03:05
ÒÑÔÄ   »Ø¸´´ËÂ¥   ¹Ø×¢TA ¸øTA·¢ÏûÏ¢ ËÍTAºì»¨ TAµÄ»ØÌû

lansure

Ìú³æ (ÕýʽдÊÖ)


Õæ¿ÕÈÛÁ¶£¬½½×¢µÄʱºò×¢Òâ±£»¤¡£
»òÕ߯×ӱȽϴóµã£¬Ö±½ÓÔÚ¯×ÓÀï·Å¸É¹ø£¬ÈÛÁ¶ºó¾ÍµÈÆäÔÚÕæ¿Õ¯ÀïÀäÈ´¡£

[ Last edited by lansure on 2012-7-25 at 23:32 ]
27Â¥2012-07-25 23:30:24
ÒÑÔÄ   »Ø¸´´ËÂ¥   ¹Ø×¢TA ¸øTA·¢ÏûÏ¢ ËÍTAºì»¨ TAµÄ»ØÌû
¼òµ¥»Ø¸´
2012-07-19 20:30   »Ø¸´  
jk
57630711626Â¥
2012-07-22 15:03   »Ø¸´  
ÒýÓûØÌû:
24Â¥: Originally posted by abbott1515 at 2012-07-22 08:51:08 ÊÇ¿´¶Ï¿ÚÓ¦¸ÃÒ²ÐèÒª¾­¹ýºó´¦ÀíÔÚ¿´µÄ°É£¬ÎÒûÓÐ×öÕâ¿é²»ÉõÁ˽⣻µ«ÊÇÈç¹ûÏëÈÃÆø¿×¸üСµÄ»°¿´ÄãÔõôÈÛÁ¶£¿¿´ÊÇ·ñ¿ÉÒÔ»úеÕñ¶¯£¬½ö¹©²Î¿¼...

àÅ
Ïà¹Ø°æ¿éÌø×ª ÎÒÒª¶©ÔÄÂ¥Ö÷ 576307116 µÄÖ÷Ìâ¸üÐÂ
×î¾ßÈËÆøÈÈÌûÍÆ¼ö [²é¿´È«²¿] ×÷Õß »Ø/¿´ ×îºó·¢±í
[¿¼ÑÐ] 290Çóµ÷¼Á +7 luoziheng 2026-04-04 7/350 2026-04-04 23:17 by lqwchd
[¿¼ÑÐ] 288Çóµ÷¼Á£¬Ò»Ö¾Ô¸»ªÄÏÀí¹¤´óѧ071005 +4 ioodiiij 2026-04-04 4/200 2026-04-04 22:49 by barlinike
[¿¼ÑÐ] ²ÄÁÏר˶306Ó¢Ò»Êý¶þ +8 z1z2z3879 2026-03-31 8/400 2026-04-04 22:08 by hemengdong
[¿¼ÑÐ] ²ÄÁÏר˶ µ÷¼Á +13 CXN123456 2026-04-03 13/650 2026-04-04 21:59 by hemengdong
[¿¼ÑÐ] 321Çóµ÷¼Á +6 ÈÏÕæÇóÉÏѧ 2026-04-03 6/300 2026-04-04 19:51 by dongzh2009
[¿¼ÑÐ] 348·Ö»·¾³¹¤³Ì¡¤µ÷¼Á +10 ÎâÑå׿24k 2026-04-03 11/550 2026-04-04 14:19 by Î޼ʵIJÝÔ­
[¿¼ÑÐ] Çó²ÄÁϵ÷¼Á£¬Ò»Ö¾Ô¸Ö£ÖÝ´óѧ289·Ö +15 ˶ÐǸ° 2026-04-03 15/750 2026-04-04 01:01 by userper
[¿¼ÑÐ] »úеר˶297 +3 Afksy 2026-04-03 3/150 2026-04-03 14:24 by 1753564080
[»ù½ðÉêÇë] ÇëÎʹ²Í¬Í¨Ñ¶ºÍ¹²Í¬Ò»×÷µÄÈϿɶÈÎÊÌâ 10+4 psa1234 2026-04-01 10/500 2026-04-03 11:08 by Kittylucky
[¿¼ÑÐ] һ־Ըɽ¶«´óѧ»¯Ñ§Ó뻯¹¤Ñ§Ôº²ÄÁÏÓ뻯¹¤×¨Ë¶£¬360·ÖÇóµ÷¼Á +4 ²»Ô¸Í¸Â¶ÐÕÃûµÄË 2026-04-02 4/200 2026-04-03 09:29 by ÒÅÍüÏûʧµÄž™
[¿¼ÑÐ] 22408 266Çóµ÷¼Á +3 masss11222 2026-04-02 3/150 2026-04-02 18:11 by ±ÊÂä½õÖÝ
[¿¼ÑÐ] ÄÜÔ´¶¯Á¦ µ÷¼Á +3 ²»ÆÆ²»Á¢0 2026-04-02 3/150 2026-04-02 12:46 by ffffjjjj
[¿¼ÑÐ] Ò»Ö¾Ô¸°²»Õ´óѧ¼ÆËã»ú¿ÆÑ§Óë¼¼Êõѧ˶£¬331·ÖÇóµ÷¼Á +5 ½¯²ýÅôqtj 2026-04-01 5/250 2026-04-02 08:10 by fxue1114
[¿¼ÑÐ] 085602»¯Ñ§¹¤³Ì268·Ö¶×µ÷¼Á +8 ÔÂÕÕ»¨ÁÖ¡£ 2026-04-01 8/400 2026-04-01 22:08 by Î޼ʵIJÝÔ­
[¿¼ÑÐ] Ò»Ö¾Ô¸Î÷°²½»´ó²ÄÁÏѧ˶£¨Ó¢Ò»Êý¶þ£©347£¬Çóµ÷¼Áµ½¸ß·Ö×Ó/²ÄÁÏÏà¹Ø×¨Òµ +7 zju51 2026-03-31 9/450 2026-04-01 19:35 by CFQZAFU
[¿¼ÑÐ] ²ÄÁϵ÷¼Á +11 Ò»ÑùYWY 2026-03-31 11/550 2026-04-01 11:35 by wangjy2002
[¿¼ÑÐ] 085410È˹¤ÖÇÄÜ ³õÊÔ316·Ö Çóµ÷¼Á +3 ²ÐÐÇ·÷Êï 2026-03-31 3/150 2026-04-01 11:09 by СÐÜraider
[˶²©¼ÒÔ°] ²©Ò»±»ËͳöÁªÅà¸Ð¾õ²»ÊÊÓ¦Ôõô°ì +3 È«´åµÄ¹· 2026-03-31 3/150 2026-04-01 10:44 by 328838485
[¿¼ÑÐ] 335Çóµ÷¼Á +3 321* 2026-03-31 4/200 2026-04-01 00:00 by 321*
[¿¼ÑÐ] Ò»Ö¾Ô¸Öк£Ñó²ÄÁÏ357 +4 Âó¶÷Àò. 2026-03-30 4/200 2026-03-31 14:35 by ¼Çʱ¾2026
ÐÅÏ¢Ìáʾ
ÇëÌî´¦ÀíÒâ¼û