| 查看: 587 | 回复: 0 | |
[求助]
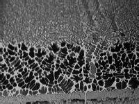
CuAl8 激光钎焊金相组织分析
|
|
|
|
|
|
找到一些相关的精华帖子,希望有用哦~
科研从小木虫开始,人人为我,我为人人
|














回复此楼
点击这里搜索更多相关资源