| 查看: 1069 | 回复: 6 | ||
[求助]
各位帮忙分析一下金相照片
|
|
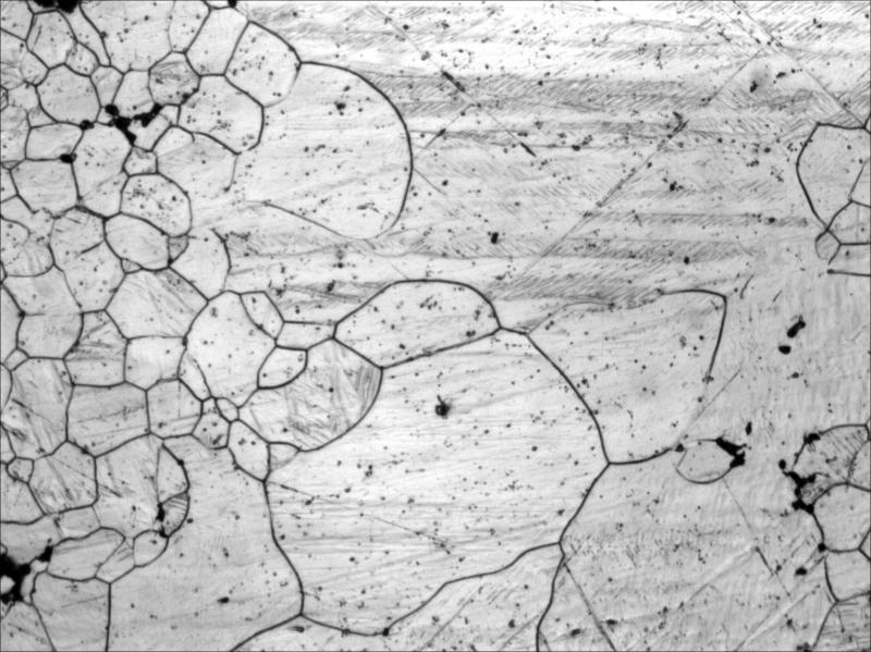
各位,这是Mg-6wt.%Al-5wt.%Pb合金400摄氏度均匀化退火24小时的金相照片,放大100倍。为什么会出现晶粒大小不均匀?是不是合金元素分布不均匀造成的?该合金在均匀化退火过程中晶粒不会长大。还有,晶界处黑色的是什么?是不是铸造缺陷?? Mg-6wt.%Al-5wt.%Pb合金400摄氏度均匀化退火24小时的金相照片 Mg-6wt.%Al-5wt.%Pb合金400摄氏度均匀化退火24小时的金相照片 Mg-6wt.%Al-5wt.%Pb合金400摄氏度均匀化退火24小时的金相照片 [ 来自科研家族 材料家族 ] |
» 猜你喜欢
复试调剂,一志愿南农083200食品科学与工程
已经有4人回复
一志愿太原理工安全工程300分,求调剂
已经有3人回复
284求调剂
已经有11人回复
食品工程专硕求调剂
已经有3人回复
324求调剂
已经有7人回复
一志愿武汉理工,总分321,英一数二,求老师收留。
已经有4人回复
287求调剂
已经有7人回复
325求调剂
已经有5人回复
343求调剂
已经有4人回复
求调剂推荐 材料 304
已经有4人回复
» 本主题相关商家推荐: (我也要在这里推广)
» 本主题相关价值贴推荐,对您同样有帮助:
关于铝合金金相,困扰我好久了,大家帮忙哦
已经有33人回复
显微镜金相分析求助、讨论和交流
已经有31人回复
请帮忙分析一下金相
已经有11人回复
轴承失效,金相分析菜鸟,今晚通宵奋战,望大侠救助
已经有15人回复
帮忙做一下金相分析
已经有11人回复
【求助】求助从金相照片分析组织成分及热处理工艺(15CrMn)
已经有16人回复
【求助】请熟悉金属材料的同学帮忙分析下照片中断层处是什么原因造成的?先谢谢了
已经有21人回复
【求助】镁合金金相图片分析
已经有11人回复
【讨论】请大家分析一下断裂机理(有图片)再加上金相
已经有36人回复
【求助】焊缝金相分析
已经有37人回复
【求助】金相图片定量分析
已经有18人回复
内蒙古毛团团
木虫 (小有名气)
- 应助: 7 (幼儿园)
- 金币: 2157.7
- 红花: 2
- 帖子: 206
- 在线: 49.6小时
- 虫号: 1717858
- 注册: 2012-03-26
- 性别: MM
- 专业: 金属功能材料
2楼2012-05-18 10:56:19

3楼2012-05-18 13:23:24

4楼2012-05-20 16:24:28
5楼2012-05-20 20:24:28
6楼2012-05-20 20:25:36
7楼2012-05-20 20:26:50














回复此楼