版块导航
正在加载中...
客户端APP下载
论文辅导
申博辅导
登录
注册
帖子
帖子
用户
本版
应《网络安全法》要求,自2017年10月1日起,未进行实名认证将不得使用互联网跟帖服务。为保障您的帐号能够正常使用,请尽快对帐号进行手机号验证,感谢您的理解与支持!
24小时热门版块排行榜
>
论坛更新日志
(3020)
>
虫友互识
(253)
>
文献求助
(165)
>
导师招生
(141)
>
休闲灌水
(47)
>
硕博家园
(42)
>
考博
(37)
>
博后之家
(30)
>
基金申请
(29)
>
论文道贺祈福
(26)
>
绿色求助(高悬赏)
(24)
>
招聘信息布告栏
(20)
>
教师之家
(18)
>
考研
(18)
>
论文投稿
(15)
>
找工作
(14)
小木虫论坛-学术科研互动平台
»
化学化工区
»
催化
»
催化反应
»
sol-gel制备二氧化钛薄膜电极
2
1/1
返回列表
查看: 663 | 回复: 1
只看楼主
@他人
存档
新回复提醒
(忽略)
收藏
在APP中查看
日和树
新虫
(初入文坛)
应助: 0
(幼儿园)
金币: 15
帖子: 2
在线: 40分钟
虫号: 1438760
注册: 2011-10-12
专业: 环境污染化学
[
求助
]
sol-gel制备二氧化钛薄膜电极
我是用溶胶凝胶法制备TiO2,然后涂覆在钛板上
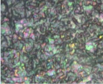
现在遇到的问题是:XRD测试完的结果中,锐钛矿25°的峰始终都无法比Ti基体的38°峰高,导师觉得是涂覆量不够,已经做到涂覆20次可还是无法超过。而且在显微镜下看到:薄膜表面没有形成网状结构
溶胶中各物质摩尔比 TBTA:异丙醇:乙酰丙酮:水=10:10:3:2,能形成稳定溶胶,陈化一天后涂覆。
每提一次烘干5分钟,提5次后放进马弗炉中煅烧30min,最后一次煅烧2h。
煅烧完的确感到Ti板表面没有明显的涂覆感,是什么原因呢?谢谢各位高手给出建议,实验一直无法进行下去,所以很焦急,谢谢各位了
显微镜下的TiO2薄膜
薄膜的XRD图
回复此楼
» 猜你喜欢
中国水产科学研究院黄海水产研究所博士后科研工作站2026年博士后招收公告
已经有0人回复
大连海事大学国家级人才团队2026年博士研究生招生启事(氢能)
已经有10人回复
专业论文润色/翻译怎么收费?
已经有241人回复
国家级人才课题组招收2026年入学博士
已经有6人回复
意大利米兰理工大学急聘CSC公派留学博士生(物理或无机材料科学方向)
已经有47人回复
求加氢处理工艺与工程(第二版)pdf 李大东 中国石化出版社 9787511436689
已经有0人回复
新加坡ASTAR招收CSC或学校资助联培博士生/访问学生
已经有2人回复
求助Amsterdam Density Functional
已经有3人回复
Postdoctoral Research Fellow Position in Causal Inference Weill CorneIl Medicine
已经有8人回复
武汉纺织大学全国重点实验室陈嵘教授团队招收2026级学术/专业型硕士研究生
已经有0人回复
» 本主题相关价值贴推荐,对您同样有帮助:
sol-gel制备Al2O3薄膜
已经有9人回复
关于二氧化钛的XRD表征问题~~~结晶度不行
已经有22人回复
溶胶凝胶法制备二氧化钛光催化薄膜
已经有4人回复
弱问:二氧化钛不煅烧可以光催化吗?
已经有21人回复
【求助】溶胶凝胶法制备二氧化钛
已经有51人回复
【请教】做二氧化钛sol-gel静置时摇晃对产物的影响
已经有11人回复
【求助】掺杂二氧化钛催化剂sol-gel法
已经有7人回复
【请教】制备二氧化钛纳米材料过氧化氢的作用
已经有4人回复
【求助】sol-gel制备NiZn铁氧体薄膜
已经有3人回复
1楼
2012-05-15 22:34:31
已阅
回复此楼
关注TA
给TA发消息
送TA红花
TA的回帖
庐陵笑笑生
新虫
(小有名气)
应助: 0
(幼儿园)
金币: 15.6
帖子: 51
在线: 3.5小时
虫号: 7111639
注册: 2017-08-28
性别: GG
专业: 污染控制化学
煅烧后的颜色是什么样的啊
发自小木虫IOS客户端
赞
一下
回复此楼
2楼
2018-10-31 20:10:37
已阅
回复此楼
关注TA
给TA发消息
送TA红花
TA的回帖
相关版块跳转
有机交流
有机资源
高分子
无机/物化
分析
催化
工艺技术
化工设备
石油化工
精细化工
电化学
环境
SciFinder/Reaxys
我要订阅楼主
日和树
的主题更新
2
1/1
返回列表
如果回帖内容含有宣传信息,请如实选中。否则帐号将被全论坛禁言
普通表情
龙
兔
虎
猫
百度网盘
|
360云盘
|
千易网盘
|
华为网盘
在新窗口页面中打开自己喜欢的网盘网站,将文件上传后,然后将下载链接复制到帖子内容中就可以了。
信息提示
关闭
请填处理意见
关闭
确定