版块导航
正在加载中...
客户端APP下载
论文辅导
申博辅导
登录
注册
帖子
帖子
用户
本版
应《网络安全法》要求,自2017年10月1日起,未进行实名认证将不得使用互联网跟帖服务。为保障您的帐号能够正常使用,请尽快对帐号进行手机号验证,感谢您的理解与支持!
24小时热门版块排行榜
小木虫论坛-学术科研互动平台
»
网络生活区
»
有奖问答
»
有奖问答完结子版
»
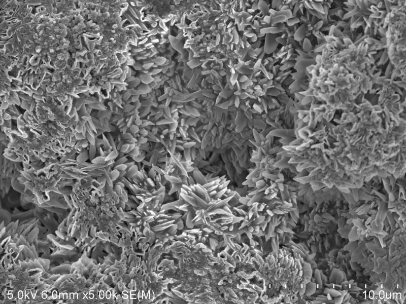
这张 SEM照片 到底是什么呢?
4
1/1
返回列表
查看: 749 | 回复: 3
只看楼主
@他人
存档
新回复提醒
(忽略)
收藏
在APP中查看
zidane8638
银虫
(正式写手)
应助: 15
(小学生)
金币: 440.4
帖子: 433
在线: 261.1小时
虫号: 585576
[交流]
这张 SEM照片 到底是什么呢?
今天去做了电镜发现了以前没有见过的形状 我的样品是用氢氧化钠溶液浸泡干燥后看的电镜 这会不会是氢氧化钠晶体的形貌啊 有谁测过氢氧化钠晶体的形貌吗?
再附一张xrd图
SEM
电镜材料的XRD
[
Last edited by zidane8638 on 2012-5-15 at 18:26
]
回复此楼
» 猜你喜欢
计算机、0854电子信息(085401-058412)调剂
已经有5人回复
国自然申请面上模板最新2026版出了吗?
已经有13人回复
基金委咋了?2026年的指南还没有出来?
已经有3人回复
Materials Today Chemistry审稿周期
已经有5人回复
溴的反应液脱色
已经有7人回复
推荐一本书
已经有12人回复
基金申报
已经有4人回复
纳米粒子粒径的测量
已经有7人回复
常年博士招收(双一流,工科)
已经有4人回复
有没有人能给点建议
已经有5人回复
高级回复
» 本主题相关价值贴推荐,对您同样有帮助:
请问这个SEM图片怎么样
已经有48人回复
求助一张SEM图片的解读
已经有12人回复
两张SEM图片可比较的条件
已经有9人回复
陶粒负载微生物处理染料废水,对陶粒的SEM照片怎么分析?
已经有6人回复
颗粒尺寸根据SEM统计是不是科学呢?
已经有8人回复
关于SEM照片的问题
已经有14人回复
【求助】帮忙分析W-Ni-Fe合金SEM照片
已经有10人回复
【请教】拍SEM照片,材料喷过金的表面如何去除?
已经有17人回复
【请教】大家帮我看看这种薄膜样品的截面SEM照片是怎么获得的,谢谢了
已经有18人回复
【讨论】如何得到漂亮的SEM截面照片
已经有12人回复
【交流】关于怎么看TEM,SEM,OM照片
已经有11人回复
【讨论】SEM照片照出来很白是怎么回事
已经有20人回复
【求助】请高手帮忙分析下这两张SEM照片
已经有22人回复
SEM照片工具SmileView(量长度,调整对比度、明暗等)
已经有237人回复
» 抢金币啦!回帖就可以得到:
查看全部散金贴
深圳大学水科学中心HydroS课题组招收化学/环境相关专业博士生1名(2026年入学)
+
1
/84
招聘:中国科学院山西煤炭化学研究所
+
1
/77
双一流南京医科大学招计算机、AI、统计、生物信息等方向26年9月入学博士
+
1
/76
香港理工大学招收电力系统优化及运筹学博士后
+
1
/56
时间的眼神
+
1
/51
悉尼大学 AMME 机械工程 双ARC Future Fellows团队招收CSC博士生
+
1
/45
上海理工大学“新能源材料”专业-赵斌教授招收申请考核制博士生【能源催化方向】
+
1
/35
北京化工大学化学工程学院杨琪教授 邱介山教授,招收储能电池方向博士研究生
+
1
/24
北京工业大学高靓教授课题组2026级博士研究生招生
+
1
/12
墨子实验室理论模拟研究组诚聘海内外优秀人才
+
1
/12
江西理工大学稀土学院稀土发光材料研究所招收2026届材料科学与工程专业博士研究生2名
+
2
/10
南京邮电大学-材料院尹超教授课题组-诚聘材料、化学、生物医学博士后(长期有效)
+
1
/10
浙江大学赵俊杰课题组长期招聘博士后及科研相关岗位启事
+
1
/10
计算机科学与技术调剂交流
+
1
/9
生殖医学与子代健康全国重点实验室华鹏课题组招收博士后及研究生(长期有效)
+
1
/8
河南师范大学科研助理岗位招聘
+
1
/6
[请教]审稿意见回复
+
1
/6
武汉双一流高校干细胞与肿瘤生物学团队招聘2026级申请考核制博士生
+
1
/5
重庆大学诚招2026年生物材料方向博士生
+
1
/3
重庆医科大学-药学院-新靶标教育部医药基础研究创新中心-药物化学2026年博士招生
+
1
/2
1楼
2012-05-15 15:20:19
已阅
关注TA
给TA发消息
送TA红花
TA的回帖
zxyan
至尊木虫
(文坛精英)
博学EPI: 3
应助: 56
(初中生)
金币: 21128.1
帖子: 18284
在线: 881.4小时
虫号: 818017
★
zidane8638: 金币+1, xrd也有了 您再看看呢
2012-05-15 18:26:31
这个影像只能给出态貌和尺寸,结晶要用XRD检测。
赞
一下
回复此楼
2楼
2012-05-15 16:00:46
已阅
关注TA
给TA发消息
送TA红花
TA的回帖
wukangjian
金虫
(小有名气)
应助: 14
(小学生)
金币: 1110.2
帖子: 232
在线: 79.3小时
虫号: 1757652
★
zidane8638: 金币+1, 谢谢 我再查查 又附了张它的xrd
2012-05-15 18:27:24
可以先用EDX或者element mapping看一下究竟是何元素。
赞
一下
回复此楼
3楼
2012-05-15 17:33:11
已阅
关注TA
给TA发消息
送TA红花
TA的回帖
yingying1588
木虫之王
(文学泰斗)
博学EPI: 6
应助: 1
(幼儿园)
金币: 63562.9
帖子: 88063
在线: 1554.9小时
虫号: 688753
祝福楼主
回复此楼
4楼
2012-05-15 20:53:34
已阅
关注TA
给TA发消息
送TA红花
TA的回帖
相关版块跳转
有奖问答中转子版
有奖问答完结子版
我要订阅楼主
zidane8638
的主题更新
4
1/1
返回列表
信息提示
关闭
请填处理意见
关闭
确定