²é¿´: 1244  |  »Ø¸´: 16

mumuxinyu

½ð³æ (³õÈëÎÄ̳)

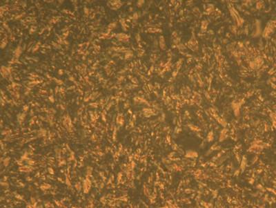
[ÇóÖú] ¸÷λÑо¿Òº¾§µÄ³æÓѰïÎÒ·ÖÎöÒ»ÏÂÆ«¹â

°ïæ¿´¿´ÕâÆ«¹âͼ ÕâÎïÖÊÓÐûÓÐÒº¾§ÐÔ¡£¶àлÁË£¡









»Ø¸´´ËÂ¥

» ²ÂÄãϲ»¶

» ±¾Ö÷ÌâÏà¹Ø¼ÛÖµÌùÍÆ¼ö£¬¶ÔÄúͬÑùÓаïÖú:

ÒÑÔÄ   »Ø¸´´ËÂ¥   ¹Ø×¢TA ¸øTA·¢ÏûÏ¢ ËÍTAºì»¨ TAµÄ»ØÌû
»ØÌûÖö¥ ( ¹²ÓÐ1¸ö )

ghf_521

½ð³æ (ÕýʽдÊÖ)

¡¾´ð°¸¡¿Ó¦Öú»ØÌû

¸Ðл²ÎÓ룬ӦÖúÖ¸Êý +1
mumuxinyu: »ØÌûÖö¥ 2012-04-23 08:04:57
µÚËÄÕÅÓеãÏñÖùÏàµÄÖ¯¹¹ÌõÎÆ£¬×îºÃ×ö¸öDSC¿´¿´·åÐξͿÉÒÔ×ö³öÅжÏÁË
¶ÁÊéÄÑ£¬ÄÑÓÚÉÏÇàÌì
6Â¥2012-04-22 21:17:38
ÒÑÔÄ   »Ø¸´´ËÂ¥   ¹Ø×¢TA ¸øTA·¢ÏûÏ¢ ËÍTAºì»¨ TAµÄ»ØÌû
ÆÕͨ»ØÌû

yooyoo298

½ð³æ (ÕýʽдÊÖ)

¡¾´ð°¸¡¿Ó¦Öú»ØÌû

¡ï ¡ï ¡ï ¡ï ¡ï ¡ï ¡ï ¡ï ¡ï ¡ï
¸Ðл²ÎÓ룬ӦÖúÖ¸Êý +1
mumuxinyu: ½ð±Ò+10, ¡ï¡ï¡ïºÜÓаïÖú 2012-04-23 08:01:55
¹â¿´Ö¯¹¹¸Ð¾õÏñ£¬×îºÃ¸ø³öÿÕÅͼµÄζȣ¬ÅäºÏDSCÊý¾Ý·ÖÎö¸ü׼ȷЩ¡£
ÓÆÓÆµÄÓÎÏÀ£¬¿ìÀÖµÄÈËÉú£¡
2Â¥2012-04-22 20:57:56
ÒÑÔÄ   »Ø¸´´ËÂ¥   ¹Ø×¢TA ¸øTA·¢ÏûÏ¢ ËÍTAºì»¨ TAµÄ»ØÌû

mumuxinyu

½ð³æ (³õÈëÎÄ̳)

ÒýÓûØÌû:
2Â¥: Originally posted by yooyoo298 at 2012-04-22 20:57:56:
¹â¿´Ö¯¹¹¸Ð¾õÏñ£¬×îºÃ¸ø³öÿÕÅͼµÄζȣ¬ÅäºÏDSCÊý¾Ý·ÖÎö¸ü׼ȷЩ¡£

ζȲ¶à¶¼ÔÚ18~210Ö®¼ä£¬µ«²»ÖªµÀÕâÊÇʲô֯¹¹¡£Ò²²»ÊÇÌØ±ðµäÐ͵쬲»ÄÜÈ·¶¨
3Â¥2012-04-22 21:10:39
ÒÑÔÄ   »Ø¸´´ËÂ¥   ¹Ø×¢TA ¸øTA·¢ÏûÏ¢ ËÍTAºì»¨ TAµÄ»ØÌû

mumuxinyu

½ð³æ (³õÈëÎÄ̳)

ÒýÓûØÌû:
2Â¥: Originally posted by yooyoo298 at 2012-04-22 20:57:56:
¹â¿´Ö¯¹¹¸Ð¾õÏñ£¬×îºÃ¸ø³öÿÕÅͼµÄζȣ¬ÅäºÏDSCÊý¾Ý·ÖÎö¸ü׼ȷЩ¡£

DSC»¹Ã»×ö
4Â¥2012-04-22 21:12:43
ÒÑÔÄ   »Ø¸´´ËÂ¥   ¹Ø×¢TA ¸øTA·¢ÏûÏ¢ ËÍTAºì»¨ TAµÄ»ØÌû

yooyoo298

½ð³æ (ÕýʽдÊÖ)

¡¾´ð°¸¡¿Ó¦Öú»ØÌû

×îºÃÏÈ×öһϣ¬ºÃÈ·¶¨Ïà±äÇø¼ä¡£¸ù¾ÝDSCÉÏìʱä´óСºÍÏà±äζȷ¶Î§µÄ¿íÕ­»¹¿ÉÒÔ¹À¼ÆÒº¾§ÏàµÄÀàÐÍ£¬¸üȨÍþµÄ²âÊÔ»¹ÒªÅäºÏXRD
ÓÆÓÆµÄÓÎÏÀ£¬¿ìÀÖµÄÈËÉú£¡
5Â¥2012-04-22 21:16:20
ÒÑÔÄ   »Ø¸´´ËÂ¥   ¹Ø×¢TA ¸øTA·¢ÏûÏ¢ ËÍTAºì»¨ TAµÄ»ØÌû

mumuxinyu

½ð³æ (³õÈëÎÄ̳)

ÒýÓûØÌû:
6Â¥: Originally posted by ghf_521 at 2012-04-22 21:17:38:
µÚËÄÕÅÓеãÏñÖùÏàµÄÖ¯¹¹ÌõÎÆ£¬×îºÃ×ö¸öDSC¿´¿´·åÐξͿÉÒÔ×ö³öÅжÏÁË

¶àл
7Â¥2012-04-23 08:01:20
ÒÑÔÄ   »Ø¸´´ËÂ¥   ¹Ø×¢TA ¸øTA·¢ÏûÏ¢ ËÍTAºì»¨ TAµÄ»ØÌû

mumuxinyu

½ð³æ (³õÈëÎÄ̳)

ÒýÓûØÌû:
5Â¥: Originally posted by yooyoo298 at 2012-04-22 21:16:20:
×îºÃÏÈ×öһϣ¬ºÃÈ·¶¨Ïà±äÇø¼ä¡£¸ù¾ÝDSCÉÏìʱä´óСºÍÏà±äζȷ¶Î§µÄ¿íÕ­»¹¿ÉÒÔ¹À¼ÆÒº¾§ÏàµÄÀàÐÍ£¬¸üȨÍþµÄ²âÊÔ»¹ÒªÅäºÏXRD

¶àл
8Â¥2012-04-23 08:01:34
ÒÑÔÄ   »Ø¸´´ËÂ¥   ¹Ø×¢TA ¸øTA·¢ÏûÏ¢ ËÍTAºì»¨ TAµÄ»ØÌû

byk122723822

ľ³æ (СÓÐÃûÆø)

ƮԶµÄÓÎ×Ó

ÎÒÒÔǰҲ×ö¹ýÒº¾§µÄ£¬
µ«ÊǺóÀ´·¢ÏÖÐÔÄܲ»ÐоͲ»×öµÄ£¬
ÕâÊÇÎÒµ±Ê±×öµÄͼ

¸Ð¾õLZµÄͼ²»Õ¦Ã÷ÏÔ


²»³É¹¦±ã³ÉÈÊ
9Â¥2012-04-23 22:38:27
ÒÑÔÄ   »Ø¸´´ËÂ¥   ¹Ø×¢TA ¸øTA·¢ÏûÏ¢ ËÍTAºì»¨ TAµÄ»ØÌû

mumuxinyu

½ð³æ (³õÈëÎÄ̳)

ÒýÓûØÌû:
9Â¥: Originally posted by byk122723822 at 2012-04-23 22:38:27:
ÎÒÒÔǰҲ×ö¹ýÒº¾§µÄ£¬
µ«ÊǺóÀ´·¢ÏÖÐÔÄܲ»ÐоͲ»×öµÄ£¬
ÕâÊÇÎÒµ±Ê±×öµÄͼ

¸Ð¾õLZµÄͼ²»Õ¦Ã÷ÏÔ
52/db/1132372_1335191857_451.jpg

µÍ±¶¾µµÄͼ ÕâͼЧ¹ûÒ²²»Ì«ºÃ¡£
×öÆ«¹âÌ«ÀÛÁË£¬¿ªÊ¼ÊDz»»á×ö£¬×öÁËÕûÕûÒ»Ìì²Å×öÁË3¸÷Ñù¡£
ºÃ²»ÈÝÒ×ÓÐͼÁË£¬»¹²»»á·ÖÎö¡£¡£¡£
10Â¥2012-04-24 09:02:01
ÒÑÔÄ   »Ø¸´´ËÂ¥   ¹Ø×¢TA ¸øTA·¢ÏûÏ¢ ËÍTAºì»¨ TAµÄ»ØÌû
Ïà¹Ø°æ¿éÌø×ª ÎÒÒª¶©ÔÄÂ¥Ö÷ mumuxinyu µÄÖ÷Ìâ¸üÐÂ
×î¾ßÈËÆøÈÈÌûÍÆ¼ö [²é¿´È«²¿] ×÷Õß »Ø/¿´ ×îºó·¢±í
[¿¼ÑÐ] 303Çóµ÷¼Á +6 ԪϦԪ 2026-03-20 7/350 2026-03-25 12:00 by edmund7
[¿¼ÑÐ] ²ÄÁϵ÷¼Á +3 iwinso 2026-03-23 3/150 2026-03-25 11:29 by greychen00
[¿¼ÑÐ] ²ÄÁÏѧ˶£¬Çóµ÷¼Á 6+4 ÌǺù«888ll 2026-03-22 9/450 2026-03-25 11:19 by greychen00
[¿¼ÑÐ] 278Çóµ÷¼Á +4 ÎÒ¿ÉÒÔÉϰ¶µÄ¶Ô 2026-03-19 4/200 2026-03-25 11:01 by userper
[¿¼ÑÐ] 086003ʳƷ¹¤³ÌÇóµ÷¼Á +6 íµíµ111 2026-03-24 6/300 2026-03-25 10:29 by 3Strings
[¿¼ÑÐ] 318Çóµ÷¼Á +5 plumÀî×Ó 2026-03-21 8/400 2026-03-25 09:26 by aa331100
[¿¼ÑÐ] ²ÄÁÏѧÇóµ÷¼Á +6 Stella_Yao 2026-03-20 6/300 2026-03-25 00:37 by baoball
[¿¼ÑÐ] 085601Çóµ÷¼Á×Ü·Ö293Ó¢Ò»Êý¶þ +3 ¸ÖÌú´óÅÚ 2026-03-24 3/150 2026-03-24 22:03 by bingxueer79
[¿¼ÑÐ] ʳƷר˶ һ־Ը˫һÁ÷ 328 +3 xiaom99 2026-03-21 4/200 2026-03-24 21:20 by lailaisimei
[¿¼ÑÐ] 0856²ÄÁÏר˶353Çóµ÷¼Á +6 NIFFFfff 2026-03-20 6/300 2026-03-24 21:02 by helloÆßÆß
[¿¼ÑÐ] ÕÐ08¿¼Êýѧ +7 laoshidan 2026-03-20 16/800 2026-03-24 17:52 by ÎÚÀ­¶ùɽÂö
[¿¼ÑÐ] 276Çóµ÷¼Á¡£ÓаëÄêµç³ØºÍ°ëÄê¸ß·Ö×Óʵϰ¾­Àú +9 ²ÄÁÏѧ257Çóµ÷¼Á 2026-03-23 10/500 2026-03-24 07:36 by wangy0907
[¿¼ÑÐ] Çóµ÷¼Á²ÄÁÏѧ˶080500£¬×Ü·Ö289·Ö 5+3 @taotao 2026-03-19 21/1050 2026-03-23 10:17 by ¹Úc¸ç
[¿¼ÑÐ] 293Çóµ÷¼Á +3 ÌÎÌÎWjt 2026-03-22 5/250 2026-03-22 22:21 by jiangpengfei
[¿¼ÑÐ] Çóµ÷¼Á +5 Zhangbod 2026-03-21 7/350 2026-03-22 13:13 by Zhangbod
[¿¼ÑÐ] ¿¼Ñе÷¼Á +4 À´ºÃÔËÀ´À´À´ 2026-03-21 4/200 2026-03-22 12:15 by ÐÇ¿ÕÐÇÔÂ
[¿¼ÑÐ] Ò»Ö¾Ô¸¶«»ª´óѧ¿ØÖÆÑ§Ë¶320Çóµ÷¼Á +3 Grand777 2026-03-21 3/150 2026-03-21 19:23 by ¼òÖ®-
[¿¼ÑÐ] Çóµ÷¼Á +3 .m.. 2026-03-21 4/200 2026-03-21 16:25 by barlinike
[¿¼ÑÐ] Ò»Ö¾Ô¸Öк£Ñó²ÄÁϹ¤³Ìר˶330·ÖÇóµ÷¼Á +8 С²Ä»¯±¾¿Æ 2026-03-18 8/400 2026-03-20 23:16 by JourneyLucky
[¿¼ÑÐ] 0856µ÷¼Á£¬ÊÇѧУ¾ÍÈ¥ +8 sllhht 2026-03-19 9/450 2026-03-20 14:25 by ÎÞи¿É»÷111
ÐÅÏ¢Ìáʾ
ÇëÌî´¦ÀíÒâ¼û