| ²é¿´: 3152 | »Ø¸´: 26 | ||||
yuquanyaoÈÙÓþ°æÖ÷ (ÖªÃû×÷¼Ò)
С±³°ü
|
[ÇóÖú]
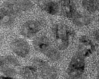
Ni-Cu-P ÈýÔªºÏ½ðµÄTEMͼÏñÊǾ§Á£Óë·Ç¾§µÄ»ìºÏÍø¸ñ½á¹¹£¬Ôõô½âÊÍ£¿
|
ï®µç³ØÏà¹Ø |
» ±¾Ìû@֪ͨ
@279684493 @abooo @aishan @anxianghai7681 @apersob @ÂåÑôѧ×Ó @ëºï @caocao4735 @catsupport ... ²é¿´¸ü¶à
» ²ÂÄãϲ»¶
²ÄÁÏÓ뻯¹¤371Çóµ÷¼Á
ÒѾÓÐ5È˻ظ´
328·Öµ÷¼Á
ÒѾÓÐ4È˻ظ´
295Çóµ÷¼Á
ÒѾÓÐ7È˻ظ´
081700£¬311£¬Çóµ÷¼Á
ÒѾÓÐ13È˻ظ´
283·ÖÇóµ÷¼Á
ÒѾÓÐ6È˻ظ´
0854Çóµ÷¼Á
ÒѾÓÐ3È˻ظ´
332Çóµ÷¼Á
ÒѾÓÐ4È˻ظ´
284Çóµ÷¼Á
ÒѾÓÐ5È˻ظ´
304Çóµ÷¼Á£¨085602£¬¹ýËļ¶£¬Ò»Ö¾Ô¸985£©
ÒѾÓÐ11È˻ظ´
0817»¯Ñ§¹¤³ÌÓë¼¼ÊõÇóµ÷¼Á£¬Ò»Ö¾Ô¸Öк£Ñó319
ÒѾÓÐ10È˻ظ´
» ±¾Ö÷ÌâÏà¹ØÉ̼ÒÍÆ¼ö: (ÎÒÒ²ÒªÔÚÕâÀïÍÆ¹ã)
» ±¾Ö÷ÌâÏà¹Ø¼ÛÖµÌùÍÆ¼ö£¬¶ÔÄúͬÑùÓаïÖú:
Èý¸ö»¯ºÏÎïµÄ½á¹¹²»ÖªµÀÊÇʲô£¿
ÒѾÓÐ5È˻ظ´
¹ØÓڽṹÃô¸Ð·´Ó¦Óë½á¹¹·ÇÃô¸Ð·´Ó¦µÄÒÉÎÊ
ÒѾÓÐ9È˻ظ´
µ¥·ÖÉ¢ÄÉÃ׿ÅÁ£µÄTEM--×Ô×é×°£¿£¿
ÒѾÓÐ22È˻ظ´
gambit»®·Ö³¤·½ÐÎÃæÍø¸ñ»ò³¤·½ÌåÌåÍø¸ñʱÐèÒªÏȶԱ߽ç²ãºÍ±ß½øÐÐÍø¸ñ»®·ÖÂð£¿
ÒѾÓÐ9È˻ظ´
Ë®ÕôÆøÕôÁó²Ù×÷ÖУ¬´ýÕô·¢»ìºÏÎïÖÐÓÐÁòËᣬÕâÑùÓÐΣÏÕô£¿
ÒѾÓÐ5È˻ظ´
ÐÂÈËÇóÖú£¨ÓйØÏ¡ÍÁ²ôÔÓ·ú»¯Îï½á¹¹½âÎö£©Çë¸ßÈËÖ¸µã£¬¸ÐлÏÈ~£¡
ÒѾÓÐ6È˻ظ´
̼°ü¸²SnO2 CµÄ²ã´Î¶à¿×½á¹¹ ʯī
ÒѾÓÐ142È˻ظ´
ÇóÖú½âÆ×£ºÇúùËáÀ࣬ÓÐ̼ÇâÆ×£¬ÄÜÈ·¶¨Ä¸ºË½á¹¹¡£Ð»Ð»´ó¼Ò
ÒѾÓÐ8È˻ظ´
Âé·³¸ßÊÖ°ïÎÒ½âÎöÒ»ÏÂÕâ¸ö½á¹¹£¬Ó¦¸ÃÊÇÝÆÀà
ÒѾÓÐ12È˻ظ´
µãÍ»±äºóµ°°×½á¹¹±ä»¯Ô¤²â
ÒѾÓÐ18È˻ظ´
ÈçºÎ¶ÔͼÏñ¿é°´ÌØÕ÷·ÖÀà
ÒѾÓÐ10È˻ظ´
Ë®¹¤½á¹¹¹¤³ÌºÍË®ÀûË®µçµÄÇø±ð
ÒѾÓÐ13È˻ظ´
ANSYS½¨Ä£¼°Íø¸ñ»®·Ö
ÒѾÓÐ14È˻ظ´
ÓйØTEMµÄÎÊÌâ
ÒѾÓÐ5È˻ظ´
ÎÄÏ×ѧϰ£ºCo3O4ÁãÏÂ77¶È´ß»¯Ñõ»¯CO£¨TEMºÍ¶¯Á¦Ñ§·ÖÎö¿ÉÒÔ·¢nature£©
ÒѾÓÐ34È˻ظ´

Õ½¹úʱ´ú
Ìú¸Ëľ³æ (ÖøÃûдÊÖ)
- MM-EPI: 4
- Ó¦Öú: 105 (¸ßÖÐÉú)
- ¹ó±ö: 0.981
- ½ð±Ò: 11331.8
- É¢½ð: 1220
- ºì»¨: 50
- ɳ·¢: 1
- Ìû×Ó: 1718
- ÔÚÏß: 746.6Сʱ
- ³æºÅ: 1119272
- ×¢²á: 2010-10-11
- רҵ: ÖÆÔìϵͳÓë×Ô¶¯»¯
¡¾´ð°¸¡¿Ó¦Öú»ØÌû
¡ï
¸Ðл²ÎÓ룬ӦÖúÖ¸Êý +1
ëºï(½ð±Ò+1, ר¼Ò¿¼ºË): ¸Ðл½»Á÷£¡ 2011-12-30 13:26:26
yuquanyao(½ð±Ò+3): ¡ïÓаïÖú µç¾µÐͺÅûÓмǡ£ 2011-12-30 14:12:01
¸Ðл²ÎÓ룬ӦÖúÖ¸Êý +1
ëºï(½ð±Ò+1, ר¼Ò¿¼ºË): ¸Ðл½»Á÷£¡ 2011-12-30 13:26:26
yuquanyao(½ð±Ò+3): ¡ïÓаïÖú µç¾µÐͺÅûÓмǡ£ 2011-12-30 14:12:01
|
ÄãÕâ¸ö¸ß·Ö±æµç¾µÐͺŶàÉÙ°¡ ÄãÑÜÉäͼ Ò²ÃðÓа¡ ÄãÊÔÊÔtemÖеÄeds·ÖÎö ÊÔÊÔ |
2Â¥2011-12-30 13:24:50
yuquanyao
ÈÙÓþ°æÖ÷ (ÖªÃû×÷¼Ò)
С±³°ü
- Ó¦Öú: 263 (´óѧÉú)
- ¹ó±ö: 1.14
- ½ð±Ò: 12736.4
- É¢½ð: 6301
- ºì»¨: 141
- ɳ·¢: 21
- Ìû×Ó: 6631
- ÔÚÏß: 1297.6Сʱ
- ³æºÅ: 908918
- ×¢²á: 2009-11-21
- ÐÔ±ð: GG
- רҵ: µç»¯Ñ§
- ¹ÜϽ: ¸´ºÏ²ÄÁÏ

3Â¥2011-12-30 14:04:45
Õ½¹úʱ´ú
Ìú¸Ëľ³æ (ÖøÃûдÊÖ)
- MM-EPI: 4
- Ó¦Öú: 105 (¸ßÖÐÉú)
- ¹ó±ö: 0.981
- ½ð±Ò: 11331.8
- É¢½ð: 1220
- ºì»¨: 50
- ɳ·¢: 1
- Ìû×Ó: 1718
- ÔÚÏß: 746.6Сʱ
- ³æºÅ: 1119272
- ×¢²á: 2010-10-11
- רҵ: ÖÆÔìϵͳÓë×Ô¶¯»¯
¡¾´ð°¸¡¿Ó¦Öú»ØÌû
¡ï
aishan(½ð±Ò+1): ¸Ðл½»Á÷ 2011-12-30 14:40:36
yuquanyao(½ð±Ò+3): ¡ï¡ï¡ïºÜÓаïÖú µç×ÓÑÜÉä×î¿¿ÀïµÄÄǸö»·ÊDz»ÊÇ¿ÉÒÔ˵Ã÷ÊǷǾ§µÄ£¿ 2011-12-30 21:38:21
aishan(½ð±Ò+1): ¸Ðл½»Á÷ 2011-12-30 14:40:36
yuquanyao(½ð±Ò+3): ¡ï¡ï¡ïºÜÓаïÖú µç×ÓÑÜÉä×î¿¿ÀïµÄÄǸö»·ÊDz»ÊÇ¿ÉÒÔ˵Ã÷ÊǷǾ§µÄ£¿ 2011-12-30 21:38:21
|
¿Ï¶¨ÐèÒªµç¾µÐͺŠÄãÐèÒªÖªµÀÏà»ú³£Êý »¹ÓÐ ¿ÉÒÔͨ¹ýÑÜÉä»·È¥¼ÆËã¾§°ü²ÎÊý°¡ Ö»ÓÐeds ûÓÐʲôÓð¡ ÄãµÃ±ê³öÄãµÄeds´òµÄÄĸöÇøÓò°¡ ºÇºÇ |
4Â¥2011-12-30 14:20:37
zhangquan8385
ÈÙÓþ°æÖ÷ (ÎÄ̳¾«Ó¢)
- Ó¦Öú: 264 (´óѧÉú)
- ¹ó±ö: 3.26
- ½ð±Ò: 36055.3
- É¢½ð: 2224
- ºì»¨: 73
- ɳ·¢: 30
- Ìû×Ó: 12501
- ÔÚÏß: 3164.8Сʱ
- ³æºÅ: 555285
- ×¢²á: 2008-05-08
- ÐÔ±ð: GG
- רҵ: ½á¹¹ÌÕ´É
- ¹ÜϽ: ÎÞ»ú·Ç½ðÊô
¡¾´ð°¸¡¿Ó¦Öú»ØÌû
¡ï
¸Ðл²ÎÓ룬ӦÖúÖ¸Êý +1
aishan(½ð±Ò+1): ¸Ðл½»Á÷ 2011-12-30 14:40:32
yuquanyao(½ð±Ò+2): 2011-12-30 21:32:13
yuquanyao(½ð±Ò+1): ¡ï¡ï¡ïºÜÓаïÖú µç×ÓÑÜÉä×î¿¿ÀïµÄÄǸö»·ÊDz»ÊÇ¿ÉÒÔ˵Ã÷ÊǷǾ§µÄ£¿ 2011-12-30 21:39:11
¸Ðл²ÎÓ룬ӦÖúÖ¸Êý +1
aishan(½ð±Ò+1): ¸Ðл½»Á÷ 2011-12-30 14:40:32
yuquanyao(½ð±Ò+2): 2011-12-30 21:32:13
yuquanyao(½ð±Ò+1): ¡ï¡ï¡ïºÜÓаïÖú µç×ÓÑÜÉä×î¿¿ÀïµÄÄǸö»·ÊDz»ÊÇ¿ÉÒÔ˵Ã÷ÊǷǾ§µÄ£¿ 2011-12-30 21:39:11
|
1£¬ÍÊDz»ÊÇÍÍøÔì³ÉµÄ£¬TEM¸½´øµÄEDSÓ¦¸Ã¿ÉÒÔÕҵģ¬ÎҵľÍÓС£ XRDÀïÃæÃ»ÓУ¬¿¼ÂÇCuºÍPΪ·Ç¾§Ì¬£¬²»Åųýº¬Á¿µÍÓÚ¼ì²â£¨Åųý¿¼ÂÇÉè¼Æ¶à¼ÓP£© 2£¬µç×ÓÑÜÉä»·×´£¬Îª¶à¾§£¬Í¨¹ýÑÜÉ仨Ñù±ê¶¨½áºÏÔÁϹ¤ÒÕÅжÏÎïÖÊΪºÎ¾§Ìå¡£ 3£¬²»¸ã½ðÊô£¬Ó¦Óò»ÊǺÜÁ˽⡣ |
5Â¥2011-12-30 14:33:46
kingslcq
гæ (ÕýʽдÊÖ)
°®¿ÆÑ§µÄPH.D & Prof.
- Ó¦Öú: 56 (³õÖÐÉú)
- ¹ó±ö: 0.028
- ½ð±Ò: 785.2
- É¢½ð: 450
- ºì»¨: 28
- Ìû×Ó: 894
- ÔÚÏß: 40.7Сʱ
- ³æºÅ: 585944
- ×¢²á: 2008-08-08
- רҵ: ½á¹¹¹¤³Ì
¸Ðл²ÎÓ룬ӦÖúÖ¸Êý +1
zhyq8767(Ó¦ÖúÖ¸Êý-1): ÕýÈ·»Ø´ðÎÊÌâ²ÅËãÓ¦Öú¡£ 2011-12-30 15:18:43
zhyq8767(Ó¦ÖúÖ¸Êý-1): ÕýÈ·»Ø´ðÎÊÌâ²ÅËãÓ¦Öú¡£ 2011-12-30 15:18:43
| ÐÂÄêµ½ÁË£¬Ò²Ã»Ê²Ã´ÌرðµÄÀñÎïË͸øÄãÃÇ£¬Ï£ÍûÄãÃÇÉíÌ彡¿µ£¬¿ìÀÖÐÒ¸££¡ |
6Â¥2011-12-30 15:00:38
guxue
ר¼Ò¹ËÎÊ (ÖªÃû×÷¼Ò)
ѧϰʹÈ˽ø²½
-

ר¼Ò¾Ñé: +1781 - Ó¦Öú: 2372 (½²Ê¦)
- ¹ó±ö: 1.086
- ½ð±Ò: 41186.4
- É¢½ð: 102
- ºì»¨: 158
- Ìû×Ó: 6486
- ÔÚÏß: 609.8Сʱ
- ³æºÅ: 538944
- ×¢²á: 2008-04-03
- רҵ: ÎÞ»ú·Ç½ðÊôÀà¹âµçÐÅÏ¢Ó빦
- ¹ÜϽ: ÎÞ»ú·Ç½ðÊô
¡¾´ð°¸¡¿Ó¦Öú»ØÌû
¡ï ¡ï ¡ï ¡ï ¡ï ¡ï ¡ï ¡ï ¡ï ¡ï ¡ï ¡ï ¡ï ¡ï ¡ï ¡ï ¡ï ¡ï ¡ï ¡ï ¡ï ¡ï ¡ï ¡ï ¡ï ¡ï ¡ï ¡ï ¡ï ¡ï ¡ï ¡ï ¡ï
¸Ðл²ÎÓ룬ӦÖúÖ¸Êý +1
ëºï(½ð±Ò+1): ¸Ðл½»Á÷£¡ 2011-12-30 17:08:35
yuquanyao(½ð±Ò+32): ¡ïÓаïÖú ¾§Á£³ß´çÕâôС£¬´ò²»µ½µÄ°É£¿ 2012-03-08 18:15:23
¸Ðл²ÎÓ룬ӦÖúÖ¸Êý +1
ëºï(½ð±Ò+1): ¸Ðл½»Á÷£¡ 2011-12-30 17:08:35
yuquanyao(½ð±Ò+32): ¡ïÓаïÖú ¾§Á£³ß´çÕâôС£¬´ò²»µ½µÄ°É£¿ 2012-03-08 18:15:23
| ÀûÓÃEDS´òµ½¾§½çÉÏÁ˰ɣ¬ÄÇCuºÍPΪ·Ç¾§Ì¬£¬´æÔÚ¾§½ç´¦¡£½öÌṩ²Î¿¼°¡£¡ |

7Â¥2011-12-30 17:04:37
yuquanyao
ÈÙÓþ°æÖ÷ (ÖªÃû×÷¼Ò)
С±³°ü
- Ó¦Öú: 263 (´óѧÉú)
- ¹ó±ö: 1.14
- ½ð±Ò: 12736.4
- É¢½ð: 6301
- ºì»¨: 141
- ɳ·¢: 21
- Ìû×Ó: 6631
- ÔÚÏß: 1297.6Сʱ
- ³æºÅ: 908918
- ×¢²á: 2009-11-21
- ÐÔ±ð: GG
- רҵ: µç»¯Ñ§
- ¹ÜϽ: ¸´ºÏ²ÄÁÏ

8Â¥2011-12-30 21:30:54
yuquanyao
ÈÙÓþ°æÖ÷ (ÖªÃû×÷¼Ò)
С±³°ü
- Ó¦Öú: 263 (´óѧÉú)
- ¹ó±ö: 1.14
- ½ð±Ò: 12736.4
- É¢½ð: 6301
- ºì»¨: 141
- ɳ·¢: 21
- Ìû×Ó: 6631
- ÔÚÏß: 1297.6Сʱ
- ³æºÅ: 908918
- ×¢²á: 2009-11-21
- ÐÔ±ð: GG
- רҵ: µç»¯Ñ§
- ¹ÜϽ: ¸´ºÏ²ÄÁÏ

9Â¥2011-12-30 21:31:58
yuquanyao
ÈÙÓþ°æÖ÷ (ÖªÃû×÷¼Ò)
С±³°ü
- Ó¦Öú: 263 (´óѧÉú)
- ¹ó±ö: 1.14
- ½ð±Ò: 12736.4
- É¢½ð: 6301
- ºì»¨: 141
- ɳ·¢: 21
- Ìû×Ó: 6631
- ÔÚÏß: 1297.6Сʱ
- ³æºÅ: 908918
- ×¢²á: 2009-11-21
- ÐÔ±ð: GG
- רҵ: µç»¯Ñ§
- ¹ÜϽ: ¸´ºÏ²ÄÁÏ

10Â¥2011-12-30 21:32:42














»Ø¸´´ËÂ¥
