| ²é¿´: 163 | »Ø¸´: 0 | ||
cementchenľ³æ (СÓÐÃûÆø)
ר¼Ò
|
[ÇóÖú]
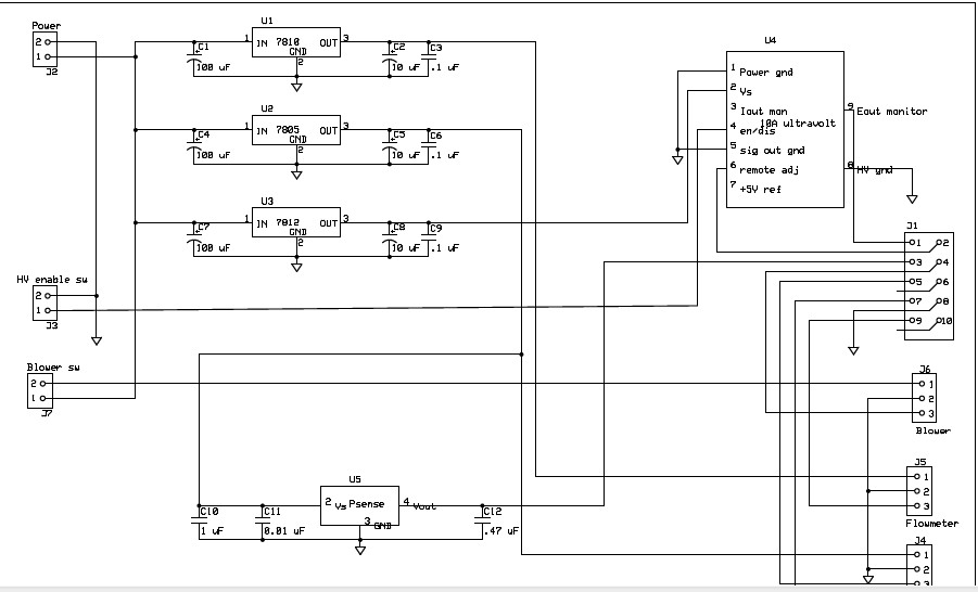
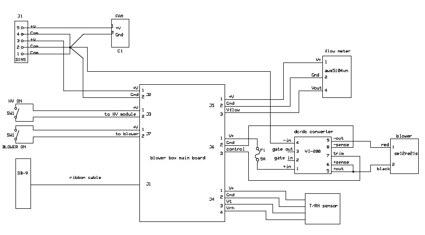
50½ð±ÒÇóÖúµçÆøÅ£È˽âÎöÕ⼸Õżòµ¥µç·ͼ£¬ÊÇ´óÆøÆøÈܽºÁ£¾¶·Ö²¼ÒÇÆ÷µÄ˵Ã÷Êéµç·ͼ
|
|
ÇóÖúµçÆø»òÕß»·¾³×¨ÒµÅ£È˽âÎö´óÆøÆøÈܽºÁ£¾¶·Ö²¼ÒÇ£¨Ò²½Ð²î·ÖɨÃèµçÇ¨ÒÆ¿ÅÁ£Á£¾¶Æ×ÒÇ£©Æ÷˵Ã÷ÊéµÄÕ⼸ÕÅµçÆøÍ¼Ö½£¬±¾ÈË·ÇµçÆø×¨Òµ£¬¶Ô´Ëµç·ͼһÇϲ»Í¨¡£Ï£ÍûÀ´¸öÅ£ÈËͨË×Ò×¶®µÄ½âÎöÒ»ÏÂÕ⼸Õŵç·ͼ£¬Óдð°¸À²·¢ÎÒÓÊÏächenjianhua8882002@yahoo.com.cn¡£´ð°¸ÂúÒâµÄµ½Ê±ºòÔÙ×·¼Ó½ð±ÒÖØ½ð³êл£¡£¡£¡£¡ [ À´×Ô¿ÆÑмÒ×å ´Ï´Ï¼Ò×å ] [ Last edited by cementchen on 2011-12-15 at 23:04 ] |
» ²ÂÄãϲ»¶
Ò»Ö¾Ô¸ÖØÇì´óѧ085404£¬×Ü·Ö314·Ö£¬Çóµ÷¼Á
ÒѾÓÐ4È˻ظ´
Êý¶þÓ¢¶þ348Çóµ÷¼Á
ÒѾÓÐ5È˻ظ´
295Çóµ÷¼Á
ÒѾÓÐ4È˻ظ´
»¯Ñ§µ÷¼ÁÇóÖú
ÒѾÓÐ3È˻ظ´
²ÄÁÏ334Çóµ÷¼Á
ÒѾÓÐ8È˻ظ´
ѧ˶288µ÷¼Á!!!
ÒѾÓÐ3È˻ظ´
26¿¼Ñе÷¼Á0710 0860
ÒѾÓÐ5È˻ظ´
11408,335·Ö£¬±¾¿Æ211£¬Çóµ÷¼Á£¬¿Éתרҵ
ÒѾÓÐ3È˻ظ´
²ÄÁϵ÷¼Á
ÒѾÓÐ7È˻ظ´
353Çóµ÷¼Á
ÒѾÓÐ5È˻ظ´















»Ø¸´´ËÂ¥