| 查看: 700 | 回复: 4 | |
[求助]
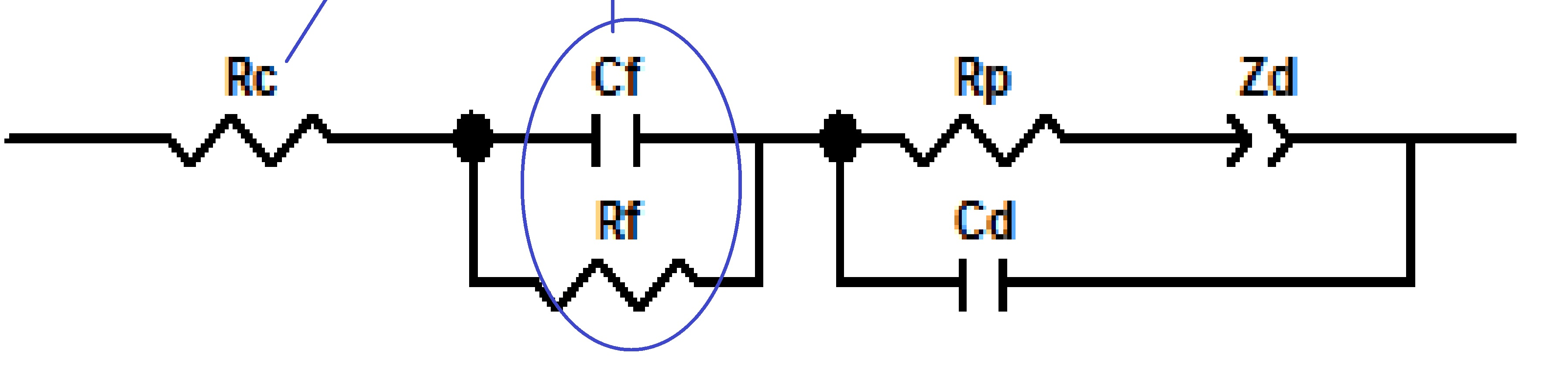
钢筋锈蚀的交流阻抗普,有图,网各位大侠不吝赐教
|
|
|
|
|
|
2楼2011-11-23 21:51:57
|
|
战国时代铁杆木虫 (著名写手)
|
|
|
3楼2011-11-24 08:45:00
|
|
312xuchunxia新虫 (初入文坛)
|
|
|
4楼2013-11-14 21:14:20
|
|
|
5楼2013-11-16 11:44:54
|
|













回复此楼
guojuanlu