版块导航
正在加载中...
客户端APP下载
论文辅导
申博辅导
登录
注册
帖子
帖子
用户
本版
应《网络安全法》要求,自2017年10月1日起,未进行实名认证将不得使用互联网跟帖服务。为保障您的帐号能够正常使用,请尽快对帐号进行手机号验证,感谢您的理解与支持!
24小时热门版块排行榜
>
论坛更新日志
(3675)
>
虫友互识
(624)
>
文献求助
(266)
>
导师招生
(229)
>
休闲灌水
(104)
>
硕博家园
(86)
>
考博
(66)
>
博后之家
(39)
>
基金申请
(39)
>
绿色求助(高悬赏)
(38)
>
招聘信息布告栏
(37)
>
论文道贺祈福
(37)
>
教师之家
(31)
>
找工作
(22)
>
考研
(21)
>
论文投稿
(21)
小木虫论坛-学术科研互动平台
»
材料区
»
金属
»
交流互助
»
请问生铁能侵蚀出晶粒来吗?
7
1/1
返回列表
查看: 904 | 回复: 6
只看楼主
@他人
存档
新回复提醒
(忽略)
收藏
在APP中查看
wg0301050510
木虫
(正式写手)
应助: 1
(幼儿园)
金币: 2341
散金: 98
红花: 2
帖子: 477
在线: 177.3小时
虫号: 977766
注册: 2010-03-21
性别: GG
专业: 钢铁冶金
[
求助
]
请问生铁能侵蚀出晶粒来吗?
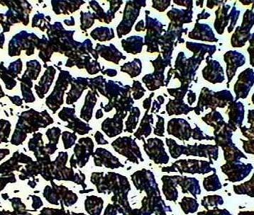
生铁,[C]=3.6%,请问能侵蚀出和钢一样晶粒来吗?哪位虫友做过啊,生铁侵蚀看晶粒的好像不多。我用4%硝酸酒精侵了30s,结构如下,大家指教一下。
100倍
回复此楼
» 猜你喜欢
有院领导为了换新车,用横向课题经费买了俩车
已经有7人回复
售SCI一区文章,我:8 O5 51O 54,科目齐全
已经有5人回复
售SCI一区文章,我:8 O5 51O 54,科目齐全
已经有6人回复
售SCI一区文章,我:8 O5 51O 54,科目齐全
已经有6人回复
售SCI一区文章,我:8 O5 51O 54,科目齐全
已经有6人回复
售SCI一区文章,我:8 O5 51O 54,科目齐全
已经有6人回复
酰胺脱乙酰基
已经有12人回复
售SCI一区文章,我:8 O5 51O 54,科目齐全
已经有3人回复
售SCI一区文章,我:8 O5 51O 54,科目齐全
已经有3人回复
同年申请2项不同项目,第1个项目里不写第2个项目的信息,可以吗
已经有4人回复
» 本主题相关价值贴推荐,对您同样有帮助:
上下游引物退火温度相差16℃, 是不是不能p出来啊
已经有6人回复
请问有人研究木槿花吗?从里面分离出来过异牡荆素吗?
已经有5人回复
直博生,博二还能出国攻博嘛?学校通过了,CSC照样会刷吗?
已经有43人回复
请问各位大侠,博士二年级可以申请CSC资助公派出国读博士吗
已经有8人回复
请问直博生一年级可以申请国家公派吗?
已经有5人回复
用什么参数来表征 晶粒内晶格缺陷的多少 ?
已经有5人回复
【求助】请问BSA标准蛋白溶液用什么定容不容易变性?
已经有1人回复
柱状晶侵蚀后晶粒与晶粒的颜色有差别,是什么造成的?
已经有10人回复
弟弟今年高考,山东考生,估分在600左右,想学土木工程,请问哪个二本学校较好
已经有27人回复
如何用色谱分离环己酮和环己醇,能用HP-5或DB-1来分离吗?
已经有5人回复
【求助】如何用XRD数据计算晶粒大小?谢谢,希望能够写出详细过程?
已经有15人回复
【求助】请问大家有谁知道用什么方法可以显示300M超高强度钢的奥氏体晶粒度?
已经有26人回复
静静的落尘
1楼
2011-10-11 12:54:34
已阅
回复此楼
关注TA
给TA发消息
送TA红花
TA的回帖
rat0902
木虫
(小有名气)
MM-EPI: 1
应助: 1
(幼儿园)
金币: 3164.9
散金: 105
红花: 23
帖子: 276
在线: 107.2小时
虫号: 1433041
注册: 2011-10-09
专业: 金属结构材料
【答案】应助回帖
wg0301050510(金币+2): 这和晶粒的关系? 2011-10-11 20:33:56
所有铸铁凝固时都会发生类似的结晶现象,遵循共同的结晶规律
赞
一下
回复此楼
2楼
2011-10-11 13:38:13
已阅
回复此楼
关注TA
给TA发消息
送TA红花
TA的回帖
ymliu7156
金虫
(正式写手)
百足之虫
应助: 25
(小学生)
贵宾: 0.03
金币: 2023.6
散金: 1070
红花: 3
帖子: 872
在线: 160.5小时
虫号: 630414
注册: 2008-10-19
性别:
MM
专业: 金属材料
【答案】应助回帖
wg0301050510(金币+2): 缩短侵蚀时间还是这种结构,是不是应该更换侵蚀剂啊? 2011-10-11 20:35:56
铸态的,腐蚀后看到的是枝晶晶粒,晶界应该已经腐蚀出来了,但不是教材上画的那种等轴晶。
赞
一下
回复此楼
3楼
2011-10-11 13:47:22
已阅
回复此楼
关注TA
给TA发消息
送TA红花
TA的回帖
ymliu7156
金虫
(正式写手)
百足之虫
应助: 25
(小学生)
贵宾: 0.03
金币: 2023.6
散金: 1070
红花: 3
帖子: 872
在线: 160.5小时
虫号: 630414
注册: 2008-10-19
性别:
MM
专业: 金属材料
【答案】应助回帖
wg0301050510(金币+2): 有没有什么文献或教科书可以参考一下,让我有个较为全面的认识啊?谢谢! 2011-10-12 08:28:52
腐蚀后的组织就应该是这样的,与腐蚀深浅没有关系的,而且所选腐蚀剂也是正确的,想更换腐蚀剂并不能改变他的组织形态。
赞
一下
回复此楼
4楼
2011-10-11 21:19:33
已阅
回复此楼
关注TA
给TA发消息
送TA红花
TA的回帖
ymliu7156
金虫
(正式写手)
百足之虫
应助: 25
(小学生)
贵宾: 0.03
金币: 2023.6
散金: 1070
红花: 3
帖子: 872
在线: 160.5小时
虫号: 630414
注册: 2008-10-19
性别:
MM
专业: 金属材料
【答案】应助回帖
wg0301050510(金币+2): 谢谢! 2011-10-12 11:06:48
很抱歉没有具体的参考资料或教科书可以提供,这是平时的经验积累的。
赞
一下
回复此楼
5楼
2011-10-12 08:53:36
已阅
回复此楼
关注TA
给TA发消息
送TA红花
TA的回帖
ymliu7156
金虫
(正式写手)
百足之虫
应助: 25
(小学生)
贵宾: 0.03
金币: 2023.6
散金: 1070
红花: 3
帖子: 872
在线: 160.5小时
虫号: 630414
注册: 2008-10-19
性别:
MM
专业: 金属材料
没帮上忙还给BB,惭愧。谢啦!
赞
一下
回复此楼
6楼
2011-10-12 21:38:29
已阅
回复此楼
关注TA
给TA发消息
送TA红花
TA的回帖
wg0301050510
木虫
(正式写手)
应助: 1
(幼儿园)
金币: 2341
散金: 98
红花: 2
帖子: 477
在线: 177.3小时
虫号: 977766
注册: 2010-03-21
性别: GG
专业: 钢铁冶金
引用回帖:
6楼
:
Originally posted by
ymliu7156
at 2011-10-12 21:38:29:
没帮上忙还给BB,惭愧。谢啦!
应该的,我的认识又有进步了嘛
赞
一下
回复此楼
静静的落尘
7楼
2011-10-13 08:14:28
已阅
回复此楼
关注TA
给TA发消息
送TA红花
TA的回帖
相关版块跳转
材料综合
材料工程
微米和纳米
晶体
金属
无机非金属
生物材料
功能材料
复合材料
我要订阅楼主
wg0301050510
的主题更新
7
1/1
返回列表
如果回帖内容含有宣传信息,请如实选中。否则帐号将被全论坛禁言
普通表情
龙
兔
虎
猫
百度网盘
|
360云盘
|
千易网盘
|
华为网盘
在新窗口页面中打开自己喜欢的网盘网站,将文件上传后,然后将下载链接复制到帖子内容中就可以了。
信息提示
关闭
请填处理意见
关闭
确定