| 查看: 414 | 回复: 2 | ||
[求助]
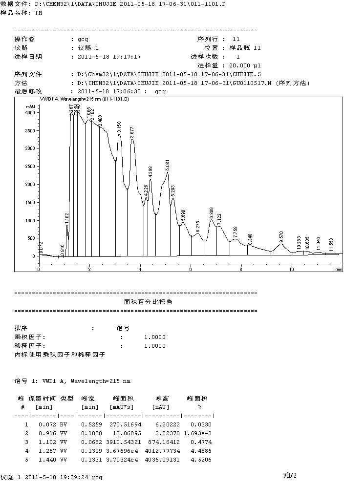
两个样品中7.7分时间左右有峰出现,但峰面积很大?
|
|
我HPLC测糖蜜和玉米浆(含杂质较多,蛋白、多种氨基酸等)中生物素含量,标品中生物素在7.7分钟出峰,在两个样品中7.7分时间左右有风出现,但峰面积很大,经计算不合实际,初步判断不是生物素的峰,可能是被杂峰覆盖,请问该怎么处理???另外可能由于糖蜜和生物素中生物素含量低,没有峰出现,但经手动积分事件仍没有峰出现,因此此种可能被排除! 标品 糖蜜 玉米浆 |
» 猜你喜欢
362求调剂
已经有14人回复
求调剂 302分初试 0854
已经有4人回复
299求调剂
已经有4人回复
266分,一志愿电气工程,本科材料,求材料专业调剂
已经有3人回复
312求调剂
已经有4人回复
315求调剂
已经有7人回复
土木304求调剂
已经有3人回复
316求调剂
已经有16人回复
一志愿华东理工大学,080500学硕,317分,求调剂
已经有13人回复
材料与化工306分找调剂
已经有9人回复
» 本主题相关价值贴推荐,对您同样有帮助:
有更新。。。C18柱,0.1%乙酸水溶液中,放置10天,高手帮忙分析下图谱吧,谢
已经有35人回复
小鼠血药浓度太低,液相分析出现未知峰,且峰面积很大,不知道该如何分析
已经有9人回复
求助:活性炭吸附柱如何装填?
已经有14人回复
【求助】液相重现性问题,隔天测同一个样品时差别很大???
已经有27人回复
痴夷子皮
版主 (文坛精英)
老痞
- PhEPI: 10
- 应助: 2016 (讲师)
- 贵宾: 5.368
- 金币: 54487.3
- 散金: 41688
- 红花: 303
- 沙发: 1206
- 帖子: 32611
- 在线: 4303.7小时
- 虫号: 674536
- 注册: 2008-12-14
- 性别: GG
- 专业: 无神论
- 管辖: 人文社科

2楼2011-06-10 14:37:01
zgf340631735
至尊木虫 (文坛精英)
- PhEPI: 7
- 应助: 36 (小学生)
- 贵宾: 0.1
- 金币: 39249.6
- 红花: 14
- 沙发: 133
- 帖子: 23669
- 在线: 481.7小时
- 虫号: 985556
- 注册: 2010-03-30
- 性别: GG
- 专业: 药物分析

3楼2011-06-10 14:46:56














回复此楼
这样的基线,这样的峰型,行么?即使目标物跑出来了,积分也成问题。