版块导航
正在加载中...
客户端APP下载
论文辅导
调剂小程序
登录
注册
帖子
帖子
用户
本版
应《网络安全法》要求,自2017年10月1日起,未进行实名认证将不得使用互联网跟帖服务。为保障您的帐号能够正常使用,请尽快对帐号进行手机号验证,感谢您的理解与支持!
24小时热门版块排行榜
>
论坛更新日志
(3995)
>
虫友互识
(861)
>
导师招生
(497)
>
文献求助
(461)
>
硕博家园
(178)
>
考研
(170)
>
休闲灌水
(170)
>
考博
(158)
>
博后之家
(107)
>
招聘信息布告栏
(96)
>
教师之家
(69)
>
论文投稿
(67)
>
基金申请
(57)
>
绿色求助(高悬赏)
(51)
>
公派出国
(42)
>
论文道贺祈福
(41)
小木虫论坛-学术科研互动平台
»
材料区
»
晶体
»
晶体解析
»
【请教】这是什么晶型
3
1/1
返回列表
查看: 246 | 回复: 2
只看楼主
@他人
存档
新回复提醒
(忽略)
收藏
在APP中查看
dageliang
木虫
(小有名气)
应助: 0
(幼儿园)
金币: 1765.7
帖子: 113
在线: 66.2小时
虫号: 851775
[交流]
【请教】这是什么晶型
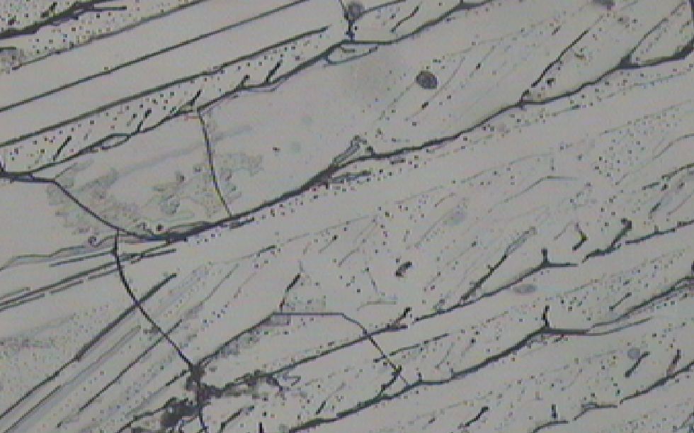
这是什么晶型,下图是偏光显微镜100倍
回复此楼
» 猜你喜欢
中南大学易小艺课题组诚招2026申请-考核制博士生
已经有0人回复
海南师范大学招收化学博士(光电功能材料课题组招收博士研究生)
已经有11人回复
无机化学论文润色/翻译怎么收费?
已经有255人回复
求助几个团簇的cif
已经有0人回复
急求该反应的详细机理
已经有5人回复
【Ei | Scopus 双检索】2026年智能交通与未来出行国际会议(CSTFM 2026)
已经有0人回复
【EI|Scopus 双检索】2026年第六届机器人与人工智能国际会议(JCRAI 2026)
已经有0人回复
zotero的advanced material模板没有更新,有人有新版的cls文件吗
已经有2人回复
【高校联合举办】2026年第五届服务机器人国际会议(ICoSR 2026)
已经有0人回复
高级回复
» 抢金币啦!回帖就可以得到:
查看全部散金贴
长春工业大学课题组招收硕士调剂生(化工、化学、材料、环境、制药、生物等方向)
+
1
/577
有机
+
1
/100
博洛尼亚大学能源材料课题组2个博后位置招聘(PNRR & MSCA)
+
1
/60
澳门理工大学人工智能智慧康养26 年9月入学 博士招生有奖学金
+
1
/33
招聘启事(酶工程与发酵工程方向)
+
2
/32
澳门理工大学人工智能智慧康养2026 年9月入学 博士招生有奖学金
+
1
/29
深圳理工大学刘鑫课题组高薪招聘博士后
+
1
/12
【少数民族】【生物医药】2026青岛大学招博士生
+
1
/11
海南大学-国家级人才团队 招2026级全日制硕士研究生
+
1
/8
诚邀有志之士加入江苏大学环境学院合成生物学课题组!(长期接收学硕专硕、硕博连读)
+
1
/8
中国科学院金属研究所何杰团队招收2026年9月入学博士生(具有铝合金研究经验者优先)
+
1
/8
新西兰 奥克兰理工大学(AUT)招博士,海藻资源化方向,详情请见如下内容,谢谢!
+
1
/8
青岛大学纺织服装学院张宪胜教授招收博士研究生
+
1
/7
大连理工大学智能系统实验室优秀博士研究生招生
+
1
/7
蛋白结构质谱实验室202609入学博士生(1名,202603月底报名)
+
1
/6
哈尔滨工程大学动力学院赵建辉团队招收2026博士研究生
+
1
/4
哈尔滨工程大学动力学院赵建辉团队招收2026博士研究生
+
1
/3
新加坡南洋理工大学- 光电/ 智能传感/ 脑机接口方向 博士后
+
1
/2
英国南安普顿大学禅铎课题组诚招气候动力方向博士后
+
1
/1
中国科学技术大学 工程科学学院 国家级人才团队 诚聘博士后
+
1
/1
1楼
2011-03-02 14:56:12
已阅
回复此楼
关注TA
给TA发消息
送TA红花
TA的回帖
dageliang
木虫
(小有名气)
应助: 0
(幼儿园)
金币: 1765.7
帖子: 113
在线: 66.2小时
虫号: 851775
ddd
ddddd
回复此楼
2楼
2011-03-03 14:56:06
已阅
回复此楼
关注TA
给TA发消息
送TA红花
TA的回帖
454106649
木虫
(著名写手)
CMEI: 1
应助: 28
(小学生)
金币: 2278
帖子: 1514
在线: 729.4小时
虫号: 1017764
~
放大了看总会有裂纹!
这个能看出来吗?我也想学怎么看!
赞
一下
回复此楼
3楼
2011-03-03 15:39:30
已阅
回复此楼
关注TA
给TA发消息
送TA红花
TA的回帖
相关版块跳转
材料综合
材料工程
微米和纳米
晶体
金属
无机非金属
生物材料
功能材料
复合材料
我要订阅楼主
dageliang
的主题更新
3
1/1
返回列表
如果回帖内容含有宣传信息,请如实选中。否则帐号将被全论坛禁言
普通表情
龙
兔
虎
猫
高级回复
(可上传附件)
百度网盘
|
360云盘
|
千易网盘
|
华为网盘
在新窗口页面中打开自己喜欢的网盘网站,将文件上传后,然后将下载链接复制到帖子内容中就可以了。
信息提示
关闭
请填处理意见
关闭
确定