| 查看: 3320 | 回复: 1 | |||
[交流]
魏氏组织工艺控制 已有1人参与
|
|
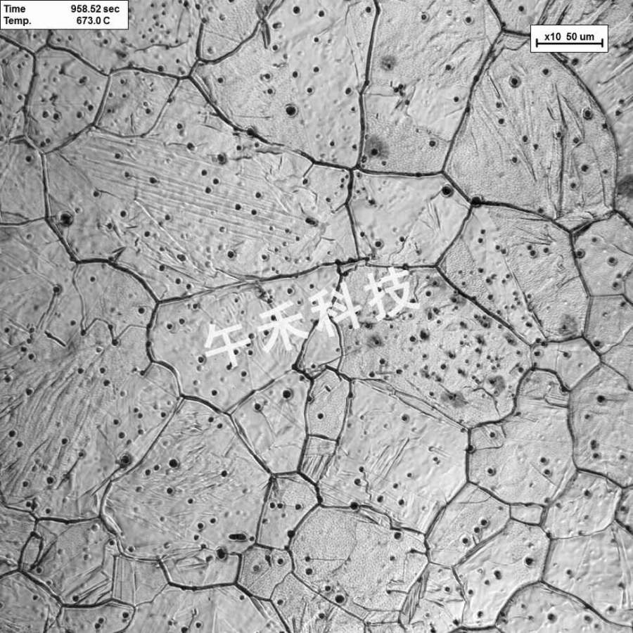
高碳钢在高温卷取过程中,珠光体组织会发生分解,形成铁素体和渗碳体。随着卷取温度的升高,珠光体分解的速度会加快,导致铁素体片或针状组织的形成速度增加,从而促进了魏氏体的形成。魏氏体是一种在珠光体基体上呈片状或针状分布的铁素体组织,其形成与珠光体的分解有关。 使用高温共聚焦显微镜(vl3000dx-svf18sp),模拟材料实际服役环境条件(温度、湿度、负载、气氛等),观察材料在高温下的反应过程,实现材料微观组织结构原位、动态、无损和可视化研究。 升降温过程中,通过控制卷曲温度,控制冷却速度以及添加合适的合金元素,均可以有效控制魏氏体的形成,获得理想的高碳钢组织和性能,结合实际生产工艺改进,在生产过程中控制魏氏组织的形成。 魏氏组织 发自小木虫手机客户端 |
» 猜你喜欢
0858 300 调剂b区
已经有1人回复
286分求调剂 | 本科双非一本 | 核能工程/能源动力/热能工程 | 接受跨专业
已经有0人回复
机械工程论文润色/翻译怎么收费?
已经有241人回复
一志愿中国石油大学华东,报考机械工程080200,考英一数一,求调剂
已经有0人回复
面上参与人员重要吗?找不到参与人
已经有5人回复
北航机械学院课题组博士招生
已经有0人回复
讲师身份申请面上项目中标率有影响吗
已经有27人回复
求调剂
已经有0人回复
希望面上好运
已经有29人回复
北京石油化工学院康举老师团招2026年研究生复试调剂考生,欢迎联系,
已经有0人回复
» 本主题相关商家推荐: (我也要在这里推广)
2楼2025-07-01 21:43:20














回复此楼