| 查看: 862 | 回复: 0 | ||
| 【悬赏金币】回答本帖问题,作者sdf97629将赠送您 40 个金币 | ||
[求助]
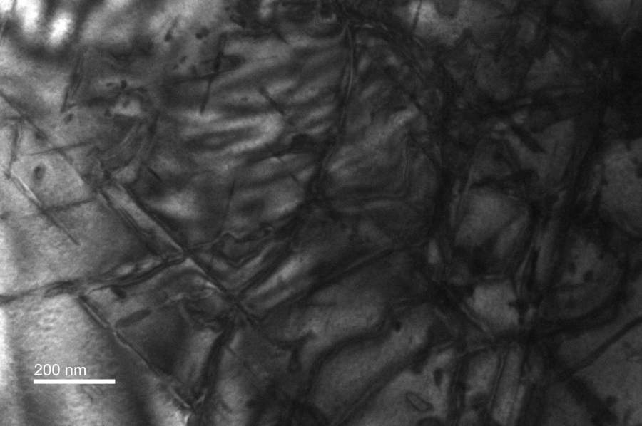
请教大神图片中能否看出晶格畸变或者位错信息
|
||
|
电镜小白,请教大神如图高分辨TEM照片,能否看出晶格畸变或者位错等信息,或者其它有用的信息。样品为长出的单晶样品,该图1是001面的高分辨,XRD结果显示峰很宽,分析可能存在晶格畸变,图2中黑色条纹能否说明是位错或者其它缺陷?请懂的大神告知,不胜感激! 1.jpg 2.jpg |
» 猜你喜欢
MIL-101有单晶样品吗
已经有1人回复
已删除
已经有3人回复
无机化学论文润色/翻译怎么收费?
已经有73人回复
收调剂研究生
已经有2人回复
【2026 考研调剂】哈尔滨工程大学核科学与技术学院核化工系 招收调剂生
已经有3人回复
【2026 考研调剂】哈尔滨工程大学核科学与技术学院核化工系 招收调剂生
已经有1人回复
广州大学环境大分子材料研究所2026年研究生招生简章
已经有0人回复
武汉纺织大学技术研究院招收化学、生物、材料、纺织、机械等专业调剂生
已经有0人回复
台州学院有序多孔材料团队化学、材料与化工硕士招生,请速联系!
已经有0人回复
首都师范大学化学系田洋课题组专硕招调剂生
已经有8人回复














回复此楼