24小时热门版块排行榜    

北京石油化工学院2026年研究生招生接收调剂公告
查看: 3214  |  回复: 0

With少帅

新虫 (初入文坛)

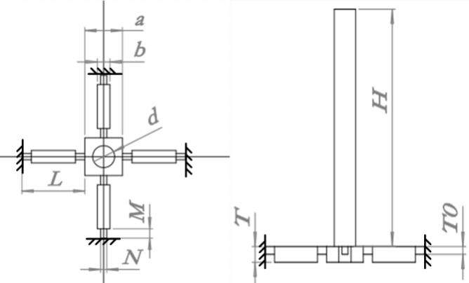
[求助] workbench ACT声学仿真细节求助

workbench ACT声学仿真细节求助,也付费求代做声学仿真,模拟如下,结构尺寸图如下:求结构上的应力分布,和形变

workbench ACT声学仿真细节求助
结构尺寸.jpg


workbench ACT声学仿真细节求助-1
声学模拟.jpg
回复此楼

» 猜你喜欢

已阅   回复此楼   关注TA 给TA发消息 送TA红花 TA的回帖
相关版块跳转 我要订阅楼主 With少帅 的主题更新
最具人气热帖推荐 [查看全部] 作者 回/看 最后发表
[考研] 专硕310求调剂 +5 捞捞我…. 2026-04-04 6/300 2026-04-04 23:33 by barlinike
[考研] 数二 英语一,求调剂,本科学校福建农林大学 +3 五峰尖 2026-03-29 3/150 2026-04-04 23:10 by zhyzzh
[考研] 材料工程310专硕调剂 +11 捞捞我…. 2026-04-04 11/550 2026-04-04 22:26 by lbsjt
[考研] 求调剂 +7 xzghyuj 2026-04-04 7/350 2026-04-04 22:25 by oooqiao
[考研] 调剂 +11 JLLLLLLLLLL 2026-04-03 11/550 2026-04-04 22:21 by hemengdong
[考研] 341求调剂 +3 洛多罗 2026-04-02 4/200 2026-04-04 21:36 by 智能智慧
[考研] 324求调剂 +14 想上学求调 2026-04-02 15/750 2026-04-04 20:31 by 无际的草原
[考研] 0703求调剂383分 +8 W55j 2026-04-03 8/400 2026-04-04 20:09 by xhai2011
[考研] 0835学硕299求调剂 08大类可接受 +5 useryy 2026-04-03 5/250 2026-04-04 20:07 by 蓝云思雨
[考研] 考研调剂 +4 美丽的youth_ 2026-04-04 5/250 2026-04-04 17:16 by imissbao
[考研] 一志愿0817化学工程与技术,求调剂 +24 我不是只因 2026-04-02 28/1400 2026-04-04 15:15 by dongzh2009
[考研] 322求调剂 +6 FZAC123 2026-04-03 6/300 2026-04-03 22:23 by 科研小专家
[考研] 考研调剂 +5 小sun要好运 2026-04-03 5/250 2026-04-03 21:43 by 啵啵啵0119
[考研] 070300一志愿211,312分求调剂院校 +16 小黄鸭宝 2026-03-30 16/800 2026-04-03 19:53 by lijunpoly
[考研] 学硕机械工程303求调剂 +6 无名所以叫吴明 2026-03-30 7/350 2026-04-03 16:48 by asdfzly
[考研] 材料专硕322分 +13 哈哈哈吼吼吼哈 2026-04-01 13/650 2026-04-03 16:08 by 哦哦123
[考研] 334求调剂 +9 Trying] 2026-03-31 9/450 2026-04-03 15:18 by 琢珥丶
[基金申请] 请问共同通讯和共同一作的认可度问题 10+4 psa1234 2026-04-01 10/500 2026-04-03 11:08 by Kittylucky
[考研] 求调剂 +7 Aniyaio 2026-04-02 7/350 2026-04-02 16:42 by zzsw+
[考研] 求调剂推荐 +3 南山南@ 2026-04-01 3/150 2026-04-02 12:09 by xiaoranmu
信息提示
请填处理意见