| 查看: 2580 | 回复: 7 | ||||
[交流]
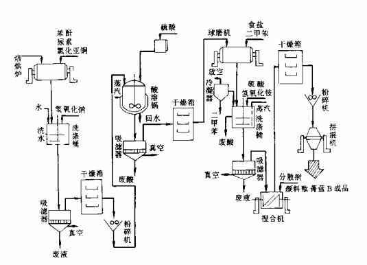
这个工艺生产流程图是怎么画的
|
|
如题,是什么软件画的。 发自小木虫Android客户端 |
» 猜你喜欢
071000生物学求调剂,初试成绩343
已经有3人回复
一志愿 西北大学 ,070300化学学硕,总分287,双非一本,求调剂。
已经有6人回复
0703化学/290求调剂/本科经历丰富/工科也可
已经有7人回复
266分求材料化工冶金矿业等专业的调剂
已经有3人回复
一志愿厦门大学化学学硕307求调剂
已经有7人回复
0703化学338求调剂!
已经有4人回复
284求调剂
已经有8人回复
总分322求生物学/生化与分子/生物信息学相关调剂
已经有6人回复
生物学 296 求调剂
已经有6人回复
生物学学硕,一志愿湖南大学,初试成绩338
已经有4人回复
» 本主题相关价值贴推荐,对您同样有帮助:
合成氨产业全流程创新图升级
已经有0人回复
自己从事科研以来的英文写作总结,希望对写SCI的你有帮助(特别是搞物理材料的)
已经有30人回复
用专利过期农药申请剂型专利算侵权吗?
已经有4人回复
关于药品注册的问题:共7个
已经有9人回复
求助正浮选法生产氯化钾工艺设计资料以及带控制点工艺流程图
已经有0人回复
谁给我讲解一下这个盐酸生产工艺流程图??
已经有1人回复
盐酸莫西沙星求助
已经有4人回复
甲醇精馏知识问答
已经有3人回复
求助:反应釜的选择,管道的连接问题
已经有14人回复
原料药(仿制药)CTD信息汇总表制备工艺存在的问题与建议
已经有9人回复
请教:电工硅钢的生产工艺流程有一项“拉伸热平整”是什么意思呢?
已经有5人回复
【软件】【Autodesk 3ds Max 2013】【六国语言/简体中文版】【安装包】
已经有180人回复
电池电极浆料高剪切分散乳化设备
已经有82人回复
【煤化工工艺】专题之四:煤的气化、液化和干馏技术
已经有59人回复
【原创】上海焦化厂实习报告总结
已经有2人回复

honglingxin
铜虫 (正式写手)
- 应助: 0 (幼儿园)
- 金币: 2701
- 散金: 79
- 红花: 1
- 帖子: 339
- 在线: 79小时
- 虫号: 1746619
- 注册: 2012-04-09
- 专业: 化学环境污染与健康
2楼2017-02-27 11:26:00
luxint
铁杆木虫 (著名写手)
- 应助: 49 (小学生)
- 金币: 7881.1
- 散金: 693
- 红花: 19
- 沙发: 1
- 帖子: 1504
- 在线: 1366.9小时
- 虫号: 1725962
- 注册: 2012-03-29
- 性别: GG
- 专业: 化工热力学和基础数据

3楼2017-02-28 11:51:29
119167009
专家顾问 (著名写手)
亮子
-

专家经验: +172 - FC-EPI: 24
- 应助: 291 (大学生)
- 贵宾: 0.384
- 金币: 6684.8
- 散金: 1132
- 红花: 17
- 帖子: 1595
- 在线: 207.4小时
- 虫号: 946275
- 注册: 2010-01-21
- 性别: GG
- 专业: 化学工程及工业化学
- 管辖: 精细化工
★ ★ ★
小木虫: 金币+0.5, 给个红包,谢谢回帖
寒带森林: 金币+2, 回帖交流奖励,欢迎常来精化版 2017-03-01 23:45:20
小木虫: 金币+0.5, 给个红包,谢谢回帖
寒带森林: 金币+2, 回帖交流奖励,欢迎常来精化版 2017-03-01 23:45:20
|
ppt就可以画出来,哪要那么麻烦 发自小木虫Android客户端 |

4楼2017-02-28 12:06:17
317001626
金虫 (小有名气)
- 应助: 3 (幼儿园)
- 金币: 1124.1
- 散金: 10
- 红花: 2
- 帖子: 127
- 在线: 51小时
- 虫号: 1246967
- 注册: 2011-03-27
- 专业: 金属材料表面科学与工程
5楼2017-03-01 11:29:21
半山桃花
木虫 (正式写手)
- 应助: 78 (初中生)
- 金币: 2365.8
- 红花: 8
- 帖子: 403
- 在线: 155.4小时
- 虫号: 4461475
- 注册: 2016-03-03
- 性别: GG
- 专业: 无机化工

6楼2017-03-01 16:07:08
★ ★
小木虫: 金币+0.5, 给个红包,谢谢回帖
寒带森林: 金币+1, 回帖交流奖励,欢迎常来精化版 2017-03-01 23:45:34
小木虫: 金币+0.5, 给个红包,谢谢回帖
寒带森林: 金币+1, 回帖交流奖励,欢迎常来精化版 2017-03-01 23:45:34
|
这只是简单的流程图,估计office就可以做出来,复杂点专业点设计院画的涉及阀门仪表等一般CAD 发自小木虫IOS客户端 |
7楼2017-03-01 16:58:37
风雨—无忌
木虫 (正式写手)
- 应助: 13 (小学生)
- 金币: 1700.2
- 散金: 81
- 红花: 20
- 帖子: 822
- 在线: 226.9小时
- 虫号: 2306320
- 注册: 2013-02-28
- 性别: GG
- 专业: 化学反应工程
8楼2017-03-02 08:28:38













回复此楼
