| ²é¿´: 1664 | »Ø¸´: 11 | ||
СÍã¶¹lhͳæ (СÓÐÃûÆø)
|
[ÇóÖú]
ÇóÖú£º²»Ôõô»á¿´½ðÏàÕÕÆ¬£¬°ïæ·ÖÎöÏÂÕâ3ÕŽðÏàÕÕÆ¬ ÒÑÓÐ4È˲ÎÓë
|
|
|
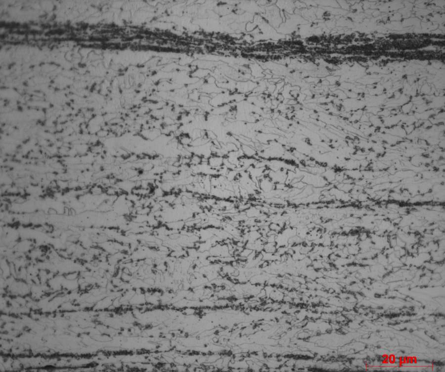
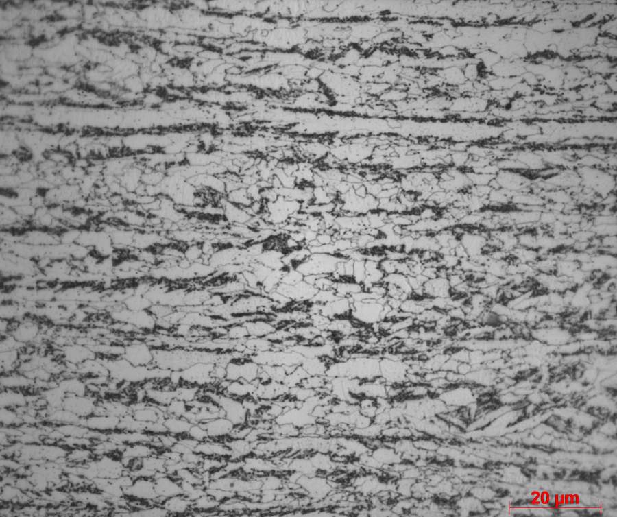
ÕâÈýÕÅÕÕÆ¬ÊǵͺϽð¸ßÇ¿¸Ö£¬°ïæ¿´¿´½ðÏàÊÇʲô×éÖ¯£¿3ÕÅÕÕÆ¬¶¼ÊÇ×ÝÏò½ØÃæ×éÖ¯¡£ ×Ý181£¨1000x£©_(c1).JPG ×Ý184£¨1000x£©_(c1).JPG ×Ý187£¨1000x£©_(c1).JPG |
» ²ÂÄãϲ»¶
292Çóµ÷¼Á
ÒѾÓÐ8È˻ظ´
Çóµ÷¼Á
ÒѾÓÐ4È˻ظ´
Ò»Ö¾Ô¸ Î÷±±´óѧ ×Ü·Ö282 Ó¢ÓïÒ»62 Çóµ÷¼Á
ÒѾÓÐ3È˻ظ´
µ÷¼Á310
ÒѾÓÐ4È˻ظ´
±±¿Æ281ѧ˶²ÄÁÏÇóµ÷¼Á
ÒѾÓÐ16È˻ظ´
Ò»Ö¾Ô¸ÉϺ£½»´óÉúÎïÓëҽҩר˶324·Ö£¬Çóµ÷¼Á
ÒѾÓÐ6È˻ظ´
Ò»Ö¾Ô¸¹þ¹¤´ó£¬085400£¬320£¬Çóµ÷¼Á
ÒѾÓÐ4È˻ظ´
316Çóµ÷¼Á
ÒѾÓÐ9È˻ظ´
085600 ²ÄÁÏÓ뻯¹¤ 329·ÖÇóµ÷¼Á
ÒѾÓÐ8È˻ظ´
0856Çóµ÷¼Á
ÒѾÓÐ6È˻ظ´
¡¶²ÝԵķ硷
ÖÁ×ðľ³æ (Ö°Òµ×÷¼Ò)
- Ó¦Öú: 854 (²©ºó)
- ½ð±Ò: 17356.3
- ºì»¨: 102
- Ìû×Ó: 3287
- ÔÚÏß: 961.1Сʱ
- ³æºÅ: 2536060
- ×¢²á: 2013-07-07
- ÐÔ±ð: GG
- רҵ: ½ðÊô½á¹¹²ÄÁÏ
¡¾´ð°¸¡¿Ó¦Öú»ØÌû
¸Ðл²ÎÓ룬ӦÖúÖ¸Êý +1
| ͬÒâÂ¥ÉϵĴø×´×éÖ¯µÄ¹Ûµã£¬ÊǾ¹ýËÜÐÔ±äÐεģ¨¿ÉÄÜÊÇÀäÔþ¡¢À伷ѹÕâÀàµÄ£©£¬ËÜÐÔ±äÐÎÁ¿³¬¹ý70%£¬°×É«µÄÊÇÌúËØÌ壬ºÚ²»ÁïÇïµÄÊÇÖé¹âÌ壬Öé¹âÌåÉÙ£¬ËµÃ÷º¬Ì¼Á¿²»¸ß£¬ÎÒ¹À¼ÆµÚÒ»Õŵĺ¬Ì¼Á¿´óÔ¼0.3~0.4%×óÓÒ£¬µÚ¶þÕź¬Ì¼Á¿¸üµÍ0.1%×óÓÒ£¬µÚÈýÕÅ0.2%×óÓÒ£¬Èç¹ûÊÇÒ»ÖÖ²ÄÁϲ»Í¬ÇøÓòµÄ»°£¬ËµÃ÷Æ«ÎöÑÏÖØ£¬µÚ¶þÕÅÒÉËÆÓмÐÔÓÎºÚÉ«µÄ³¤Ìõ´ø£©¡£ |

4Â¥2016-12-18 12:59:51
yanglijing84
Ìú¸Ëľ³æ (Ö°Òµ×÷¼Ò)
- Ó¦Öú: 93 (³õÖÐÉú)
- ½ð±Ò: 7626.6
- É¢½ð: 1495
- ºì»¨: 57
- ɳ·¢: 6
- Ìû×Ó: 3893
- ÔÚÏß: 624.5Сʱ
- ³æºÅ: 1998351
- ×¢²á: 2012-09-13
- ÐÔ±ð: GG
- רҵ: ½ðÊô²ÄÁϱíÃæ¿ÆÑ§Ó빤³Ì

5Â¥2016-12-18 13:11:15
רËÍһѪ
Ìú¸Ëľ³æ (Ö°Òµ×÷¼Ò)
- Ó¦Öú: 48 (СѧÉú)
- ½ð±Ò: 9284.1
- É¢½ð: 1980
- ºì»¨: 54
- Ìû×Ó: 3518
- ÔÚÏß: 168.5Сʱ
- ³æºÅ: 3490731
- ×¢²á: 2014-10-22
- ÐÔ±ð: GG
- רҵ: ½ðÊô²ÄÁϵĺϽðÏà¡¢Ïà±ä¼°
¡¾´ð°¸¡¿Ó¦Öú»ØÌû
¸Ðл²ÎÓ룬ӦÖúÖ¸Êý +1
| ×éÄÚÓÐ×öµÄ£¬Ó¦¸ÃÊÇÌúËØÌåºÍ±´ÊÏÌ塣֮ǰ˵Öé¹âÌå±»ÀϰåѵÁË¡£ |

7Â¥2016-12-20 21:39:50
xjd2014
гæ (ÎÄ̳¾«Ó¢)
- Ó¦Öú: 0 (Ó×¶ùÔ°)
- ½ð±Ò: 14465.8
- Ìû×Ó: 10636
- ÔÚÏß: 83.8Сʱ
- ³æºÅ: 5312883
- ×¢²á: 2016-12-03
- רҵ: ÎÞ»ú·Ç½ðÊôÀà¹âµçÐÅÏ¢Ó빦
2Â¥2016-12-18 10:11:25
lehigh_73
½ð³æ (ÖøÃûдÊÖ)
- Ó¦Öú: 173 (¸ßÖÐÉú)
- ½ð±Ò: 1234.8
- ºì»¨: 11
- Ìû×Ó: 1108
- ÔÚÏß: 312.2Сʱ
- ³æºÅ: 233382
- ×¢²á: 2006-03-29
- ÐÔ±ð: GG
- רҵ: ½ðÊô½á¹¹²ÄÁÏ
3Â¥2016-12-18 12:34:19
СÍã¶¹lh
ͳæ (СÓÐÃûÆø)
- Ó¦Öú: 0 (Ó×¶ùÔ°)
- ½ð±Ò: 247.3
- Ìû×Ó: 51
- ÔÚÏß: 8.7Сʱ
- ³æºÅ: 2185907
- ×¢²á: 2012-12-14
- ÐÔ±ð: GG
- רҵ: ½ðÊô²ÄÁϵĺϽðÏà¡¢Ïà±ä¼°
6Â¥2016-12-18 16:19:26
2320334605
ľ³æ (СÓÐÃûÆø)
- Ó¦Öú: 1 (Ó×¶ùÔ°)
- ½ð±Ò: 2054.9
- Ìû×Ó: 284
- ÔÚÏß: 61.7Сʱ
- ³æºÅ: 3804707
- ×¢²á: 2015-04-12
- ÐÔ±ð: GG
- רҵ: Áã¼þ³ÉÐÎÖÆÔì

8Â¥2016-12-20 22:26:14
aerial1991
¾èÖú¹ó±ö (ÖøÃûдÊÖ)
ÍõÕß¹éÀ´
- Ó¦Öú: 32 (СѧÉú)
- ½ð±Ò: 2550.6
- É¢½ð: 100
- ºì»¨: 13
- ɳ·¢: 10
- Ìû×Ó: 2211
- ÔÚÏß: 103.9Сʱ
- ³æºÅ: 5167741
- ×¢²á: 2016-10-26
- ÐÔ±ð: GG
- רҵ: ¸ÖÌúÒ±½ð

9Â¥2016-12-21 10:24:36
ÇÙµÑÊéÉú
½ð³æ (ÕýʽдÊÖ)
- Ó¦Öú: 1 (Ó×¶ùÔ°)
- ½ð±Ò: 4387.1
- É¢½ð: 40
- Ìû×Ó: 343
- ÔÚÏß: 164Сʱ
- ³æºÅ: 1880679
- ×¢²á: 2012-07-06
- ÐÔ±ð: GG
- רҵ: ÓÐÉ«½ðÊôÒ±½ð
10Â¥2016-12-21 10:53:44













»Ø¸´´ËÂ¥
