| ²é¿´: 7089 | »Ø¸´: 9 | ||
aifsennгæ (СÓÐÃûÆø)
|
[ÇóÖú]
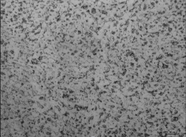
TC4(Ti-6Al-4V)îѺϽð½ðÏà·ÖÎö£¬ÇóÖú¸÷λ´óÉñ¡£¿´²»¶®½ðÏà¡£
|
|
|
|
||
flingbabyÌú¸Ëľ³æ (ÖøÃûдÊÖ)
С³æ×Ó
|
||
![]() |
||
|
2Â¥2016-12-11 23:51:52
|
|
|
aifsennгæ (СÓÐÃûÆø)
|
||
|
3Â¥2016-12-12 10:25:12
|
|
|
flingbabyÌú¸Ëľ³æ (ÖøÃûдÊÖ)
С³æ×Ó
|
||
![]() |
||
|
4Â¥2016-12-12 16:32:36
|
|
|
aifsennгæ (СÓÐÃûÆø)
|
||
|
5Â¥2016-12-12 16:56:32
|
|
|
flingbabyÌú¸Ëľ³æ (ÖøÃûдÊÖ)
С³æ×Ó
|
||
![]() |
||
|
6Â¥2016-12-12 21:31:58
|
|
|
flingbabyÌú¸Ëľ³æ (ÖøÃûдÊÖ)
С³æ×Ó
|
||
![]() |
||
|
7Â¥2016-12-12 21:32:34
|
|
|
aifsennгæ (СÓÐÃûÆø)
|
|
|
|
8Â¥2016-12-14 00:19:56
|
|
|
ruirui4598ľ³æ (ÕýʽдÊÖ)
|
||
|
9Â¥2016-12-14 05:12:06
|
|
|
chyfľ³æ (СÓÐÃûÆø)
|
||
|
10Â¥2022-04-11 17:57:51
|
|














»Ø¸´´ËÂ¥
