| ²é¿´: 462 | »Ø¸´: 2 | ||
chensongyuгæ (³õÈëÎÄ̳)
|
[ÇóÖú]
Çë°ïÎÒ¿´¿´ÕâÊÇʲô×éÖ¯£¿
|
|
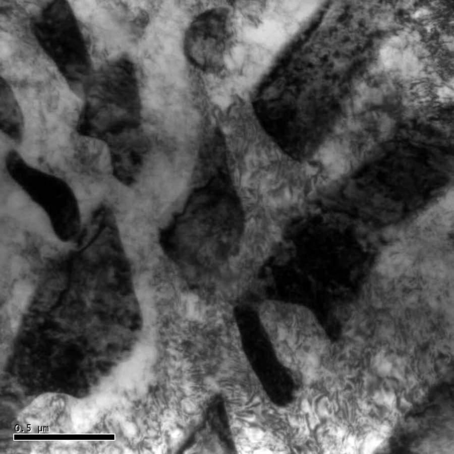
ÕâÊÇÈäÌúµÄͶÉäÕÕÆ¬£¬Çó´óÉñ¿´¿´ÀïÃæµÄÏßÌõÊÇʲô£¬»¹ÓÐÄÇÖÖ¿´ÆðÀ´ºÚ°×Ïà¼äµÄ¶«Î÷£¬Õâ²ÄÁÏÖ»ÊÇ´¿Öý³öÀ´µÄ£¬Î´¾¹ý¼Ó¹¤¡£ ·¢×ÔСľ³æAndroid¿Í»§¶Ë [ Last edited by linhua0402313 on 2016-6-15 at 08:45 ] |
» ²ÂÄãϲ»¶
ÇóÖú
ÒѾÓÐ1È˻ظ´
0703»¯Ñ§26¿¼Ñе÷¼Á£¬Ò»Ö¾Ô¸Äϲý´óѧ
ÒѾÓÐ5È˻ظ´
ÎÞ»ú»¯Ñ§ÂÛÎÄÈóÉ«/·ÒëÔõôÊÕ·Ñ?
ÒѾÓÐ156È˻ظ´
ÓÐûÓл¯Ñ§¡¢²ÄÁÏרҵµÄͬѧÐèÒªµ÷¼Á ¿¼ÂÇÌì½ò¸ßЧµÄ¿ÉÒÔÓʼþ»òÕß˽ÐÅ
ÒѾÓÐ1È˻ظ´
26Ä격ʿÕÐÉú
ÒѾÓÐ16È˻ظ´
½Î÷Àí¹¤´óѧ¹¦Äܾ§Ì¬²ÄÁÏ·½ÏòÁõËì¾ü¿ÎÌâ×éÕÐÊÕ2026ÄêÇï¼¾Èëѧ²©Ê¿Ñо¿Éú
ÒѾÓÐ11È˻ظ´
ÄþÏÄ´óѧÍÅ´ØÐ²ÄÁÏÍŶÓÕÐÊÕ²ÄÁÏ/»¯Ñ§/»¯¹¤×¨Òµ²©Ê¿Éú
ÒѾÓÐ0È˻ظ´
MIL-101Óе¥¾§ÑùÆ·Âð
ÒѾÓÐ1È˻ظ´
ÒÑɾ³ý
ÒѾÓÐ3È˻ظ´
ÊÕµ÷¼ÁÑо¿Éú
ÒѾÓÐ2È˻ظ´
¡¾2026 ¿¼Ñе÷¼Á¡¿¹þ¶û±õ¹¤³Ì´óѧºË¿ÆÑ§Óë¼¼ÊõѧԺºË»¯¹¤Ïµ ÕÐÊÕµ÷¼ÁÉú
ÒѾÓÐ2È˻ظ´
» ±¾Ö÷ÌâÏà¹ØÉ̼ÒÍÆ¼ö: (ÎÒÒ²ÒªÔÚÕâÀïÍÆ¹ã)
ÄäÃû
Óû§×¢Ïú (ÖªÃû×÷¼Ò)
¾«ÐÞÎÊÌâ¿É˽ÐÅ
- CMEI: 2
- Ó¦Öú: 2712 (½²Ê¦)
- ¹ó±ö: 0.836
- ½ð±Ò: 38475.5
- É¢½ð: 1801
- ºì»¨: 400
- Ìû×Ó: 5825
- ÔÚÏß: 1932.4Сʱ
- ³æºÅ: 0
- ×¢²á: 2008-10-05
- ÐÔ±ð: GG
- רҵ: Ò©Îï·ÖÎö
- ¹ÜϽ: ¾§Ìå
2Â¥2016-06-15 09:50:14
chensongyu
гæ (³õÈëÎÄ̳)
- Ó¦Öú: 0 (Ó×¶ùÔ°)
- ½ð±Ò: 157.5
- Ìû×Ó: 29
- ÔÚÏß: 4.5Сʱ
- ³æºÅ: 4289395
- ×¢²á: 2015-12-15
- רҵ: Â߼ѧ
3Â¥2016-06-15 22:33:53














»Ø¸´´ËÂ¥
