24小时热门版块排行榜    

Znn3bq.jpeg
查看: 389  |  回复: 0

pcsl

银虫 (小有名气)

[求助] 球化處理中心硬度明顯跟周圍硬度差很多

RAD COM氫氣爐球化處理
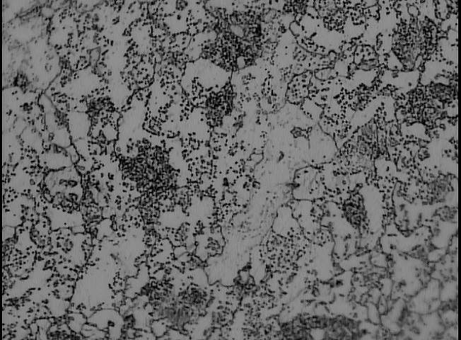
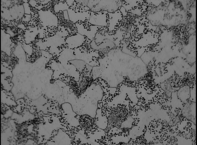
材質:中鋼40ACR
減面率:15-12.7
球化條件:720度c均溫6小時,每小時8度c降到640
問題:測試時發現中心硬度約67HRB,但周邊硬度約75HRB,覺得很奇怪,不知道是什麼原因造成的,不知道有沒有人遇過同樣情形呢?


外圍X100


-1
外圍X500倍


-2
I15-12.7 76.8 0.021 2-5 X100.jpg


-3
I15-12.7 76.8 0.021 2-5 X500.jpg
回复此楼
已阅   回复此楼   关注TA 给TA发消息 送TA红花 TA的回帖
相关版块跳转 我要订阅楼主 pcsl 的主题更新
最具人气热帖推荐 [查看全部] 作者 回/看 最后发表
[考博] 现在不知道怎么办,感觉很痛苦 +5 qweww 2026-05-11 6/300 2026-05-16 19:57 by Equinoxhua
[基金申请] 请问大佬b0816评完了吗 +4 市民华南虎 2026-05-12 8/400 2026-05-16 19:54 by Equinoxhua
[有机交流] 求助2,4-二氯-5-嘧啶甲醛的合成方法 20+3 光吃不拉 2026-05-14 6/300 2026-05-16 19:46 by Equinoxhua
[基金申请] 精华III评审感受-评审感受-评审感受 +15 ferrarichen 2026-05-11 19/950 2026-05-16 19:44 by Equinoxhua
[博后之家] 售SCI一区T0P文章,我:8.O.5.5.1.O.5.4,科目齐全,可+急 +3 k37jurhrau 2026-05-16 3/150 2026-05-16 19:10 by j6b2pdz07o
[论文投稿] 售SCI一区T0P文章,我:8.O.5.5.1.O.5.4,科目齐全,可+急 +3 ky2p12rrjj 2026-05-15 4/200 2026-05-16 18:45 by j6b2pdz07o
[硕博家园] 售SCI一区T0P文章,我:8.O.5.5.1.O.5.4,科目齐全,可+急 +4 x0mp7owy2b 2026-05-15 4/200 2026-05-16 17:45 by j6b2pdz07o
[基金申请] 售SCI一区T0P文章,我:8.O.5.5.1.O.5.4,科目齐全,可+急 +3 v9tggjlwd0 2026-05-15 3/150 2026-05-16 17:37 by j6b2pdz07o
[考博] 光量子物理方向 博士招生 1人(2026.09) +3 sandyworld 2026-05-15 3/150 2026-05-16 17:11 by zznnnj
[有机交流] 如何实现卤原子转化 10+3 BT20230424 2026-05-15 5/250 2026-05-16 16:20 by czyzsu
[硕博家园] 考博自荐 +3 科研狗111 2026-05-13 4/200 2026-05-16 11:45 by 科研狗111
[考博] 售SCI一区T0P文章,我:8.O.5.5.1.O.5.4,科目齐全,可+急 +4 l7k6xnh0yc 2026-05-14 4/200 2026-05-16 11:36 by h3oerqvkv9
[考研] 售SCI一区T0P文章,我:8.O.5.5.1.O.5.4,科目齐全,可+急 +4 l7k6xnh0yc 2026-05-14 6/300 2026-05-16 11:29 by h3oerqvkv9
[硕博家园] 售SCI一区T0P文章,我:8.O.5.5.1.O.5.4,科目齐全,可+急 +4 cjf4bx70cj 2026-05-14 6/300 2026-05-16 11:16 by h3oerqvkv9
[硕博家园] 申请博士 +3 呃?呃 2026-05-15 3/150 2026-05-16 11:01 by a4742549
[考博] 2026博士还有哪些学校有名额 +5 小王求读研 2026-05-15 6/300 2026-05-16 10:44 by a4742549
[硕博家园] 售SCI一区T0P文章,我:8.O.5.5.1.O.5.4,科目齐全,可+急 +4 l7k6xnh0yc 2026-05-14 5/250 2026-05-16 04:29 by k37jurhrau
[找工作] 售SCI一区T0P文章,我:8.O.5.5.1.O.5.4,科目齐全,可+急 +3 l7k6xnh0yc 2026-05-14 3/150 2026-05-16 01:49 by k37jurhrau
[考博] 26应届毕业生考博求助 +3 wo一定上岸 2026-05-13 3/150 2026-05-14 21:47 by 明海天涯
[论文投稿] 求助大佬sci投稿哪个好中 +3 江沅188 2026-05-12 4/200 2026-05-13 14:35 by 江沅188
信息提示
请填处理意见