| 查看: 1404 | 回复: 12 | ||
[求助]
求助大家 帮忙看看组织 该怎么分析 谢谢谢了 已有1人参与
|
||
|
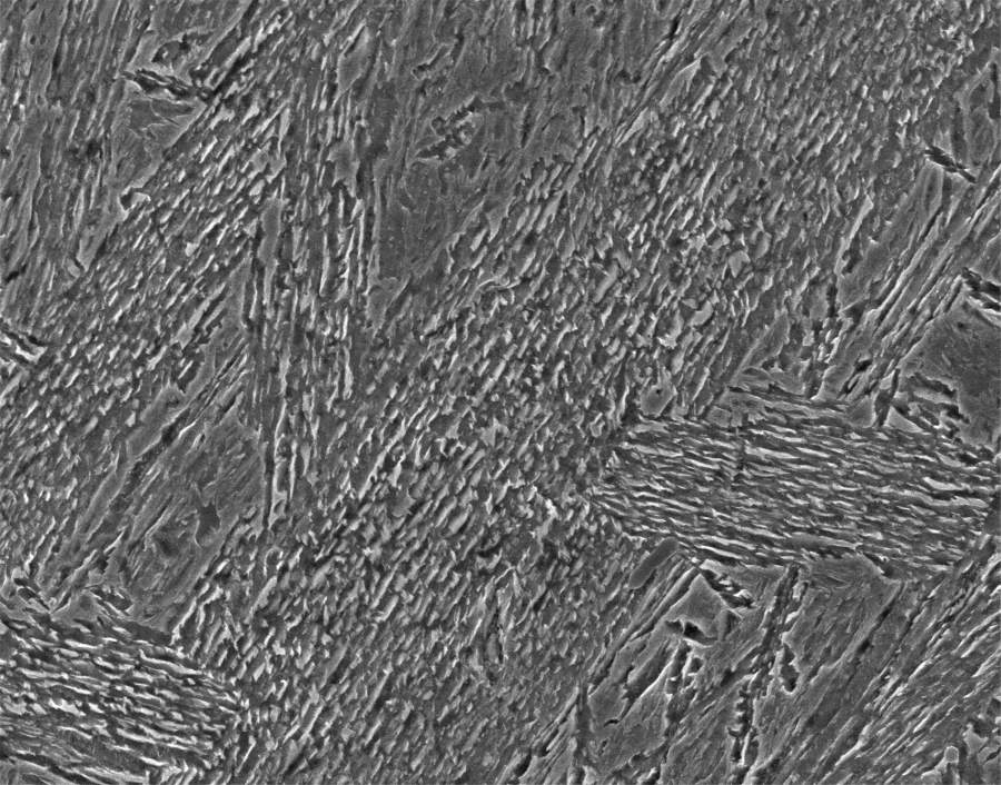
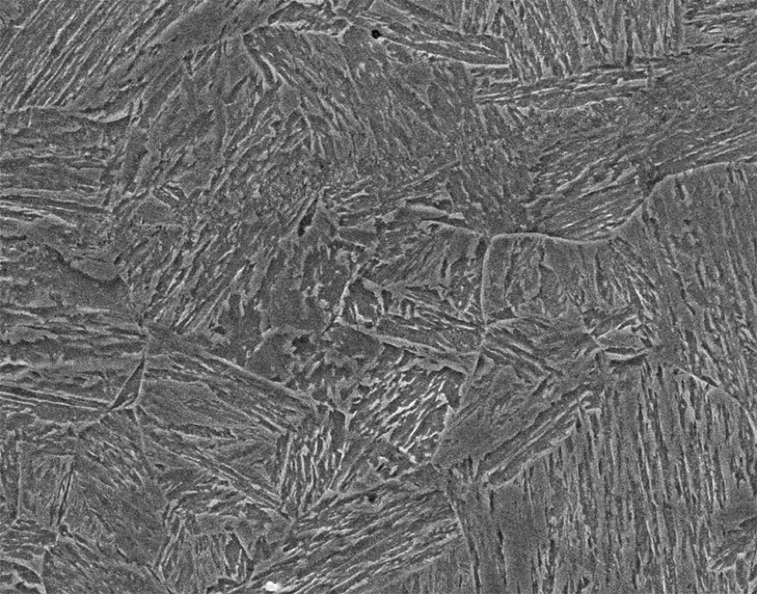
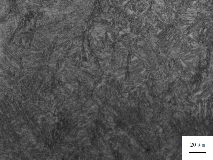
B钢450回火 时间不一样 不知道组织该怎么分析 向会看组织的大神求助 第一组的时间相同 发自小木虫IOS客户端 第二组 第二组扫描 第三组 第三组扫描 |
» 猜你喜欢
面上可以超过30页吧?
已经有13人回复
网上报道青年教师午睡中猝死、熬夜猝死的越来越多,主要哪些原因引起的?
已经有10人回复
为什么中国大学工科教授们水了那么多所谓的顶会顶刊,但还是做不出宇树机器人?
已经有13人回复
什么是人一生最重要的?
已经有8人回复
版面费该交吗
已经有17人回复
体制内长辈说体制内绝大部分一辈子在底层,如同你们一样大部分普通教师忙且收入低
已经有19人回复
【博士招生】太原理工大学2026化工博士
已经有8人回复
280求调剂
已经有4人回复
4楼2016-05-03 11:13:10
6楼2016-05-03 15:18:15
10楼2016-05-04 10:38:02
2楼2016-05-02 17:18:29
3楼2016-05-02 20:08:47
5楼2016-05-03 11:46:06
孤风
木虫 (正式写手)
- 应助: 10 (幼儿园)
- 金币: 2194.6
- 散金: 6
- 红花: 4
- 帖子: 678
- 在线: 158.5小时
- 虫号: 244005
- 注册: 2006-04-16
- 性别: GG
- 专业: 金属材料的合金相、相变及

7楼2016-05-03 15:57:32
8楼2016-05-04 09:44:51
9楼2016-05-04 10:21:12













回复此楼

840012506