| 查看: 1120 | 回复: 1 | ||
[求助]
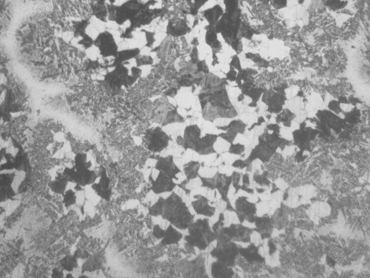
5CrNiMo退火组织
|
|
4h退火处理5CrNiMo,发现组织中只有枝晶中心产生了典型共析钢组织,而晶粒边缘的组织与铸态非常相似,即灰色的宽片间距珠光体。而且离铸锭边缘越近共析钢组织越少。请问虫友们这可能是什么原因? 这个是铸锭心部位置 [img] 这个是铸锭边缘位置 变质处理后完全是共析钢组织 |
» 猜你喜欢
网上报道青年教师午睡中猝死、熬夜猝死的越来越多,主要哪些原因引起的?
已经有10人回复
为什么中国大学工科教授们水了那么多所谓的顶会顶刊,但还是做不出宇树机器人?
已经有13人回复
什么是人一生最重要的?
已经有8人回复
版面费该交吗
已经有17人回复
体制内长辈说体制内绝大部分一辈子在底层,如同你们一样大部分普通教师忙且收入低
已经有19人回复
【博士招生】太原理工大学2026化工博士
已经有8人回复
280求调剂
已经有4人回复
面上可以超过30页吧?
已经有12人回复
2楼2016-04-19 10:54:06













回复此楼