| ²é¿´: 1948 | »Ø¸´: 21 | ||
| µ±Ç°Ö»ÏÔʾÂú×ãÖ¸¶¨Ìõ¼þµÄ»ØÌû£¬µã»÷ÕâÀï²é¿´±¾»°ÌâµÄËùÓлØÌû | ||
Gineeгæ (³õÈëÎÄ̳)
|
[ÇóÖú]
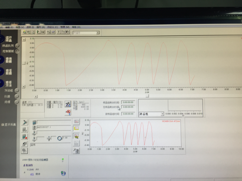
HPLC»ùÏßͻȻÅܲ»Æ½ÁË ÒÑÓÐ6È˲ÎÓë
|
|
|
ÇóÖú°¡£¬ÓõÄÊÇC18Öù£¬Ö®Ç°Ò»Ö±ºÃºÃµÄ£¬ÕâÁ½ÌìÔõô¶¼×ß²»Æ½»ùÏߣ¬ÒѾÓø÷Öֳ巨À´ÅųýϵͳºÍÖù×Ó½øÆøÅݵĿÉÄÜÐÔÁË£¬Á÷¶¯ÏàÒ²¶¼³¬Éù¹ýÁË£¬²¢ÇÒÖùѹҲºÜÎȶ¨£¬µ«ÊdzöÀ´µÄ·å¾ÍÒ»Ö±ÊÇÕâÑù£¬ÇëÎʸ÷λÓоÑéµÄǰ±²£¬ÊÇÄÄÀï³öÎÊÌâÁË£¿ ·¢×ÔСľ³æIOS¿Í»§¶Ë |
» ²ÂÄãϲ»¶
22408 312Çóµ÷¼Á
ÒѾÓÐ16È˻ظ´
ͨÐŹ¤³ÌÇóµ÷¼Á£¡£¡£¡
ÒѾÓÐ3È˻ظ´
²ÄÁÏ299ר˶Çóµ÷¼Á
ÒѾÓÐ16È˻ظ´
ҩѧÇóµ÷¼Á
ÒѾÓÐ10È˻ظ´
²ÄÁÏÏà¹Ø×¨Òµ344Çóµ÷¼ÁË«·Ç¹¤¿ÆÑ§Ð£»ò¿ÎÌâ×é
ÒѾÓÐ21È˻ظ´
085404 22408 309·ÖÇóµ÷¼Á
ÒѾÓÐ7È˻ظ´
302·ÖÇóµ÷¼Á
ÒѾÓÐ11È˻ظ´
271Çóµ÷¼Á
ÒѾÓÐ29È˻ظ´
297¹¤¿Æµ÷¼Á?
ÒѾÓÐ13È˻ظ´
274Çóµ÷¼Á
ÒѾÓÐ12È˻ظ´
ÀÏÖÆ¼Á
½ð³æ (СÓÐÃûÆø)
- Ó¦Öú: 1 (Ó×¶ùÔ°)
- ½ð±Ò: 580.2
- Ìû×Ó: 73
- ÔÚÏß: 22.8Сʱ
- ³æºÅ: 4404459
- ×¢²á: 2016-02-15
- רҵ: Ò©Îï·ÖÎö
22Â¥2016-04-03 00:29:04
¶ß¡ªÀ²
Ìú³æ (СÓÐÃûÆø)
- Ó¦Öú: 4 (Ó×¶ùÔ°)
- ½ð±Ò: 397.3
- É¢½ð: 13
- ºì»¨: 1
- Ìû×Ó: 133
- ÔÚÏß: 44.6Сʱ
- ³æºÅ: 2620769
- ×¢²á: 2013-08-28
- רҵ: ÎÛȾ¿ØÖÆ»¯Ñ§
2Â¥2016-03-31 17:52:24
°ôÃöù
½ð³æ (ÕýʽдÊÖ)
- Ó¦Öú: 16 (СѧÉú)
- ½ð±Ò: 1298.9
- É¢½ð: 104
- ºì»¨: 5
- ɳ·¢: 14
- Ìû×Ó: 897
- ÔÚÏß: 52.9Сʱ
- ³æºÅ: 3430418
- ×¢²á: 2014-09-20
- ÐÔ±ð: MM
- רҵ: Ò©¼Áѧ
3Â¥2016-03-31 17:55:03
hu_willie
гæ (ÖøÃûдÊÖ)
- Ó¦Öú: 25 (СѧÉú)
- ½ð±Ò: 9955.5
- ºì»¨: 2
- Ìû×Ó: 1004
- ÔÚÏß: 28.9Сʱ
- ³æºÅ: 4543199
- ×¢²á: 2016-03-26
- ÐÔ±ð: MM
- רҵ: É«Æ×·ÖÎö
|
·ÅÌ«´óÁË£¬ÄãËõСϱÈÂÊÔÙ¸ø¸ö½ØÍ¼¿´¿´£¬È»ºó£¬ÓÐûÓÐÅųý¹ýÊÇÖù×ӺͳØ×ÓÎÛȾ£¿ ·¢×ÔСľ³æAndroid¿Í»§¶Ë |
4Â¥2016-03-31 17:56:13














»Ø¸´´ËÂ¥
5