| ²é¿´: 1945 | »Ø¸´: 9 | ||
a395902937Òø³æ (СÓÐÃûÆø)
|
[ÇóÖú]
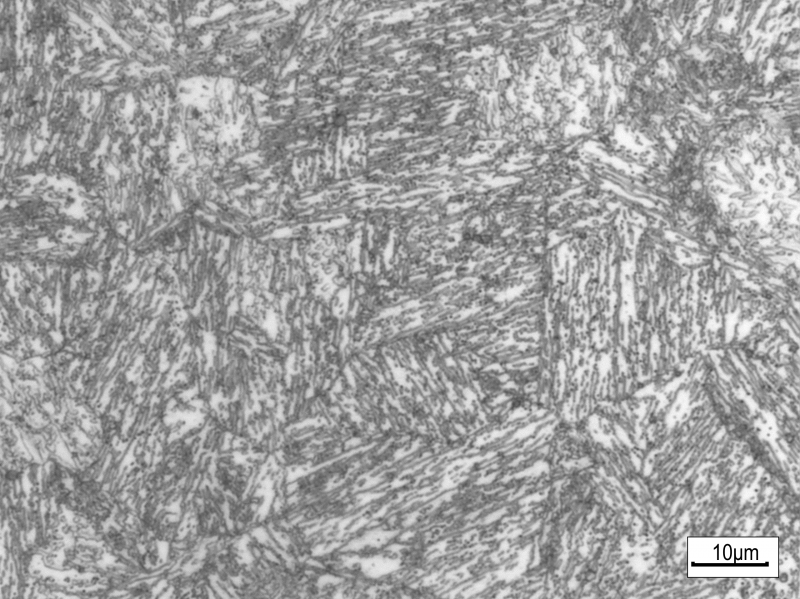
17-4PH»òÕßÅÆºÅ630µÄ²ÄÁÏ£¬Ê±Ð§×´Ì¬HH1150ÈçϽðÏàͼ ÒÑÓÐ3È˲ÎÓë
|
|
|
|
||
lehigh_73½ð³æ (ÖøÃûдÊÖ)
|
||
|
2Â¥2016-03-30 15:21:48
|
|
|
sdzhaoliyouгæ (СÓÐÃûÆø)
|
||
|
3Â¥2016-03-30 15:47:50
|
|
|
engle028ÖÁ×ðľ³æ (ÖªÃû×÷¼Ò)
½Å̤ʵµØ
|
||
![]() |
||
|
4Â¥2016-03-30 20:26:08
|
|
|
a395902937Òø³æ (СÓÐÃûÆø)
|
|
|
|
5Â¥2016-04-01 18:00:58
|
|
|
sangxianxianͳæ (ÕýʽдÊÖ)
|
¡¾´ð°¸¡¿Ó¦Öú»ØÌû
|
|
|
6Â¥2016-04-03 18:00:59
|
|
|
zhqhnny¡¤Ìú³æ (³õÈëÎÄ̳)
|
||
![]() |
||
|
7Â¥2016-04-05 16:17:15
|
|
|
ruirui4598ľ³æ (ÕýʽдÊÖ)
|
||
|
8Â¥2016-04-05 19:35:36
|
|
|
a395902937Òø³æ (СÓÐÃûÆø)
|
||
|
9Â¥2016-04-07 21:55:44
|
|
|
randyqiaoгæ (СÓÐÃûÆø)
|
||
|
10Â¥2016-04-26 12:48:25
|
|













»Ø¸´´ËÂ¥
